Котел Baxi SLIM 2.300 Fi - инструкция пользователя по применению, эксплуатации и установке на русском языке. Мы надеемся, она поможет вам решить возникшие у вас вопросы при эксплуатации техники.
Если остались вопросы, задайте их в комментариях после инструкции.
"Загружаем инструкцию", означает, что нужно подождать пока файл загрузится и можно будет его читать онлайн. Некоторые инструкции очень большие и время их появления зависит от вашей скорости интернета.

SLIM 2.300 Fi
руководство
для
технического
персонала
- 19 -
газовые
напольные
котлы
7.
Присоединение
комнатного
термостата
Получить
доступ
к
клеммной
колодке
в
соответствии
с
§ 5.1.
Снять
перемычку
с
клемм
(1)
и
(2)
клеммной
колодки
(
см
.
электрическую
схему
§6).
Протянуть
кабель
из
двух
проводов
через
кабельный
зажим
котла
и
присоединить
кабель
к
указанным
клеммам
(
рекомендуется
использовать
кабель
с
медными
жилами
3x1
мм
2
с
максимальным
внешним
диаметром
8
мм
или
с
аналогичными
характеристиками
с
максимальным
внешним
диаметром
8
мм
).
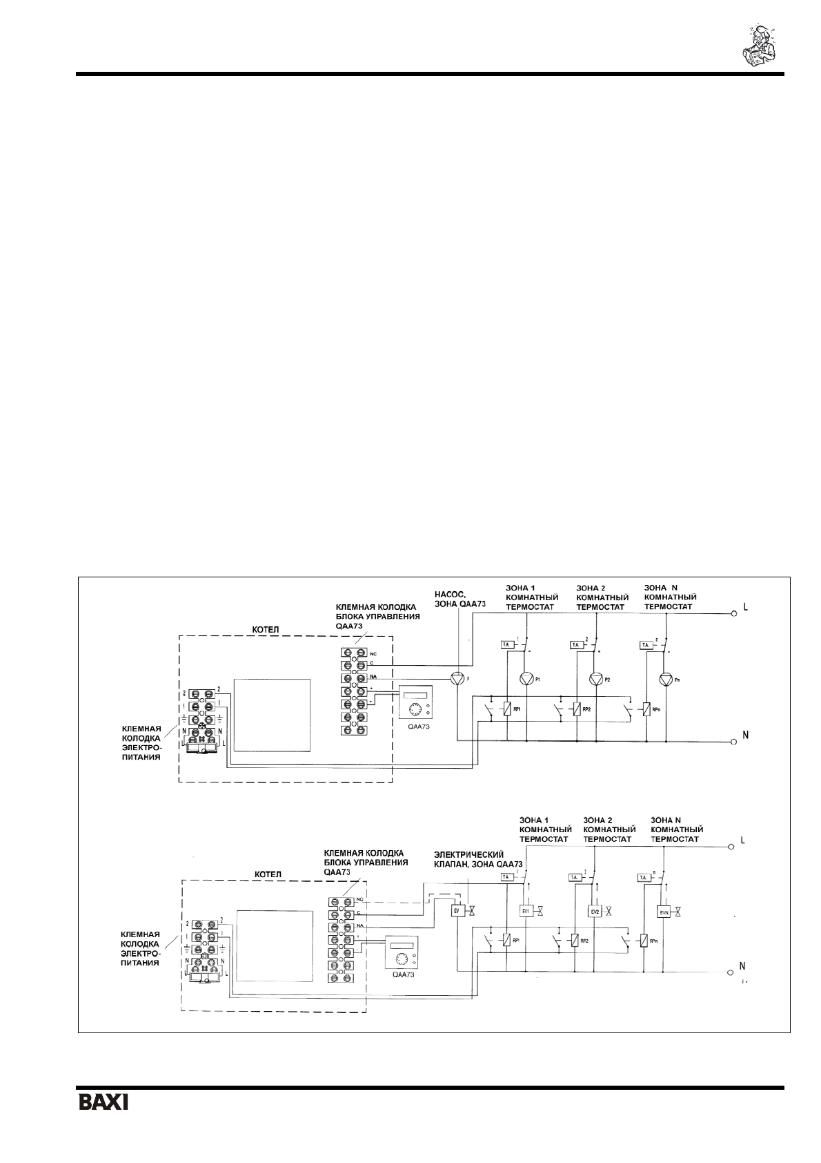
Разветвленная
система
При
разветвленной
системе
различные
комнатные
термостаты
должны
быть
присоединены
в
соответствии
со
схемой
на
рис
. 19.
Питание
на
зональные
клапана
или
насосы
должно
идти
независимо
от
котла
,
согласно
электрическим
схемам
на
рис
. 19.
Если
циркуляционный
насос
котла
работает
мощнее
зональных
насосов
,
необходимо
установить
на
нем
1-
ую
скорость
или
обесточить
насос
(
модели
i).
Разветвленная
система
при
присоединенном
климатическом
регуляторе
QAA73
Электрическое
питание
на
насос
и
зональный
клапан
,
контролируемый
климатическим
регулятором
,
должно
подаваться
в
соответствии
с
рис
. 19.
Вариант
1:
установка
без
датчика
уличной
температуры
(
разветвленная
система
при
присоединенном
климатическом
регуляторе
QAA73)
Общая
температура
на
подаче
для
всех
зон
задается
при
помощи
регулятора
температуры
в
контуре
отопления
.
Ручка
регулирования
температуры
в
контуре
отопления
расположена
на
панели
управления
котла
(
рис
. 1,
позиция
2).
В
случае
одновременного
запроса
со
стороны
основной
зоны
,
контролируемой
устройством
QAA 73,
и
со
стороны
одной
из
вспомогательных
зон
температура
на
подаче
будет
максимальной
величиной
между
значением
,
установленным
на
устройстве
QAA 73,
и
значением
,
заданным
ручкой
регулирования
температуры
котла
.
Вариант
2:
установка
с
датчиком
уличной
температуры
(
разветвленная
система
при
присоединенном
климатическом
регуляторе
QAA73)
Общая
температура
на
подаче
для
всех
зон
-
это
температура
,
задаваемая
электронной
платой
в
зависимости
от
температуры
на
улицы
и
кривой
контура
отопления
,
выбранной
в
соответствии
с
разделом
«
Присоединение
датчика
уличной
температуры
».
В
случае
одновременного
запроса
со
стороны
основной
зоны
,
контролируемой
устройством
QAA 73,
и
со
стороны
одной
из
вспомогательных
зон
температура
на
подаче
будет
максимальной
величиной
между
значением
,
установленным
на
устройстве
QAA 73,
и
значением
,
задаваемым
электронной
платой
котла
.
Рис
. 19:
Электрические
схемы
присоединения
зональных
комнатных
термостатов
и
подачи
питания
на
насосы
и
клапана
Примечание
:
Если
зональные
электрические
клапана
не
являются
клапанами
двойного
питания
(
то
есть
должны
находиться
под
напряжением
,
как
в
открытом
,
так
и
в
закрытом
положении
),
то
присоединения
,
обозначенные
пунктирной
линией
-
не
учитывать
.
Зональные
реле
не
требуются
при
использовании
электрических
клапанов
с
конечным
микропереключателем
.
Характеристики
Остались вопросы?Не нашли свой ответ в руководстве или возникли другие проблемы? Задайте свой вопрос в форме ниже с подробным описанием вашей ситуации, чтобы другие люди и специалисты смогли дать на него ответ. Если вы знаете как решить проблему другого человека, пожалуйста, подскажите ему :)