Baxi Slim 1.400 iN - Инструкция по эксплуатации - Страница 18

Котел Baxi Slim 1.400 iN - инструкция пользователя по применению, эксплуатации и установке на русском языке. Мы надеемся, она поможет вам решить возникшие у вас вопросы при эксплуатации техники.

Если остались вопросы, задайте их в комментариях после инструкции.

"Загружаем инструкцию", означает, что нужно подождать пока файл загрузится и можно будет его читать онлайн. Некоторые инструкции очень большие и время их появления зависит от вашей скорости интернета.
Страница:
/ 39
Загружаем инструкцию
background image

SLIM i – iN                                                                                           

 

 

 

   

 

 

                                                                                - 17 -                              

 

 

 

 

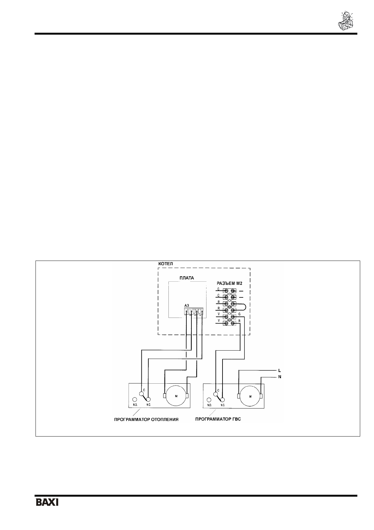
8. 

 

 

 

(

 

)

 

 

 

 

 

 

 

 

   

 62 

 

 

 

 

 

 

 

   

 

 

 

 

 

 

 

 

 

 

 

 

 

 

   

 

 

 

 

 § 5.1 «

   

 

 

» 

 

 

 

 

 

   

 

 

 

 

 

 

 

   

 

 

 

 

 

 

 A3 

 

 (

 2   4)   

 

    «

 

» 

 

 

   

 2   4. 

 

 

 

 

 

 

 

 A3 

 

 (

 1   3). 

 

 

 

 

   

 

 

 

 1   3 

 A3 

 

.  

 

 

 

 

 

 

 

 

   § 6,   

 

 

 

 

. 10. 

 

 

 

 (

 

 

 

 

 

 

 

 

  2 

  (

 5-6),   

 

    «

 

» 

 

   

 

 

 

 

 

 

 

 

 

 

 

 

 

 

 

 

 §6,   

 

 

 

 

. 10. 

 

 

 SLIM UB 80-120 

 

 

 

 

 

   

 

 

 

. 10: 

 

 

 

Полезные видео

Характеристики

Оцените статью
tehnopanorama.ru
Остались вопросы?

Не нашли свой ответ в руководстве или возникли другие проблемы? Задайте свой вопрос в форме ниже с подробным описанием вашей ситуации, чтобы другие люди и специалисты смогли дать на него ответ. Если вы знаете как решить проблему другого человека, пожалуйста, подскажите ему :)

Задать вопрос

Часто задаваемые вопросы
Как посмотреть инструкцию к Baxi Slim 1.400 iN?
Необходимо подождать полной загрузки инструкции в сером окне на данной странице
Руководство на русском языке?
Все наши руководства представлены на русском языке или схематично, поэтому вы без труда сможете разобраться с вашей моделью
Как скопировать текст из PDF?
Чтобы скопировать текст со страницы инструкции воспользуйтесь вкладкой "HTML"