Котел Baxi SLIM 1.400 iN - инструкция пользователя по применению, эксплуатации и установке на русском языке. Мы надеемся, она поможет вам решить возникшие у вас вопросы при эксплуатации техники.
Если остались вопросы, задайте их в комментариях после инструкции.
"Загружаем инструкцию", означает, что нужно подождать пока файл загрузится и можно будет его читать онлайн. Некоторые инструкции очень большие и время их появления зависит от вашей скорости интернета.

SLIM i – iN
руководство
для
технического
персонала
17
газовые
напольные
котлы
8.
Присоединение
программируемого
таймера
(
заказывается
отдельно
)
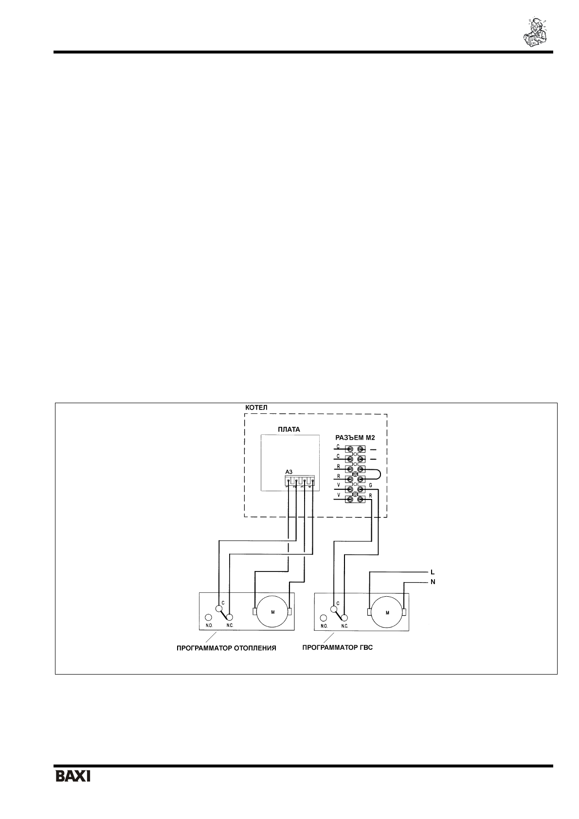
На котлах предусмотрена возможность установки программируемого таймера с диаметром 62 мм;
электрическая схема котла позволяет программировать режим работы котла в контуре отопления.
Для
установки
программируемого
таймера
контура
отопления
необходимо
выполнить
следующие
операции
:
•
Получить доступ к внутренней части электрической коробки, согласно инструкциям § 5.1 «Доступ к клеммной
колодке электропитания»
•
Обрезать кусачками крепления декоративной крышки, расположенной в левой части панели управления.
•
Установить программируемый таймер, завинтив винты в соответствующие отверстия.
•
Снять желтую перемычку на разъеме A3 электронной платы (контакты 2 и 4) и присоединить общий и «нормально
разомкнутый» контакты программируемого таймера к контактам 2 и 4.
•
Присоединить контакты питания программируемого таймера на разъем A3 электронной платы (контакты 1 и 3).
При использовании программируемых таймеров с питанием от батареек зажимы 1 и 3 разъема A3 остаются
незадействованными.
Для правильного присоединения программируемых таймеров изучите также электрическую схему, приведенную в § 6, и
руководствуйтесь электрической схемой на рис. 10.
Программатор
контура
ГВС
(
при
присоединенном
бойлере
)
•
снять желтую перемычку, имеющуюся на разъеме М2 котла (контакты 5-6), и присоединить общий и «нормально
разомкнутый» контакты программатора к разъему.
Кабель, используемый для присоединения, должен быть проведен через кабеледержатель.
Для правильного присоединения программатора изучите также электрическую схему, приведенную в §6, и
руководствуйтесь электрической схемой на рис. 10.
Для
бойлеров
SLIM UB 80-120
данные
присоединения
не
должны
использоваться
.
Руководствуйтесь
инструкциями
,
прилагаемыми
к
бойлеру
.
Рис
. 10:
Присоединение
программируемого
таймера
Характеристики
Остались вопросы?Не нашли свой ответ в руководстве или возникли другие проблемы? Задайте свой вопрос в форме ниже с подробным описанием вашей ситуации, чтобы другие люди и специалисты смогли дать на него ответ. Если вы знаете как решить проблему другого человека, пожалуйста, подскажите ему :)