Котел Baxi Slim 1.400 iN / 1.490 iN / 1.620 iN - инструкция пользователя по применению, эксплуатации и установке на русском языке. Мы надеемся, она поможет вам решить возникшие у вас вопросы при эксплуатации техники.
Если остались вопросы, задайте их в комментариях после инструкции.
"Загружаем инструкцию", означает, что нужно подождать пока файл загрузится и можно будет его читать онлайн. Некоторые инструкции очень большие и время их появления зависит от вашей скорости интернета.

SLIM i - iN
Èíñòðóêöèè äëÿ òåõíè÷åñêîãî ïåðñîíàëà
12
Ãàçîâûå ÷óãóííûå êîòëû
7. Ïîäñîåäèíåíèå êîìíàòíîãî òåðìîñòàòà
•
Ïîëó÷èòü äîñòóï ê êëåììíîé êîëîäêå â ñîîòâåòñòâèè ñ §5.1.
•
Ñíÿòü ïåðåìû÷êó ñ êëåìì (1) è (2) êëåììíîé êîëîäêè (ñì. ýëåêòðè÷åñ-
êóþ ñõåìó §6).
•
Ïðîòÿíóòü êàáåëü èç äâóõ ïðîâîäîâ ÷åðåç êàáåëüíûé çàæèì êîòëà è
ïîäñîåäèíèòü êàáåëü ê óêàçàííûì êëåììàì (ðåêîìåíäóåòñÿ èñïîëüçî-
âàòü êàáåëü ñ ìåäíûìè æèëàìè 3x1 ìì
2
ñ ìàêñèìàëüíûì âíåøíèì äèà-
ìåòðîì 8 ìì èëè ñ àíàëîãè÷íûìè õàðàêòåðèñòèêàìè ñ ìàêñèìàëüíûì
âíåøíèì äèàìåòðîì 8 ìì).
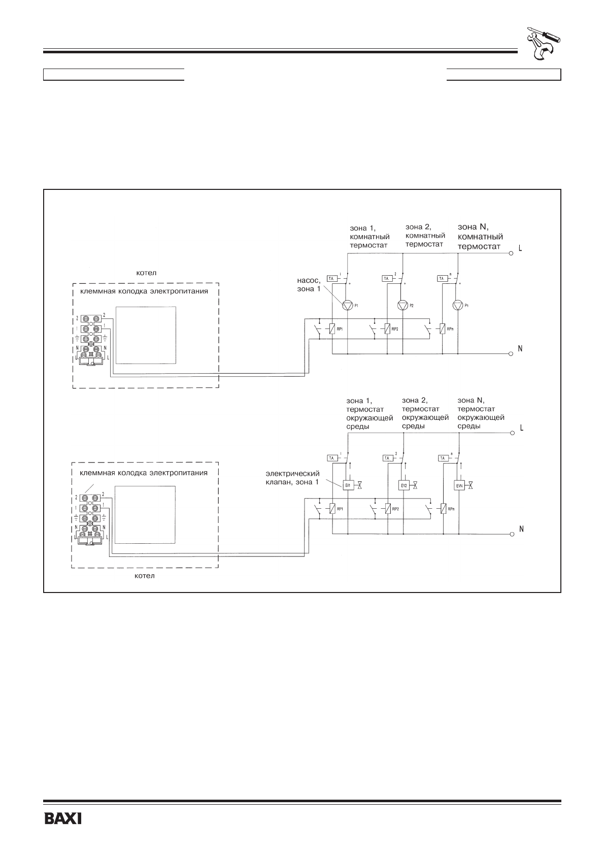
Ðàçâåòâëåííàÿ ñèñòåìà
Ïðè ðàçâåòâëåííîé ñèñòåìå ðàçëè÷íûå êîìíàòíûå òåðìîñòàòû äîëæíû
áûòü ïîäñîåäèíåíû â ñîîòâåòñòâèè ñî ñõåìîé íà ðèñ. 10.
Ïèòàíèå íà çîíàëüíûå êëàïàíà èëè íàñîñû äîëæíî èäòè íåçàâèñèìî îò
êîòëà, ñîãëàñíî ýëåêòðè÷åñêèì ñõåìàì íà ðèñ. 10.
Åñëè öèðêóëÿöèîííûé íàñîñ êîòëà ðàáîòàåò ìîùíåå çîíàëüíûõ íàñî-
ñîâ, íåîáõîäèìî óñòàíîâèòü íà íåì 1-óþ ñêîðîñòü èëè îáåñòî÷èòü íà-
ñîñ (ìîäåëè i).
Ýëåêòðè÷åñêèå ñõåìû ïîäñîåäèíåíèÿ çîíàëüíûõ êîìíàòíûõ òåðìîñòàòîâ è ïîäà÷è ïèòàíèÿ íà íàñîñû è êëàïàíà.
ðèñóíîê 10
Ïðèìå÷àíèå: Åñëè çîíàëüíûå ýëåêòðè÷åñêèå êëàïàíà íå ÿâëÿþòñÿ êëàïàíàìè äâîéíîãî ïèòàíèÿ (òî åñòü äîëæíû íàõîäèòüñÿ ïîä íàïðÿæåíèåì êàê â
îòêðûòîì òàê è â çàêðûòîì ïîëîæåíèè), òî ïîäñîåäèíåíèÿ, îáîçíà÷åííûå ïóíêòèðíîé ëèíèåé - íå ó÷èòûâàòü. Çîíàëüíûå ðåëå íå òðåáóþòñÿ ïðè
èñïîëüçîâàíèè ýëåêòðè÷åñêèõ êëàïàíîâ ñ êîíå÷íûì ìèêðîïåðåêëþ÷àòåëåì.