Котел BaltGaz 11 SL - инструкция пользователя по применению, эксплуатации и установке на русском языке. Мы надеемся, она поможет вам решить возникшие у вас вопросы при эксплуатации техники.
Если остались вопросы, задайте их в комментариях после инструкции.
"Загружаем инструкцию", означает, что нужно подождать пока файл загрузится и можно будет его читать онлайн. Некоторые инструкции очень большие и время их появления зависит от вашей скорости интернета.

Руководство для пользователя и технического персонала
25
Поз.
Наименование
Обозначение
35
Предохранительный терминал
CFTBN/2W P
36
Клеммный блок
NYLBLOC 34211
37
Кольцо
005-008-
19 (ГОСТ 9833-73)
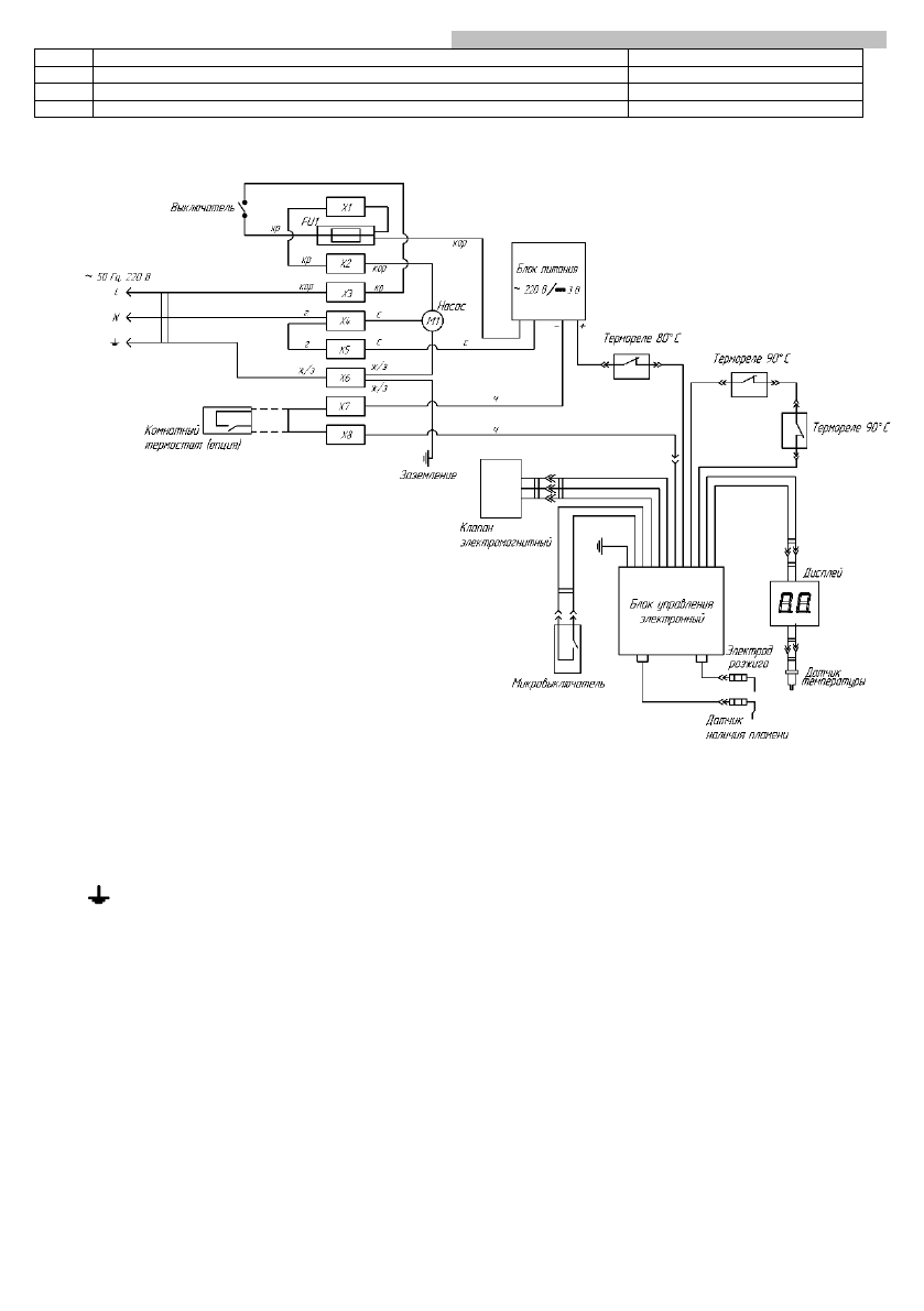
Приложение 2
СХЕМА ЭЛЕКТРИЧЕСКИХ СОЕДИНЕНИЙ КОТЛА
Условные обозначения на схеме:
Х1 – разъем предохранительного терминала;
FU1
– предохранитель 2А (5×20);
Х2 … Х8 – разъемы клеммного блока;
L
– фазовый провод;
N
– нулевой провод;
-
«земля».
Обозначения расцветки проводов:
кр - красный, ж/з - желто-зеленый, c - синий, кор - коричневый, ч - черный













