Котел Ariston UNOBLOC G 64 RI - инструкция пользователя по применению, эксплуатации и установке на русском языке. Мы надеемся, она поможет вам решить возникшие у вас вопросы при эксплуатации техники.
Если остались вопросы, задайте их в комментариях после инструкции.
"Загружаем инструкцию", означает, что нужно подождать пока файл загрузится и можно будет его читать онлайн. Некоторые инструкции очень большие и время их появления зависит от вашей скорости интернета.

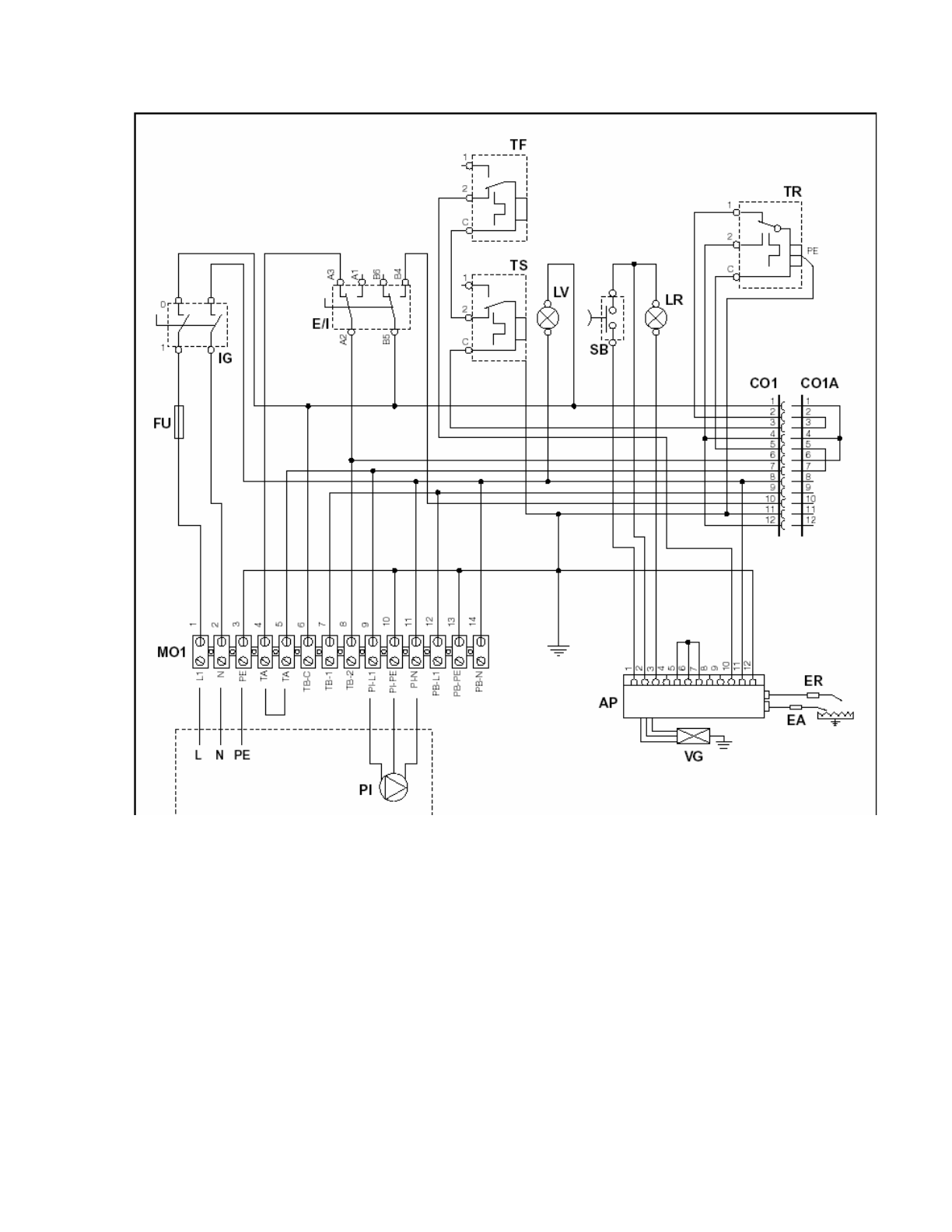
ФУНКЦИОНАЛЬНАЯ
ЭЛЕКТРИЧЕСКАЯ
СХЕМА
IG –
Основной
выключатель
FU -
Предохранитель
(6,3 A)
E/I –
Селектор
Лето
/
Зима
TF –
Термостат
температуры
дыма
ɬɹɝɢ
TS –
Аварийный
термостат
(110°C 0/-6) (*)
LV –
Индикатор
электроснабжения
SB –
Кнопка
снятия
блокировки
горелки
LR –
Индикатор
блокировки
горелки
TR –
Термостат
регулировки
температуры
воды
в
котле
(33-82°C ±3) (*)
(*)
сертифицирован
CO1/CO1A –
соединительные
разъемы
12
контактов
AP –
Блок
розжига
и
контроля
пламени
ER –
Электрод
контроля
пламени












