Котел AEG GBT 232 - инструкция пользователя по применению, эксплуатации и установке на русском языке. Мы надеемся, она поможет вам решить возникшие у вас вопросы при эксплуатации техники.
Если остались вопросы, задайте их в комментариях после инструкции.
"Загружаем инструкцию", означает, что нужно подождать пока файл загрузится и можно будет его читать онлайн. Некоторые инструкции очень большие и время их появления зависит от вашей скорости интернета.

И
Н
С
Т
Р
У
К
Ц
И
Я
П
О
Т
Е
Х
Н
И
Ч
Е
С
К
О
М
У
О
Б
С
Л
У
Ж
И
В
А
Н
И
Ю
4
3
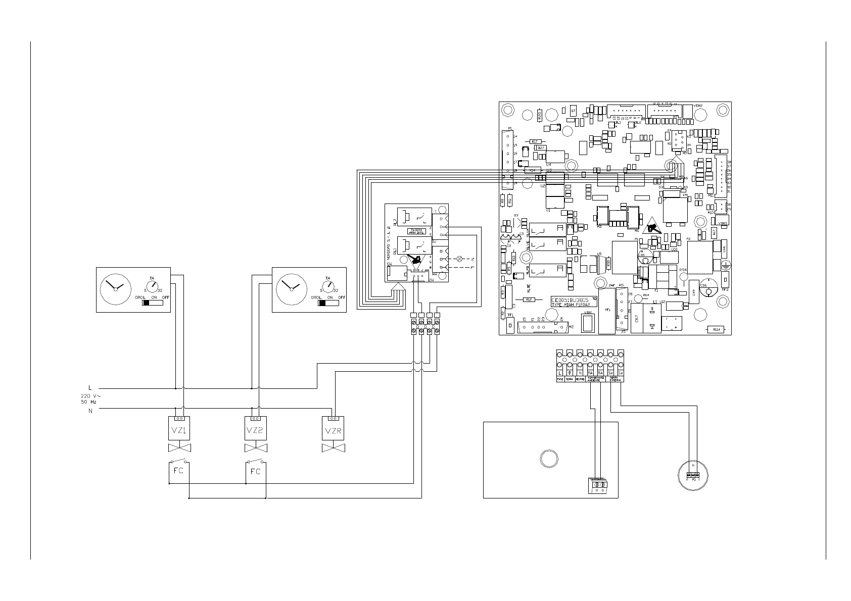
Плата
управления
зональными
клапанами
и
опционального
дистанционного
управления
КОД
65-00030
Зона
1
Комнатный
термостат
Зона
2
Комнатный
термостат
VZ1
=
Клапан
зоны
1
VZ2 =
Клапан
зоны
2
VZR =
Зональный
клапан
на
дистанционном
управлении
FC =
Замыкание
контактов
зонального
клапана
код
40-00022
ДИСТАНЦИОННЫЙ
«OPEN THERM»
Датчик
наружной
температуры
(
опция
)
Клеммная
коробка
Э
л
е
к
тр
и
ч
е
с
к
а
я
с
х
е
м
а
п
у
л
ь
та
д
и
с
та
н
ц
и
о
н
н
о
го
у
п
р
а
в
л
е
н
и
я
и
п
е
р
е
к
л
ю
ч
а
ю
щ
и
х
к
л
а
п
а
н
о
в
O
p
tio
n
re
m
o
te
lo
c
k
-
o
u
t i
n
d
ic
a
to
r
Д
о
п
о
л
н
и
т
е
л
ь
н
ы
й
д
и
с
т
а
н
ц
и
о
н
н
ы
й
и
н
д
и
к
а
т
о
р
б
л
о
к
и
р
о
в
к
и
Содержание
- 3 Техническое; уполномоченный
- 4 ОБЩАЯ; Общие
- 6 Соответствие; STIEBEL ELTRON AEG; CE; Stiebel Eltron AEG
- 7 ТЕХНИЧЕСКИЕ; Технические
- 8 Размеры
- 9 Внутренние; УСЛОВНЫЕ
- 10 Гидравлическая
- 11 График
- 12 Печатная; Панель
- 13 УСТАНОВКА; IPX4D
- 14 Распаковка; Stiebel
- 15 Установка
- 16 Гидравлические
- 17 Подключение
- 18 Электрические; Stiebel Eltron AEG.
- 19 Ta; Рис
- 20 Монтаж
- 21 Тип
- 22 МАКСИМАЛЬНАЯ; Максимальная; ПРИМЕЧАНИЕ
- 24 Регулируемые; дымохода
- 25 Комплект
- 26 Настройка
- 27 ВВОД; Предварительные
- 28 Заполнение; bar
- 29 Промывка
- 30 Запуск; W INTER
- 31 РЕГУЛИРОВКА; Таблица
- 33 ВЫКЛ
- 37 Регулировка; см; минимального
- 39 Данные; ть
- 40 ТЕХНИЧЕСКОЕ
- 41 Доступ
- 42 Слив; системы
- 43 Монтажные
- 44 Пример; Датчик
- 45 TA–TA
- 46 код; тр
- 47 ко
- 48 Tm
- 50 Диагностика; Коды; Код
- 51 Список; Основные; КОД; SIT
- 54 Почувствовав; Органы
- 55 Нажмите; Управление
- 56 Подпитка
- 57 Обезопасьте












