Котел AEG GBT 232 - инструкция пользователя по применению, эксплуатации и установке на русском языке. Мы надеемся, она поможет вам решить возникшие у вас вопросы при эксплуатации техники.
Если остались вопросы, задайте их в комментариях после инструкции.
"Загружаем инструкцию", означает, что нужно подождать пока файл загрузится и можно будет его читать онлайн. Некоторые инструкции очень большие и время их появления зависит от вашей скорости интернета.

ИНСТРУКЦИЯ
ПО
ТЕХНИЧЕСКОМУ
ОБСЛУЖИВАНИЮ
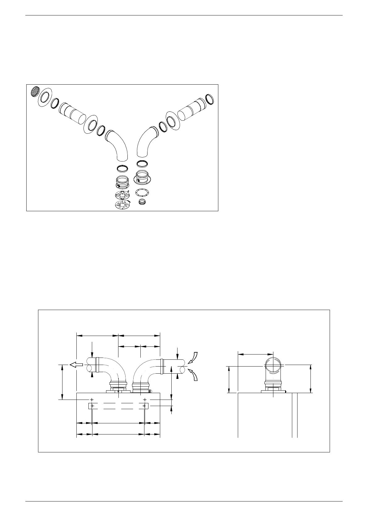
19
Тип
дымохода
–
комплект
B
Комплект
горизонтального
дымохода
с
двойной
трубой
диам
. 80/80
мм
,
регулируемого
на
360°.
Система
с
двойной
трубой
отводит
отработанные
газы
в
вытяжную
трубу
и
производит
забор
атмосферного
воздуха
.
Отводит
отработанные
газы
и
производит
забор
воздуха
для
горения
через
два
отдельных
канала
диам
.
80
мм
.
МАКСИМАЛЬНАЯ
ДЛИНА
ДЫМОХОДА
:
30
м
.
Максимальная
длина
дымохода
(
в
линейном
эквиваленте
)
достигается
суммированием
длины
линейной
трубы
и
эквивалентных
длин
всех
установленных
колен
.
Под
линейным
эквивалентом
подразумевается
общая
длина
канала
(
отвода
отработанных
газов
и
забора
воздуха
)
от
места
соединения
с
камерой
сгорания
прибора
,
за
исключением
первого
колена
.
При
добавлении
колена
достигается
эффект
увеличения
линейной
эквивалентной
длины
канала
следующим
образом
:
Ø 80 x
колено
90° = 1,5
м
.
Ø 80 x
колено
45° = 1,2
м
.
ПРИМЕЧАНИЕ
.
ДЛЯ
ОТВОДА
ОТРАБОТАННЫХ
ГАЗОВ
И
ЗАБОРА
ВОЗДУХА
ДЛЯ
ГОРЕНИЯ
ИСПОЛЬЗУЙТЕ
ТОЛЬКО
УТВЕРЖДЕННЫЕ
ДЫМОХОДЫ
RADIANT.
Содержание
- 3 Техническое; уполномоченный
- 4 ОБЩАЯ; Общие
- 6 Соответствие; STIEBEL ELTRON AEG; CE; Stiebel Eltron AEG
- 7 ТЕХНИЧЕСКИЕ; Технические
- 8 Размеры
- 9 Внутренние; УСЛОВНЫЕ
- 10 Гидравлическая
- 11 График
- 12 Печатная; Панель
- 13 УСТАНОВКА; IPX4D
- 14 Распаковка; Stiebel
- 15 Установка
- 16 Гидравлические
- 17 Подключение
- 18 Электрические; Stiebel Eltron AEG.
- 19 Ta; Рис
- 20 Монтаж
- 21 Тип
- 22 МАКСИМАЛЬНАЯ; Максимальная; ПРИМЕЧАНИЕ
- 24 Регулируемые; дымохода
- 25 Комплект
- 26 Настройка
- 27 ВВОД; Предварительные
- 28 Заполнение; bar
- 29 Промывка
- 30 Запуск; W INTER
- 31 РЕГУЛИРОВКА; Таблица
- 33 ВЫКЛ
- 37 Регулировка; см; минимального
- 39 Данные; ть
- 40 ТЕХНИЧЕСКОЕ
- 41 Доступ
- 42 Слив; системы
- 43 Монтажные
- 44 Пример; Датчик
- 45 TA–TA
- 46 код; тр
- 47 ко
- 48 Tm
- 50 Диагностика; Коды; Код
- 51 Список; Основные; КОД; SIT
- 54 Почувствовав; Органы
- 55 Нажмите; Управление
- 56 Подпитка
- 57 Обезопасьте












