Кондиционеры Lessar LS-HE24KSE2/LU-HE24KSE2 - инструкция пользователя по применению, эксплуатации и установке на русском языке. Мы надеемся, она поможет вам решить возникшие у вас вопросы при эксплуатации техники.
Если остались вопросы, задайте их в комментариях после инструкции.
"Загружаем инструкцию", означает, что нужно подождать пока файл загрузится и можно будет его читать онлайн. Некоторые инструкции очень большие и время их появления зависит от вашей скорости интернета.

62
3
CN3
CN18
CN60
CN16
CN4
CN14
CN13
CN12
CN30
Y/G
Y/G
CN17
CN1
CN10
2. При необходимости резервного управления, площадь поперечного сечения кабеля, подключенного
к W, 1 (L), 2 (N), должна быть выбрана в соответствии с максимальным током системы.
Номинальный ток системы наружного блока равен сумме номинального тока внутреннего блока
и наружного блока.
черный
белый
внутренний блок электропитание
ОПЦИЯ
4-ходовой клпапн
ОПЦИЯ
коричневый (красный)
красный
черный (голубой)
голубой
голубой
голубой
голубой
красный
черный
Компрессор
красный
черный
черный(желтый)
голубой (черный)
датчик темп.
воздуха
датчик темп.
трубы
датчик темп.
нагнетания
черный
красный
ПЛАТА
УПРАВЛЕНИЯ
DС-мотор
Наружные блоки
LU-HE18KSE2, LU-HE24KSE2
дроссель
Примечания:
1. - - -
обозначение опциональных элементов
CN5
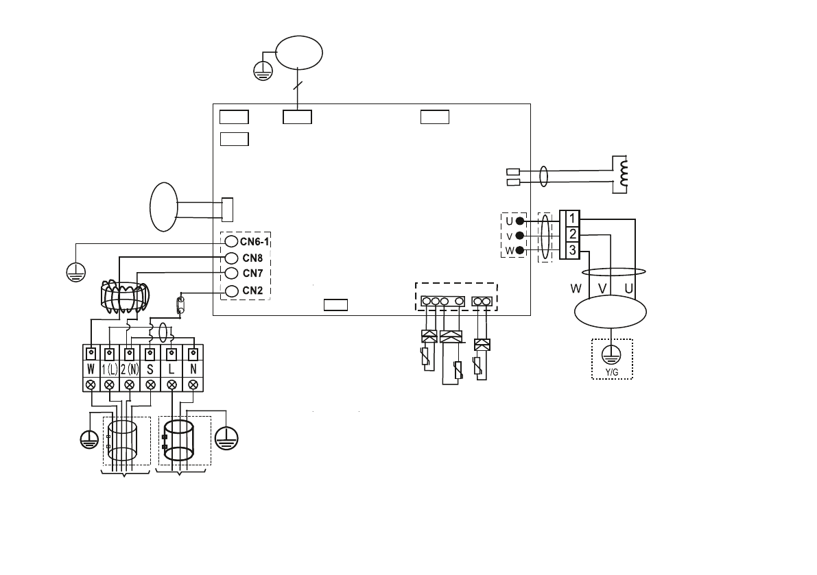
Содержание
- 3 Меры предосторожности; При установке
- 5 Правила электробезопасности
- 6 Прочтите внимательно перед началом работы; Никогда не делайте этого!
- 10 Назначение; ется электронным блоком управления.; Принцип работы кондиционера в режиме охлаждения; температуре может привести к неисправности оборудования.; Функция защиты от обмерзания; нимется до определенного значения.
- 11 Авторестарт
- 12 Комплектность сплит-системы; вида аксессуаров, представленных в настоящем руководстве.
- 13 Технические характеристики
- 15 Расположение элементов
- 16 Дистанционный инфракрасный пульт; M O D E; Пульт управления Intellect; ния с эргономичным дизайном, который получил название Intellect.
- 17 Кнопки управления; MODE; AUTO; FAN; FP; TIMER ON
- 18 TIMER OFF; символ; SLEEP; чена для поддержания комфортного режима сна.; FRESH; люзи. В этом случае их настройка возможна только вручную!; TURBO; Данная функция может быть опциональной.
- 20 Индикация на дисплее; действия пульта управления может уменьшаться!
- 21 Управление режимами работы; Автоматическая работа; Примечание
- 22 Осушение; Таймер; Примечания
- 23 Пример настройки таймера
- 25 Изменение положения жалюзи; новлен с помощью пульта дистанционного управления.
- 26 Ручной запуск кондиционера; рость вентилятора автоматически.; Для включения кондиционера:
- 27 Замена элементов питания
- 28 Дисплей передней панели; о работе кондиционера прямо через переднюю панель.
- 29 Обслуживание и чистка кондиционера; Очистка фильтра; кой. Маленькие фильтры очищаются только пылесосом!
- 30 на место до тех пор, пока он не высохнет.; Установите дополнительные фильтры на свои места.; Очистка жалюзи; крючок
- 31 Очистка передней панели; Снимите переднюю панель кондиционера.
- 33 Поиск и устранение неисправностей; Не пытайтесь самостоятельно ремонтировать кондиционер.
- 34 Не пытайтесь устранять эти поломки самостоятельно:
- 35 Коды ошибок; житесь с ближайшим сервисным центром или вашим дилером.
- 36 Габаритные размеры
- 37 Наружный блок
- 38 Монтаж внутреннего блока; Порядок монтажа (краткое описание этапов монтажа)
- 39 НЕ устанавливайте блок в следующих местах:; Этап 3. Крепление монтажной пластины к стене.
- 40 Правильное расположение монтажной пластины; Этап 4. Сверление отверстия в стене для коммуникаций.; Просверлите отверстие
- 41 Если соединительная труба со стороны газа имеет
- 42 Этап 5. Подготовка к монтажу трубопроводов хладагента.; Шаг 1. Закрепите внутренний блок на монтажной пластине.; Сдвиньте вправо или влево
- 43 Шаг 2. Подготовка блока к монтажу труб хладагента.; ложение панели с помощью защелки.
- 44 Шаг 3. Подсоедините трубопровод хладагента.
- 45 ПЕРЕД ВЫПОЛНЕНИЕМ ЛЮБЫХ ЭЛЕКТРИЧЕСКИХ РАБОТ
- 46 Подключите сигнальный кабель.; чивают большее пространство для подключения проводов.; ной на задней стороне передней панели внутреннего блока.
- 47 Подсоедините дренажный шланг.; допус кайте того, чтобы дренажная труба болталась.; Внутренний; Этап 9. Установка внутреннего блока
- 48 Монтаж наружного блока
- 49 ЗАПРЕЩАЕТСЯ устанавливать агрегат в следующих местах:; Установка ветрозащитного экрана; Неверно
- 50 При установке на крышу
- 51 Электрические соединения; коквалифицированным персоналом.; Открутите крышку электропроводки и снимите ее.
- 52 Заправка хладагентом; мы приведены в разделе «Удаление воздуха ваку умным насосом».; Удаление воздуха вакуумным насосом; систему необходимо как минимум 2 часа.; Порядок действий; под давлением до 25 кг/см
- 53 Извлеките заправочный шланг из сервисного порта.; качественное вакуумирование.
- 55 Дозаправка системы; Все вентили на манометрическом коллекторе; Последовательность операций; лабив крепление на коллекторе.
- 56 Процедура проверки; Точки проверки обозначены на рисунке ниже.; более 20 минут, потребуется полная смена масла в компрессоре
- 57 Проверка утечек электроэнергии и хладагента; теме; Проверка электрических соединений перед тестовым запуском; Существует два способа проверки утечек хладагента:
- 58 Тестовый запуск; Тестовый запуск должен выполняться 30 минут.; ЕСЛИ ТЕМПЕРАТУРА В ПОМЕЩЕНИИ НИЖЕ 17 °C
- 59 оборудования и отказ в гарантийном ремонте!; Регламент технического обслуживания
- 60 Внутренние блоки; ПЛАТА УПРАВЛЕНИЯ; двигатель жалюзи 1
- 61 ПЛАТА; Компрессор; Наружные блоки
- 63 экологического законодательства.
- 64 Класс энергоэффективности оборудования; SEER
- 65 Условия гарантии
- 67 Дата производства сплит-системы; зволяют определить дату производства и прочие данные.
- 68 Место производства оборудования