Кондиционеры Lessar LS-HE24KSE2/LU-HE24KSE2 - инструкция пользователя по применению, эксплуатации и установке на русском языке. Мы надеемся, она поможет вам решить возникшие у вас вопросы при эксплуатации техники.
Если остались вопросы, задайте их в комментариях после инструкции.
"Загружаем инструкцию", означает, что нужно подождать пока файл загрузится и можно будет его читать онлайн. Некоторые инструкции очень большие и время их появления зависит от вашей скорости интернета.

61
4-
ходовой
CN 7
S
W
2(N)
L
N
1(L)
Y/G
Y/G
Y/G
Y/G
U
V
W
Y/G
ПЛАТА
УПРАВЛЕНИЯ
ОПЦИЯ
оп
ци
я
Компрессор
голубой
желтый или черный
голубой или черный
коричневый
голубой или белый
красный
внутренний блок электропитание
голубой
или белый
голубой
красный
черный
голубой
красный
черный
DС-мотор
датчи
к возд
уха
датчи
к темп
. трубы
датчик темп.
нагнетания
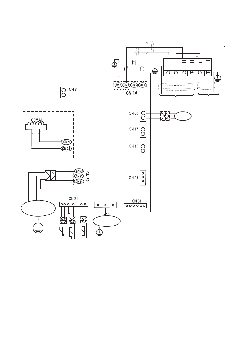
Наружные блоки
LU-HE09KSE2, LU-HE12KSE2
дроссель
2. При необходимости резервного управления, площадь поперечного сечения кабеля, подключенного
к W, 1 (L), 2 (N), должна быть выбрана в соответствии с максимальным током системы.
Номинальный ток системы наружного блока равен сумме номинального тока внутреннего блока
и наружного блока.
Примечания:
1. - - - обозначение опциональных элементов
Содержание
- 3 Меры предосторожности; При установке
- 5 Правила электробезопасности
- 6 Прочтите внимательно перед началом работы; Никогда не делайте этого!
- 10 Назначение; ется электронным блоком управления.; Принцип работы кондиционера в режиме охлаждения; температуре может привести к неисправности оборудования.; Функция защиты от обмерзания; нимется до определенного значения.
- 11 Авторестарт
- 12 Комплектность сплит-системы; вида аксессуаров, представленных в настоящем руководстве.
- 13 Технические характеристики
- 15 Расположение элементов
- 16 Дистанционный инфракрасный пульт; M O D E; Пульт управления Intellect; ния с эргономичным дизайном, который получил название Intellect.
- 17 Кнопки управления; MODE; AUTO; FAN; FP; TIMER ON
- 18 TIMER OFF; символ; SLEEP; чена для поддержания комфортного режима сна.; FRESH; люзи. В этом случае их настройка возможна только вручную!; TURBO; Данная функция может быть опциональной.
- 20 Индикация на дисплее; действия пульта управления может уменьшаться!
- 21 Управление режимами работы; Автоматическая работа; Примечание
- 22 Осушение; Таймер; Примечания
- 23 Пример настройки таймера
- 25 Изменение положения жалюзи; новлен с помощью пульта дистанционного управления.
- 26 Ручной запуск кондиционера; рость вентилятора автоматически.; Для включения кондиционера:
- 27 Замена элементов питания
- 28 Дисплей передней панели; о работе кондиционера прямо через переднюю панель.
- 29 Обслуживание и чистка кондиционера; Очистка фильтра; кой. Маленькие фильтры очищаются только пылесосом!
- 30 на место до тех пор, пока он не высохнет.; Установите дополнительные фильтры на свои места.; Очистка жалюзи; крючок
- 31 Очистка передней панели; Снимите переднюю панель кондиционера.
- 33 Поиск и устранение неисправностей; Не пытайтесь самостоятельно ремонтировать кондиционер.
- 34 Не пытайтесь устранять эти поломки самостоятельно:
- 35 Коды ошибок; житесь с ближайшим сервисным центром или вашим дилером.
- 36 Габаритные размеры
- 37 Наружный блок
- 38 Монтаж внутреннего блока; Порядок монтажа (краткое описание этапов монтажа)
- 39 НЕ устанавливайте блок в следующих местах:; Этап 3. Крепление монтажной пластины к стене.
- 40 Правильное расположение монтажной пластины; Этап 4. Сверление отверстия в стене для коммуникаций.; Просверлите отверстие
- 41 Если соединительная труба со стороны газа имеет
- 42 Этап 5. Подготовка к монтажу трубопроводов хладагента.; Шаг 1. Закрепите внутренний блок на монтажной пластине.; Сдвиньте вправо или влево
- 43 Шаг 2. Подготовка блока к монтажу труб хладагента.; ложение панели с помощью защелки.
- 44 Шаг 3. Подсоедините трубопровод хладагента.
- 45 ПЕРЕД ВЫПОЛНЕНИЕМ ЛЮБЫХ ЭЛЕКТРИЧЕСКИХ РАБОТ
- 46 Подключите сигнальный кабель.; чивают большее пространство для подключения проводов.; ной на задней стороне передней панели внутреннего блока.
- 47 Подсоедините дренажный шланг.; допус кайте того, чтобы дренажная труба болталась.; Внутренний; Этап 9. Установка внутреннего блока
- 48 Монтаж наружного блока
- 49 ЗАПРЕЩАЕТСЯ устанавливать агрегат в следующих местах:; Установка ветрозащитного экрана; Неверно
- 50 При установке на крышу
- 51 Электрические соединения; коквалифицированным персоналом.; Открутите крышку электропроводки и снимите ее.
- 52 Заправка хладагентом; мы приведены в разделе «Удаление воздуха ваку умным насосом».; Удаление воздуха вакуумным насосом; систему необходимо как минимум 2 часа.; Порядок действий; под давлением до 25 кг/см
- 53 Извлеките заправочный шланг из сервисного порта.; качественное вакуумирование.
- 55 Дозаправка системы; Все вентили на манометрическом коллекторе; Последовательность операций; лабив крепление на коллекторе.
- 56 Процедура проверки; Точки проверки обозначены на рисунке ниже.; более 20 минут, потребуется полная смена масла в компрессоре
- 57 Проверка утечек электроэнергии и хладагента; теме; Проверка электрических соединений перед тестовым запуском; Существует два способа проверки утечек хладагента:
- 58 Тестовый запуск; Тестовый запуск должен выполняться 30 минут.; ЕСЛИ ТЕМПЕРАТУРА В ПОМЕЩЕНИИ НИЖЕ 17 °C
- 59 оборудования и отказ в гарантийном ремонте!; Регламент технического обслуживания
- 60 Внутренние блоки; ПЛАТА УПРАВЛЕНИЯ; двигатель жалюзи 1
- 61 ПЛАТА; Компрессор; Наружные блоки
- 63 экологического законодательства.
- 64 Класс энергоэффективности оборудования; SEER
- 65 Условия гарантии
- 67 Дата производства сплит-системы; зволяют определить дату производства и прочие данные.
- 68 Место производства оборудования