Кондиционеры Lessar LS-HE24DOA2/LU-HE24UOA2 - инструкция пользователя по применению, эксплуатации и установке на русском языке. Мы надеемся, она поможет вам решить возникшие у вас вопросы при эксплуатации техники.
Если остались вопросы, задайте их в комментариях после инструкции.
"Загружаем инструкцию", означает, что нужно подождать пока файл загрузится и можно будет его читать онлайн. Некоторые инструкции очень большие и время их появления зависит от вашей скорости интернета.

63
Наружные блоки
LU-HE12UOA2; LU-HE18UTA2
4-WAY
CN 7
3
5/6
CN 31
CN 15
ОПЦИЯ
CN 60
подогрев
картера
CN 17
ОПЦИЯ
синий
коричневый
желтый или черный
S
2(N)
L N
Кр.
синий или черный
1(L)
Y/G
Датчик темп. в
оз
духа
Датчи
к темп
ературы нагнетани
я
CN 21
Датчик
тем
п. теп
лообм
енник
а
ж/з
компрессор
U
V
W
синий
красный
черный
Синий
Кр.
Бел.
CN 25
CN 1A
CN 3 CN 1 CN 2 CN 16
CN 50
CN 30
CN 29
CN 28
синий
кр.
черн.
синий или
белый
CN 9
CN 32
Y/G
ж/з
Y/G
ПЛАТА
УПРАВЛЕНИЯ
дроссель
EXV-клапан
К внутреннему блоку
подогрев
поддона
Питание
1 / 220 / 50
синий или
белый
вентилятор
LU-HE24UOA2
P-1
CN14
4
5
L-OUT
CN6 CN5
HEAT1
CN1 CN2
CN9 CN8
HEAT2
P2
P1
3
6
CN28
CN3
CN4
S1
S2
L
N
ПЛАТА
УПРАВЛЕНИЯ
CN4
CN5
IPM
CN2
CN3
CN29
синий
красный или коричневый
CN1
дроссель
синий
синий
компрессор
U(R)
V(S)
W(C)
U
V
W
вентилятор
CN14
синий
красный
черный
RY2
ON(4)
COM(3)
CN21
CN12
да
тчик т
емп.
компресс
ора
ре
ле низк
ог
о дав
ления
ре
ле выс
окг
о дав
ления
CN17
CN7
да
тчик т
емп.
нар
ужног
о в
оз
дух
а Т4
да
тчик т
емп.
тепл
ооб
менник
а Т3
да
тчик т
емп. нагне
тания
EXV-клапан
CN18
4-ходовой
клапан
Питание
внутреннего
блока
L-IN
N-IN
1L 2N
Питание
1 / 220 / 50
используйте 2-жильный
экранированный кабель
серый
желтый
Содержание
- 3 Меры предосторожности; Во время эксплуатации
- 5 Правила электробезопасности
- 6 Назначение и принцип работы; осуществляется электронным блоком управления.; Принцип работы кондиционера в режиме охлаждения; работать на охлаждение при низких температурах.; Функция защиты от обмерзания; электромотор, вентилятор, электронный блок
- 7 Принцип работы кондиционера в режиме обогрева; зуйте другие способы обогрева, например, масляный обогреватель.; Принцип работы системы оттаивания кондиционера в режиме
- 8 Спецификация; Модель
- 9 Пульт управления LZ-UPW4F; Дисплей; произойдет переключение на режим AUTO.
- 10 Кнопки пульта управления LZ-UPW4F
- 11 Управление кондиционером; Запуск кондиционера; в режиме вентиляции настройка температуры невозможна.
- 12 Режим AUTO; в режиме «Авто» выбор скорости работы вентилятора осуществляется; Выбор скорости работы вентилятора; Примечания; Включение функции «Follow Me»; Дополнительный электрический нагреватель является опцией.; Настройка температуры; на в режиме вентиляции.; Настройка таймера
- 13 Функции блокировки и сброса настроек; ра установится на 24 °С.
- 14 Подготовка к эксплуатации; Перед запуском кондиционера проверьте следующие вещи:; Провод заземления подключен правильно и надежно?; Включение питания
- 15 Рекомендации по эксплуатации; Если вы долго не будете пользоваться кондиционером; Перед тем, как на длительное время отключить кондиционер; Перед тем, как включить кондиционер после длительного перерыва; Уход за кондиционером; Очистка внутреннего блока
- 16 Очистка воздушного фильтра; минимум один раз в две недели.
- 17 Очистка наружного блока; обслуживание авторизованными специалистами.; дорогостоящих деталей кондиционера!
- 18 Перед обращением в сервисный центр; онера, отключите электропитание и обратитесь в сервисный центр.; (вынули штепсель из розетки) и через 5 –10 секунд включили его снова.; Наименование
- 19 Ситуации не связанные с неисправностью кондиционера; Режим «Обогрев» только что включился.
- 21 Комплектность сплит-системы
- 22 Рабочая температура; Режим «Охлаждения» Режим «Обогрева» Режим «Осушения»; Держите двери и окна в помещении закрытыми.
- 23 Внутренние блоки
- 24 Наружные блоки
- 25 Порядок монтажа сплит-системы
- 26 шее обслуживание наружного блока.; При установке на крышу; предусмотрите маслоподъемные петли через каждые 6 метров.; Установка ветрозащитного экрана; Правильно
- 27 Установка внутреннего блока; Пространство для установки; По подготовке потолка проконсультируйтесь со строителями.; Сервисное пространство; ния работ по сервисному обслуживанию оборудования.; Установка блока; Деревянная конструкция
- 28 Изменение расположения отверстия для забора воздуха; с фланца фильтра и с боковых направляющих.
- 29 выходного отверстия для воздуха, задвиньте внутрь и вверх.
- 30 Подсоединение воздуховодов; нормами и стандартами.
- 31 Установка наружного блока; мальные условия работы блока.; Неправильно; Сервисное пространство для наружного блока
- 32 Шаг болтов; Производительность; Перемещение и установка
- 33 Слив конденсата с наружного блока; Порт для слива
- 34 Установка трубопровода отвода конденсата; Наружный диаметр патрубка для слива конденсата
- 35 на 75 мм, он не должен находиться в воде.; трубы, как показано на следующем рисунке.; Проверка дренажа; проверку необходимо выполнить до зашивки потолка.
- 36 Гибкий шланг
- 37 Монтаж линии хладагента; туре. Это может привести к взрыву и травмам.; Диаметры трубопроводов; наружный блок заправлен на заводе из расчета длины трубы не более; Маслоподьемные петли; Если внутренний блок установлен выше наружного блока:; вом трубопроводе могут предотвратить это.
- 38 Если наружного блок установлен выше внутреннего блока:; Основные требования к монтажу фреонопровода; Принцип
- 39 Защитные меры при монтаже; Не кладите трубу прямо на землю или грязную поверхность.
- 40 Подготовка трубы; Аккуратно и качественно выполняйте подготовку труб.; Гибка труб; Примечания по гибке труб
- 41 Развальцовка труб; Медная труба; Отрежьте кромку трубы труборезом.
- 42 был установлен на расстоянии «А».; Максимальное расстояние «А», мм
- 43 Подключение труб; При затяжке трубопроводов используйте два гаечных ключа.; Момент затягивания, Н·м; Изоляция трубопроводов; Изоляционный материал; Толщина теплоизоляции, мм
- 44 Изоляция фреонопровода; быть теплоизолированы.; Изоляция мест соединений труб; ции может привести к образованию конденсата.; Изоляция трубопровода отвода конденсата; сти трубы может образовываться конденсат.
- 45 Вакуумирование и проверка на утечку; пенчатым вакуумным насосом!; Назначение вакуумной сушки; привести к выходу из строя системы.; Порядок работы вакуумирования; — применяется при первом монтаже новой системы и при усло-; Специальная вакуумная сушка; Обычное вакуумирование
- 47 Пожалуйста, обратите внимание на следующие моменты. Это важно!; блюдайте правила техники безопасности при работе с хладагентом!
- 48 Дозаправка хладагента; вляется из расчета соединительной трубы равной 5 м.; Хладагент следует заправлять в жидком состоянии.
- 49 Процедура проверки; ки. Точки проверки обозначены на рисунке ниже.
- 50 Электрические соединения; Перед выполнение каких-либо электрических работ
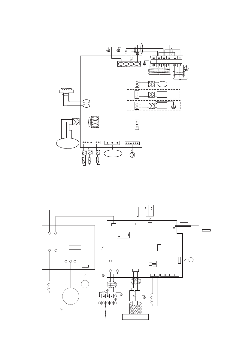
- 51 Справочная информация; Схемы подключения; Подключение электропитания к наружному блоку; чтобы снять защитную панель.
- 52 Правила безопасности; ключению до решения всех проблем.
- 53 Подключение пульта управления; Подцепите отверткой крышку пульта ДУ и снимите ее.; Установка на стену; ветствующую середине верхней кромки пульта ДУ.
- 55 Пусконаладка; ние на протяжении 3 минут после отключения.
- 56 Регламентное сервисное обслуживание; Регламент сервисного обслуживания; Чистка теплообменника внутреннего блока.
- 57 Код ошибки или защиты
- 58 Кривые расходов воздуха
- 61 Плата
- 64 Класс энергоэффективности оборудования