Кондиционеры Lessar LS-HE24DOA2/LU-HE24UOA2 - инструкция пользователя по применению, эксплуатации и установке на русском языке. Мы надеемся, она поможет вам решить возникшие у вас вопросы при эксплуатации техники.
Если остались вопросы, задайте их в комментариях после инструкции.
"Загружаем инструкцию", означает, что нужно подождать пока файл загрузится и можно будет его читать онлайн. Некоторые инструкции очень большие и время их появления зависит от вашей скорости интернета.

62
LS-HE24DOA2
C N 2
C N 1
C N 7
C N 6
4
C N 5
C N 9
X Y E S 2 S 1
C N 2 0
H B H A
C N 4 5
CN4
P1
P2
C N 4 0
1 0
C N 1 0
C N 1 5
C N 3 4
CN13
8
Переключатели функций
24
15
Остановка мотора
вентилятора
SW1
ON
1 2
ON
1 2
ON
1 2
ON
1 2
ЗАЩИТА ОТ ПОДАЧИ
ХОЛОДНОГО ВОЗДУХА
Зарезервировано
Заводск ая
установк а
АДРЕСАЦИЯ БЛОКОВ
ЦЕНТРАЛЬНОГО ПУЛЬТА
0 ~ 1 5
S2
+
S1
ON
1 2
ON
1 2
ON
1 2
ON
1 2
3 2 ~ 4 7
1 6 ~ 3 1
4 8 ~ 6 3
S2
+
S1
0
8
4
1 2
3
5
67
C
9A
B
D
E
F
АВТО РЕСТАРТ
S W 3
ВКЛЮЧИТЬ
ВЫКЛЮЧИТЬ
ON
ON
по
умолчанию
ТЕМП. КОМПЕНСАЦИЯ
S W 6
2
4
6
ON
1 2
ON
1 2
ON
1 2
ON
1 2
по
умолчанию
УПРАВЛЕНИЕ МОТОРОМ
ВЕНТИЛЯТОРА ПРИ ОТСУТСТВИИ
ПИТАНИЯ
S W 2
ВЕНТ. ВЫКЛ.
ВЕНТ. ВКЛ.
ON
ON
по
умолчанию
РЕЖИМ ВЫБОРА ПРИОРИТЕТА
S W 5
РЕЖИМ
H E AT
ON
1 2
ON
1 2
ON
1 2
ON
1 2
H E AT
C O O L
C O O L
по
умолчанию
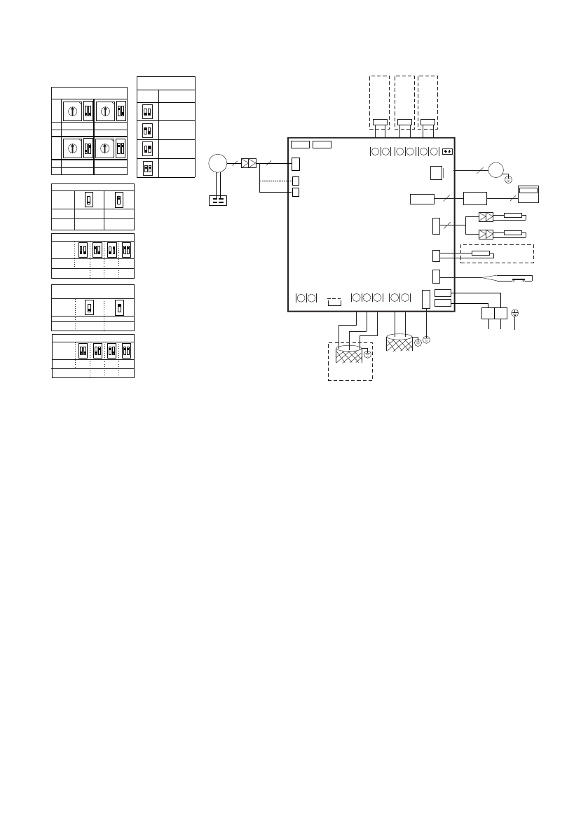
Основная плата управления
Вых
од сигнала ав
арии
Удаленное вк
лю
чение
Вентилят
ор для
св
ежег
о в
оз
дух
а
C N 3 3
A L A R M
J 7
C N 2 3
O N / O F F
C N 4 3
5
3
вентилятор
черный
2
5
Насос отвода конденсата
Плата
дисплея
LZ-UPW4F
датчик темп. трубы Т2
датчик темп. воздуха Т1
поплавок помпы
датчик темп. Т2В (опция)
L
N
черный
красный
Питание
1 / 220 В / 50 Гц
CN18
К центральному
управлению
К наружному блоку
0
8
4
1 2
3
5
67
C
9A
B
D
E
F
0
8
4
1 2
3
5
67
C
9A
B
D
E
F
0
8
4
1 2
3
5
67
C
9A
B
D
E
F
Содержание
- 3 Меры предосторожности; Во время эксплуатации
- 5 Правила электробезопасности
- 6 Назначение и принцип работы; осуществляется электронным блоком управления.; Принцип работы кондиционера в режиме охлаждения; работать на охлаждение при низких температурах.; Функция защиты от обмерзания; электромотор, вентилятор, электронный блок
- 7 Принцип работы кондиционера в режиме обогрева; зуйте другие способы обогрева, например, масляный обогреватель.; Принцип работы системы оттаивания кондиционера в режиме
- 8 Спецификация; Модель
- 9 Пульт управления LZ-UPW4F; Дисплей; произойдет переключение на режим AUTO.
- 10 Кнопки пульта управления LZ-UPW4F
- 11 Управление кондиционером; Запуск кондиционера; в режиме вентиляции настройка температуры невозможна.
- 12 Режим AUTO; в режиме «Авто» выбор скорости работы вентилятора осуществляется; Выбор скорости работы вентилятора; Примечания; Включение функции «Follow Me»; Дополнительный электрический нагреватель является опцией.; Настройка температуры; на в режиме вентиляции.; Настройка таймера
- 13 Функции блокировки и сброса настроек; ра установится на 24 °С.
- 14 Подготовка к эксплуатации; Перед запуском кондиционера проверьте следующие вещи:; Провод заземления подключен правильно и надежно?; Включение питания
- 15 Рекомендации по эксплуатации; Если вы долго не будете пользоваться кондиционером; Перед тем, как на длительное время отключить кондиционер; Перед тем, как включить кондиционер после длительного перерыва; Уход за кондиционером; Очистка внутреннего блока
- 16 Очистка воздушного фильтра; минимум один раз в две недели.
- 17 Очистка наружного блока; обслуживание авторизованными специалистами.; дорогостоящих деталей кондиционера!
- 18 Перед обращением в сервисный центр; онера, отключите электропитание и обратитесь в сервисный центр.; (вынули штепсель из розетки) и через 5 –10 секунд включили его снова.; Наименование
- 19 Ситуации не связанные с неисправностью кондиционера; Режим «Обогрев» только что включился.
- 21 Комплектность сплит-системы
- 22 Рабочая температура; Режим «Охлаждения» Режим «Обогрева» Режим «Осушения»; Держите двери и окна в помещении закрытыми.
- 23 Внутренние блоки
- 24 Наружные блоки
- 25 Порядок монтажа сплит-системы
- 26 шее обслуживание наружного блока.; При установке на крышу; предусмотрите маслоподъемные петли через каждые 6 метров.; Установка ветрозащитного экрана; Правильно
- 27 Установка внутреннего блока; Пространство для установки; По подготовке потолка проконсультируйтесь со строителями.; Сервисное пространство; ния работ по сервисному обслуживанию оборудования.; Установка блока; Деревянная конструкция
- 28 Изменение расположения отверстия для забора воздуха; с фланца фильтра и с боковых направляющих.
- 29 выходного отверстия для воздуха, задвиньте внутрь и вверх.
- 30 Подсоединение воздуховодов; нормами и стандартами.
- 31 Установка наружного блока; мальные условия работы блока.; Неправильно; Сервисное пространство для наружного блока
- 32 Шаг болтов; Производительность; Перемещение и установка
- 33 Слив конденсата с наружного блока; Порт для слива
- 34 Установка трубопровода отвода конденсата; Наружный диаметр патрубка для слива конденсата
- 35 на 75 мм, он не должен находиться в воде.; трубы, как показано на следующем рисунке.; Проверка дренажа; проверку необходимо выполнить до зашивки потолка.
- 36 Гибкий шланг
- 37 Монтаж линии хладагента; туре. Это может привести к взрыву и травмам.; Диаметры трубопроводов; наружный блок заправлен на заводе из расчета длины трубы не более; Маслоподьемные петли; Если внутренний блок установлен выше наружного блока:; вом трубопроводе могут предотвратить это.
- 38 Если наружного блок установлен выше внутреннего блока:; Основные требования к монтажу фреонопровода; Принцип
- 39 Защитные меры при монтаже; Не кладите трубу прямо на землю или грязную поверхность.
- 40 Подготовка трубы; Аккуратно и качественно выполняйте подготовку труб.; Гибка труб; Примечания по гибке труб
- 41 Развальцовка труб; Медная труба; Отрежьте кромку трубы труборезом.
- 42 был установлен на расстоянии «А».; Максимальное расстояние «А», мм
- 43 Подключение труб; При затяжке трубопроводов используйте два гаечных ключа.; Момент затягивания, Н·м; Изоляция трубопроводов; Изоляционный материал; Толщина теплоизоляции, мм
- 44 Изоляция фреонопровода; быть теплоизолированы.; Изоляция мест соединений труб; ции может привести к образованию конденсата.; Изоляция трубопровода отвода конденсата; сти трубы может образовываться конденсат.
- 45 Вакуумирование и проверка на утечку; пенчатым вакуумным насосом!; Назначение вакуумной сушки; привести к выходу из строя системы.; Порядок работы вакуумирования; — применяется при первом монтаже новой системы и при усло-; Специальная вакуумная сушка; Обычное вакуумирование
- 47 Пожалуйста, обратите внимание на следующие моменты. Это важно!; блюдайте правила техники безопасности при работе с хладагентом!
- 48 Дозаправка хладагента; вляется из расчета соединительной трубы равной 5 м.; Хладагент следует заправлять в жидком состоянии.
- 49 Процедура проверки; ки. Точки проверки обозначены на рисунке ниже.
- 50 Электрические соединения; Перед выполнение каких-либо электрических работ
- 51 Справочная информация; Схемы подключения; Подключение электропитания к наружному блоку; чтобы снять защитную панель.
- 52 Правила безопасности; ключению до решения всех проблем.
- 53 Подключение пульта управления; Подцепите отверткой крышку пульта ДУ и снимите ее.; Установка на стену; ветствующую середине верхней кромки пульта ДУ.
- 55 Пусконаладка; ние на протяжении 3 минут после отключения.
- 56 Регламентное сервисное обслуживание; Регламент сервисного обслуживания; Чистка теплообменника внутреннего блока.
- 57 Код ошибки или защиты
- 58 Кривые расходов воздуха
- 61 Плата
- 64 Класс энергоэффективности оборудования