Кондиционеры Lessar LS-HE18KLA2B/LU-HE18KLA2B - инструкция пользователя по применению, эксплуатации и установке на русском языке. Мы надеемся, она поможет вам решить возникшие у вас вопросы при эксплуатации техники.
Если остались вопросы, задайте их в комментариях после инструкции.
"Загружаем инструкцию", означает, что нужно подождать пока файл загрузится и можно будет его читать онлайн. Некоторые инструкции очень большие и время их появления зависит от вашей скорости интернета.

60
19.
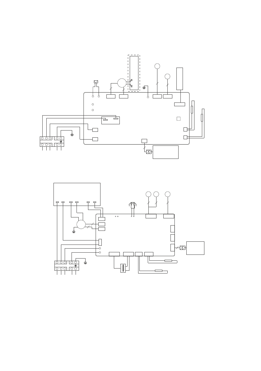
Электрические схемы
Внутренние блоки
LS-HE09KLA2B, LS-HE12KLA2B, LS-HE18KLA2B
JX1
P_1
W
2(N)
1(L)
S
CN13_1
CN13_2
CN12_1 CN12_2
К наружному блоку
(питание со стороны
наружного блока)
ж/з
белый
красный
черный/синий
желтый
S
CN16
CN11
AC-N
L-IN
L-OUT
RY1
3
4
3
3(2)
Вентилятор
Пла
та
конденса
торов в
ентилят
ора
С_1
С_2
CN6
CN4
CN5
CN14
Двигатель
жалюзи 1
CN-KEY
5
5
Двигатель
жалюзи 2
Пла
та управ
ления
жалюзи
CN44
CN8
CN9
Да
тчик т
емпера
ту
ры
помещ
ения
Да
тчик т
емпера
ту
ры
тр
убы
CN10A
8
Плата
дисплея
Основная плата
управления
LS-HE24KLA2B
JX1
W
2(N)
1(L)
S
К наружному блоку
(питание со стороны
наружного блока)
желтый
N.O.
COM.
C_1
C_2
CN1_COMP
CN2_COMP
бе
лый
синий (черный)
красный
красный
Вентилятор
3
2
белый
белый
ПЛАТА
РЕЛЕ
ОСНОВНАЯ ПЛАТА
УПРАВЛЕНИЯ
CN4
CN6
CN8
CN_N2 CN4
CNL
Ионизатор
черный
красный
ION
CN_N3
CN10
CN11
Двигатель
жалюзи
Двигатель
вертикальных жалюзи
5
5
5
CN9
CN8
CN5
8
Плата
дисплея
Датчик температуры
помещения
Датчик температуры
трубы
CN2
CN3
CN_TO
CN_TIN
CNN
CN_S
Трансформатор
Содержание
- 3 Меры предосторожности; При установке
- 5 Правила электробезопасности
- 6 Прочтите внимательно перед началом работы; Никогда не делайте этого!
- 9 Назначение; Принцип работы кондиционера в режиме охлаждения; Функция защиты от обмерзания
- 10 Авторестарт
- 11 Комплектность сплит-системы
- 12 Технические характеристики
- 14 Расположение элементов
- 15 Дистанционный инфракрасный пульт; Пульт управления Intellect
- 16 Кнопки управления; AUTO; FAN; FP; TIMER ON
- 17 TURBO
- 18 LED
- 19 Индикация на дисплее
- 20 Управление режимами работы; Автоматическая работа
- 21 Осушение; Таймер
- 22 Пример настройки таймера
- 24 Изменение положения жалюзи; Ручной запуск кондиционера
- 25 Замена элементов питания
- 26 Дисплей передней панели
- 27 Обслуживание и чистка кондиционера; Очистка фильтра
- 28 Очистка жалюзи; Крючок
- 32 Поиск и устранение неисправностей
- 34 Коды ошибок
- 35 Габаритные размеры
- 36 Наружный блок
- 37 Монтаж внутреннего блока
- 38 НЕ устанавливайте блок в следующих местах:; Этап 3. Крепление монтажной пластины к стене.
- 39 Правильное расположение монтажной пластины; Этап 4. Сверление отверстия в стене для коммуникаций.
- 40 Монтажная панель
- 41 Этап 5. Подготовка к монтажу трубопроводов хладагента.
- 42 Шаг 1. Закрепите внутренний блок на монтажной пластине.; Шаг 2. Подготовка блока к монтажу труб хладагента.; Wedge
- 43 Шаг 3. Подсоедините трубопровод хладагента.
- 44 ПЕРЕД ВЫПОЛНЕНИЕМ ЛЮБЫХ ЭЛЕКТРИЧЕСКИХ РАБОТ
- 45 Подключите сигнальный кабель.; Защитная крышка
- 46 Подсоедините дренажный шланг.; Этап 9. Установка внутреннего блока
- 47 Монтаж наружного блока
- 48 ЗАПРЕЩАЕТСЯ устанавливать агрегат в следующих местах:; Установка ветрозащитного экрана
- 49 При установке на крышу
- 50 Электрические соединения; Подключение кабеля к внутреннему блоку
- 51 Подключение кабеля к наружному блоку
- 52 Заправка хладагентом; Удаление воздуха вакуумным насосом; Порядок действий
- 55 Дозаправка системы; Последовательность операций
- 56 Процедура проверки
- 57 Проверка утечек электроэнергии и хладагента; Проверка электрических соединений перед тестовым запуском
- 58 Тестовый запуск; ЕСЛИ ТЕМПЕРАТУРА В ПОМЕЩЕНИИ НИЖЕ 17 °C
- 59 Регламент технического обслуживания
- 60 Электрические схемы; Внутренние блоки
- 61 Наружные блоки
- 63 Класс энергоэффективности оборудования; EER; SEER
- 64 Дата производства сплит-системы
- 65 Место производства оборудования