Кондиционеры KENTATSU KSGI70HFAN1 - инструкция пользователя по применению, эксплуатации и установке на русском языке. Мы надеемся, она поможет вам решить возникшие у вас вопросы при эксплуатации техники.
Если остались вопросы, задайте их в комментариях после инструкции.
"Загружаем инструкцию", означает, что нужно подождать пока файл загрузится и можно будет его читать онлайн. Некоторые инструкции очень большие и время их появления зависит от вашей скорости интернета.

Кондиционеры настенного типа. ICHI
30
Сплит-системы
11. Проверка после монтажа
Воздух и влага, находящиеся в системе хладагента, снижают эффективность работы кондиционера.
• Давление в системе повышается.
• Возрастает рабочий ток.
• Уменьшается эффективность охлаж дения или нагрева.
• Вследствие накопления льда в контуре хладагента закупоривается капиллярная трубка.
• Коррозия в системе хладагента.
Чтобы предотвратить снижение эффективности работы кондиционера вследствие наличия воздуха и влаги,
необходимо проверить на герметичность и вакуумировать внутренний блок, а так же соединяющие внутрен-
ний и наружный блоки трубы.
Проверка герметичности (с помощью мыльного раствора)
С помощью мягкой кисти нанесите мыльный раствор или нейтральное моющее средство на соединения вну-
треннего и наружного блоков. В случае наличия утечки газа на соединении будут образовываться пузырьки
воздуха.
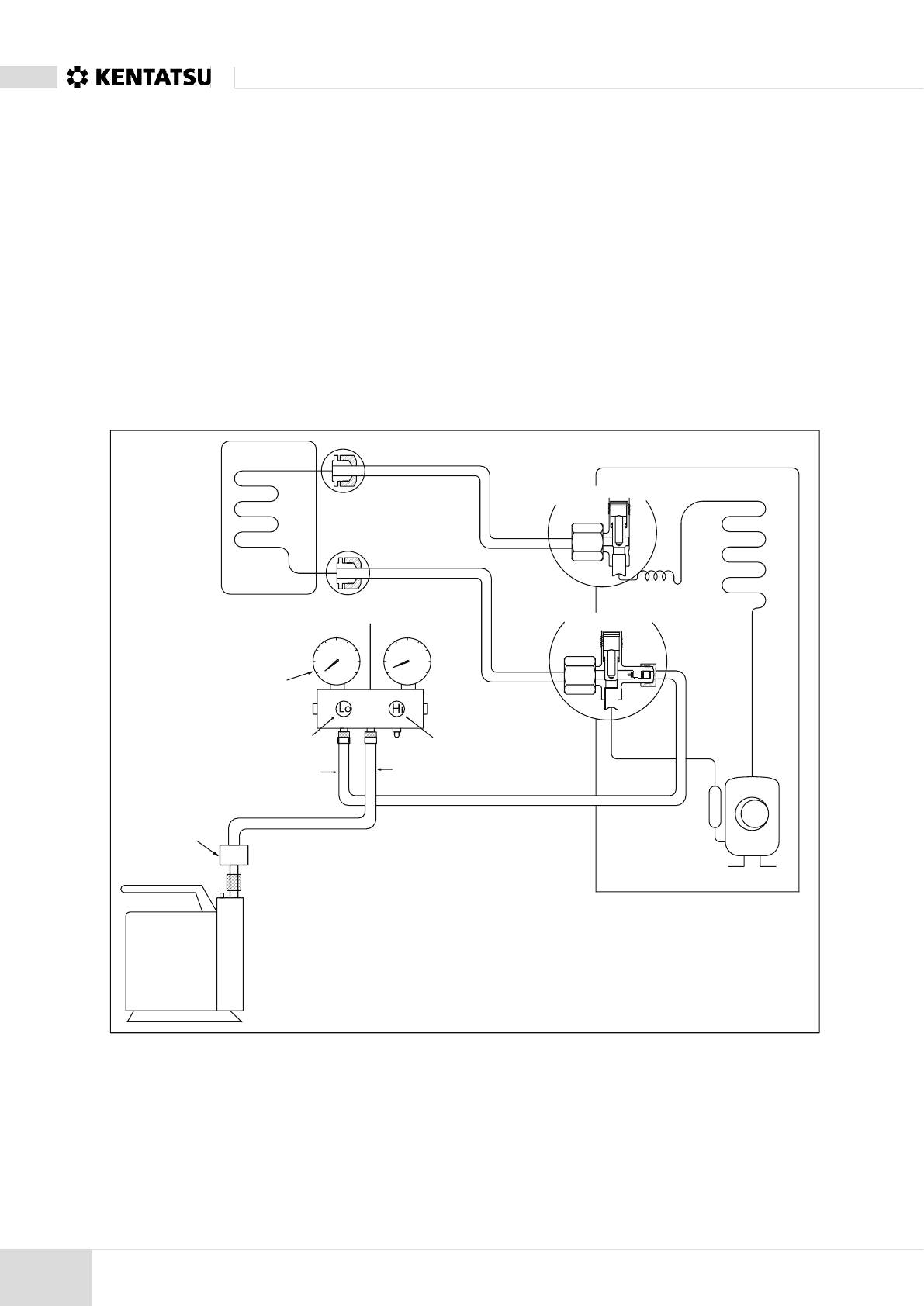
11.1. Удаление воздуха с помощью вакуумного насоса
Порядок действий
1. Затяните накидные гайки на наружном и внутреннем блоках и убедитесь, что 2-ходовой и 3-ходовой кла-
паны закрыты.
2. Присоедините заправочный шланг с ниппелем от штуцера крана низкого давления к сервисному отвер-
стию стороны газа 3-ходового клапана.
3. Присоедините еще один заправочный шланг к вакуумному насосу.
4. Полностью откройте кран низкого давления (Lo) распределителя.
5. Откачивайте систему вакуумным насосом в течение 30 минут.
а. Проверьте показания вакуумметра, они должны составлять -0,1 МПа (14,5 фунт/кв. дюйм).
(Внутренний
блок)
(Жидкостная линия)
(Газовая линия)
Распределитель
Вакуумметр
-0,1 MПа
Кран низкого давления (Lo)
Заправочный шланг
Манометр
Кран высокого давления (Hi)
Заправочный шланг
Вакуумный
насос
Вакуумный
насос
(Наружный блок)
2-ходовой клапан
3-ходовой клапан
Закрыт
Закрыт
Содержание
- 2 Кондиционеры настенного типа. ICHI; Содержание; Правила при работе с хладагентами
- 3 Меры предосторожности; Эксплуатация и техническое обслуживание
- 4 ВНИМАНИЕ; статочной прочностью.
- 5 Правила при работе с хладагентами (для легковоспламеняющихся; Отсутствие источников воспламенения
- 6 Проверки электрического оборудования; жать возможного искрения.; Ремонтные работы на герметичных компонентах
- 7 Обнаружение присутствия возгораемых хладагентов; • Должна соблюдаться следующая процедура:
- 9 Технические характеристики
- 12 Модель
- 16 Электрические схемы; Сокращения - внутренний блок; Сокращения - наружный блок; Сокращения
- 19 К ВНУТРЕННЕМУ БЛОКУ; Разъем; КРАСНЫЙ; СТАРТЕР PTC; КОНДЕНСАТОР; ЧЕРНЫЙ; ЧЕРНЫЙ; КРАСНЫЙ или ЧЕРНЫЙ
- 21 Длина и перепад высот трубопровода; Производительность; Внутренний блок установлен
- 22 Панель управления; Элементы панели управления; Дисплей А; Дисплей
- 23 Функции обеспечения безопасности; -минутная задержка компрессора при перезапуске; чается через 4 секунд.; Резервирование датчиков и автоматическое выключение
- 25 Для моделей 18К и меньшей производительности.
- 27 Режим работы; Охлаждение
- 28 Функция автоматического перезапуска
- 29 Дополнительные функции; происходит следующее.
- 30 Проверка после монтажа; Проверка герметичности (с помощью мыльного раствора); Удаление воздуха с помощью вакуумного насоса; Порядок действий
- 31 ОТКРЫТ
- 32 Сбор хладагента в наружном блоке; му отверстию стороны газа 3-ходового клапана.
- 33 Удаление воздуха с помощью вакуумного насоса; должайте откачку еще в течение 20 минут.
- 34 Вакуумирование всей системы
- 35 Заправка хладагента
- 36 Техника безопасности; ОПАСНО
- 37 Поиск и устранение часто встречающихся неисправностей; Для других ошибок
- 38 Бланк претензии
- 39 Информация о проверке параметров с помощью пульта ДУ
- 40 Отображаемый код; FT
- 41 nA
- 42 Диагностика ошибок, поиск и устранение неисправностей; Дистанционное техническое обслуживание; ние на месте, проверьте с заказчиком следующие пункты.
- 46 Быстрое техническое обслуживание с помощью кодов ошибок; Подлежащая замене деталь
- 47 Техническое обслуживание с помощью кодов ошибок; Рекомендуется подготовить следующие детали
- 49 S и N
- 51 вращения вентилятора, находящейся вне нормального диапазона)
- 52 Красный Черный Белый Желтый Синий
- 53 обрывом или коротким замыканием в цепи датчика температуры)
- 54 блока и платой дисплея)
- 57 Порядок проведения проверки; и фактическое значение могут отличаться.
- 59 КОм
- 61 iii) Давление у сервисного порта; БАР
Характеристики
Остались вопросы?Не нашли свой ответ в руководстве или возникли другие проблемы? Задайте свой вопрос в форме ниже с подробным описанием вашей ситуации, чтобы другие люди и специалисты смогли дать на него ответ. Если вы знаете как решить проблему другого человека, пожалуйста, подскажите ему :)