Кондиционеры KENTATSU KSGI70HFAN1 - инструкция пользователя по применению, эксплуатации и установке на русском языке. Мы надеемся, она поможет вам решить возникшие у вас вопросы при эксплуатации техники.
Если остались вопросы, задайте их в комментариях после инструкции.
"Загружаем инструкцию", означает, что нужно подождать пока файл загрузится и можно будет его читать онлайн. Некоторые инструкции очень большие и время их появления зависит от вашей скорости интернета.

Кондиционеры настенного типа. ICHI
18
Сплит-системы
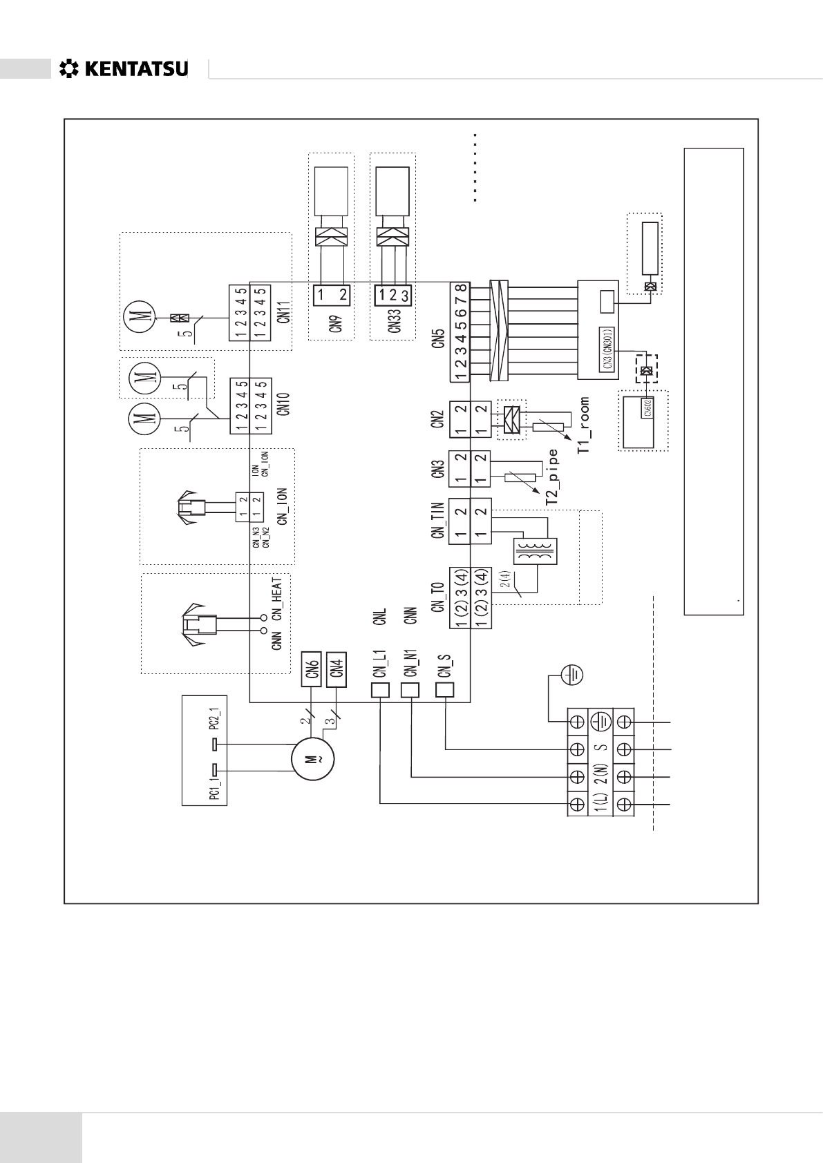
Схема электропроводки внутреннего блока: KSGI70HFAN1.
ЭЛЕ
КТ
РИ
ЧЕ
СК
АЯ
С
ХЕ
М
А
(В
НУ
ТР
ЕННИЙ
Б
ЛО
К)
ПЛ
АТА
К
ОН
ДЕ
НС
АТ
ОР
А
ВЕ
НТ
ИЛ
ЯТ
ОР
А
ОП
ЦИЯ
(Э
ЛЕ
КТР
ОН
АГР
ЕВ
АТЕ
ЛЬ
)
БЕ
ЛЫЙ
БЕ
ЛЫЙ
ТР
АНС
Ф
ОР
М
АТ
ОР
ПЛ
АТА
П
И
ТА
НИ
Я
ПЛ
АТ
А
ДИ
СПЛ
ЕЯ
Ко
нт
ро
лл
ер
W
i-F
i
Пр
ов
од
но
й п
ул
ьт
уп
рав
лен
ия
ОП
Ц
ИЯ
ОП
ЦИЯ
Ж
/З
4-
КО
НТ
АК
ТН
АЯ К
ЛЕ
М
М
НА
Я К
ОЛ
О
ДК
А
ВН
УТ
РЕ
ННИЙ
Б
ЛО
К
К Н
АР
УЖ
НО
М
У Б
ЛО
КУ
КРА
СН
Ы
Й
КРА
СН
Ы
Й
КРА
СН
Ы
Й
ЧЕ
РНЫЙ
ЧЕ
РНЫ
Й
или
или
или
или
К Б
ЛО
КУ О
БО
ГА
Щ
ЕН
ИЯ
КИ
СЛ
ОР
О
ДО
М И
ЛИ
ГЕ
НЕ
РА
ТОР
У
АН
ИОНОВ
ДВ
ИГ
АТ
ЕЛЬ
ПР
ИВ
ОД
А
Ж
АЛЮ
ЗИ
ДВ
ИГ
АТ
ЕЛЬ
ВЕ
РТ
ИК
АЛЬ
НО
ГО
ОТ
КЛ
ОНЕ
НИ
Я
Ж
АЛЮ
ЗИ
ПЛА
ЗМА
ГЛАВ
НА
Я
ПЛА
ТА
Ул
ьт
ра
-
зв
ук
ов
ой
гене
ра
то
р
При
меч
ан
ия
Пу
нк
ти
ро
м о
бо
зн
ач
ен
ы
элем
ен
ты
, п
ри
об
ре
та
ем
ые
до
по
лн
ит
ел
ьн
о. И
х в
не
ш
ни
й
ви
д м
ож
ет о
тл
ич
ат
ьс
я о
т п
о-
ка
за
нн
ог
о н
а с
хе
ме
.
ПР
ИМЕ
ЧА
НИ
Я
1. Ц
ве
та п
ро
во
до
в к
аб
ел
я п
ит
ан
ия (
L, N
, E
) з
ав
ис
ят о
т т
ре
бо
ва
ни
й с
та
нд
ар
то
в. Д
ля с
та
нд
ар
то
в I
EC
: (
КО
РИ
Ч-
НЕ
ВЫ
Й, С
ИН
ИЙ
, Ж
ЕЛ
Т./
ЗЕ
Л.
); д
ля с
та
нд
ар
то
в U
L: (
ЧЕ
РН
Ы
Й, Ж
ЕЛ
ТЫ
Й, З
ЕЛ
ЕН
Ы
Й)
.
2. К
ом
по
не
нт
ы в п
ря
мо
уг
ол
ьн
ой р
ам
ке д
ос
ту
пн
ы д
ля о
пр
ед
ел
ен
ны
х м
од
ел
ей к
он
ди
ци
он
ер
ов
.
СИНИЙ
БЕ
ЛЫЙ
ДВ
ИГ
АТ
ЕЛЬ
В
ЕН
ТИ
ЛЯ
ТО
РА
ВН
УТ
РЕ
ННЕ
ГО
Б
ЛО
КА
Содержание
- 2 Кондиционеры настенного типа. ICHI; Содержание; Правила при работе с хладагентами
- 3 Меры предосторожности; Эксплуатация и техническое обслуживание
- 4 ВНИМАНИЕ; статочной прочностью.
- 5 Правила при работе с хладагентами (для легковоспламеняющихся; Отсутствие источников воспламенения
- 6 Проверки электрического оборудования; жать возможного искрения.; Ремонтные работы на герметичных компонентах
- 7 Обнаружение присутствия возгораемых хладагентов; • Должна соблюдаться следующая процедура:
- 9 Технические характеристики
- 12 Модель
- 16 Электрические схемы; Сокращения - внутренний блок; Сокращения - наружный блок; Сокращения
- 19 К ВНУТРЕННЕМУ БЛОКУ; Разъем; КРАСНЫЙ; СТАРТЕР PTC; КОНДЕНСАТОР; ЧЕРНЫЙ; ЧЕРНЫЙ; КРАСНЫЙ или ЧЕРНЫЙ
- 21 Длина и перепад высот трубопровода; Производительность; Внутренний блок установлен
- 22 Панель управления; Элементы панели управления; Дисплей А; Дисплей
- 23 Функции обеспечения безопасности; -минутная задержка компрессора при перезапуске; чается через 4 секунд.; Резервирование датчиков и автоматическое выключение
- 25 Для моделей 18К и меньшей производительности.
- 27 Режим работы; Охлаждение
- 28 Функция автоматического перезапуска
- 29 Дополнительные функции; происходит следующее.
- 30 Проверка после монтажа; Проверка герметичности (с помощью мыльного раствора); Удаление воздуха с помощью вакуумного насоса; Порядок действий
- 31 ОТКРЫТ
- 32 Сбор хладагента в наружном блоке; му отверстию стороны газа 3-ходового клапана.
- 33 Удаление воздуха с помощью вакуумного насоса; должайте откачку еще в течение 20 минут.
- 34 Вакуумирование всей системы
- 35 Заправка хладагента
- 36 Техника безопасности; ОПАСНО
- 37 Поиск и устранение часто встречающихся неисправностей; Для других ошибок
- 38 Бланк претензии
- 39 Информация о проверке параметров с помощью пульта ДУ
- 40 Отображаемый код; FT
- 41 nA
- 42 Диагностика ошибок, поиск и устранение неисправностей; Дистанционное техническое обслуживание; ние на месте, проверьте с заказчиком следующие пункты.
- 46 Быстрое техническое обслуживание с помощью кодов ошибок; Подлежащая замене деталь
- 47 Техническое обслуживание с помощью кодов ошибок; Рекомендуется подготовить следующие детали
- 49 S и N
- 51 вращения вентилятора, находящейся вне нормального диапазона)
- 52 Красный Черный Белый Желтый Синий
- 53 обрывом или коротким замыканием в цепи датчика температуры)
- 54 блока и платой дисплея)
- 57 Порядок проведения проверки; и фактическое значение могут отличаться.
- 59 КОм
- 61 iii) Давление у сервисного порта; БАР
Характеристики
Остались вопросы?Не нашли свой ответ в руководстве или возникли другие проблемы? Задайте свой вопрос в форме ниже с подробным описанием вашей ситуации, чтобы другие люди и специалисты смогли дать на него ответ. Если вы знаете как решить проблему другого человека, пожалуйста, подскажите ему :)