Кондиционеры Ariston 70 - инструкция пользователя по применению, эксплуатации и установке на русском языке. Мы надеемся, она поможет вам решить возникшие у вас вопросы при эксплуатации техники.
Если остались вопросы, задайте их в комментариях после инструкции.
"Загружаем инструкцию", означает, что нужно подождать пока файл загрузится и можно будет его читать онлайн. Некоторые инструкции очень большие и время их появления зависит от вашей скорости интернета.

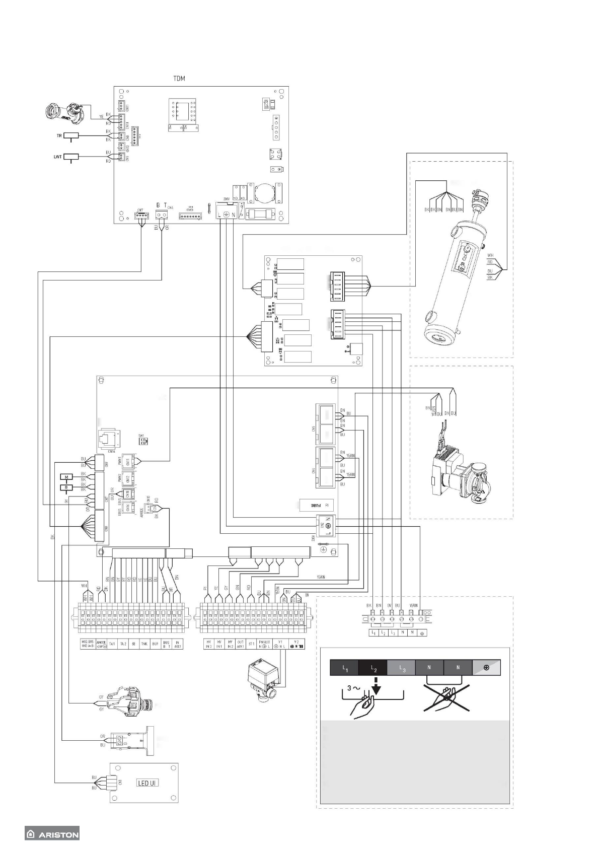
ЕЛЕКТРИЧНА СХЕМА — БЛОК КЕРУВАННЯ ВНУТРІШНЬОГО БЛОКА (FS 90-100 S)
76 / GB
ЛІЧИЛЬНИК
BK = чорний
BN = коричневий
BU = синій
RD = червоний
OR -
оранжевий
YE = жовтий
GN = зелений
GY = сірий
WH = білий
PI = рожевий
ЕЛЕКТРИЧНИЙ
ОПІР
ЗАПОБІЖНИЙ
ТЕРМОСТАТ
РЕЗЕРВНИЙ ІНТЕРФЕЙС
В
ИХ
ІД
Ж
ИВ
Л
ЕН
НЯ
В
Х
ІД
Ж
ИВ
Л
Е
ННЯ
РЕЛЕ ТИСКУ
СИСТЕМНИЙ
ІНТЕРФЕЙС
ПОПЕРЕДЖЕННЯ
ПЕРЕД ОТРИМАННЯМ ДОСТУПУ ДО КЛЕМ ПОТРІБНО
ВИМКНУТИ ВСІ ДЖЕРЕЛА ЖИВЛЕННЯ.
ПІД'ЄДНАННЯ ЖИВЛЕННЯ (ОДНОФАЗНЕ):
НЕ ВИЙМАЙТЕ МЕТАЛЕВІ ПЛАСТИНИ З ПОСАДКОВОГО
МІСЦЯ.
ПІД'ЄДНАННЯ ЖИВЛЕННЯ (ТРИФАЗНЕ):
ВИЙМІТЬ ТІЛЬКИ МЕТАЛЕВІ ПЛАСТИНИ, ВСТАВЛЕНІ МІЖ
ФАЗАМИ L1, L2 ТА L3.
ПЛАТА ENERGY
MANAGER
ПОС Л
ІД
О
В
Н
Е
З
’
ЄД
Н
А
Н
НЯ
ЗА
П
О
Б
І
Ж
Н
И
К
К
Л
А
П
АН
2
К
Л
А
П
АН
1
Н
А
С
О
С
2
Н
А
С
О
С
1
Насос
Характеристики
Остались вопросы?Не нашли свой ответ в руководстве или возникли другие проблемы? Задайте свой вопрос в форме ниже с подробным описанием вашей ситуации, чтобы другие люди и специалисты смогли дать на него ответ. Если вы знаете как решить проблему другого человека, пожалуйста, подскажите ему :)