Кондиционеры Electrolux ESVMO-280-A - инструкция пользователя по применению, эксплуатации и установке на русском языке. Мы надеемся, она поможет вам решить возникшие у вас вопросы при эксплуатации техники.
Если остались вопросы, задайте их в комментариях после инструкции.
"Загружаем инструкцию", означает, что нужно подождать пока файл загрузится и можно будет его читать онлайн. Некоторые инструкции очень большие и время их появления зависит от вашей скорости интернета.
Загружаем инструкцию

34
electrolux
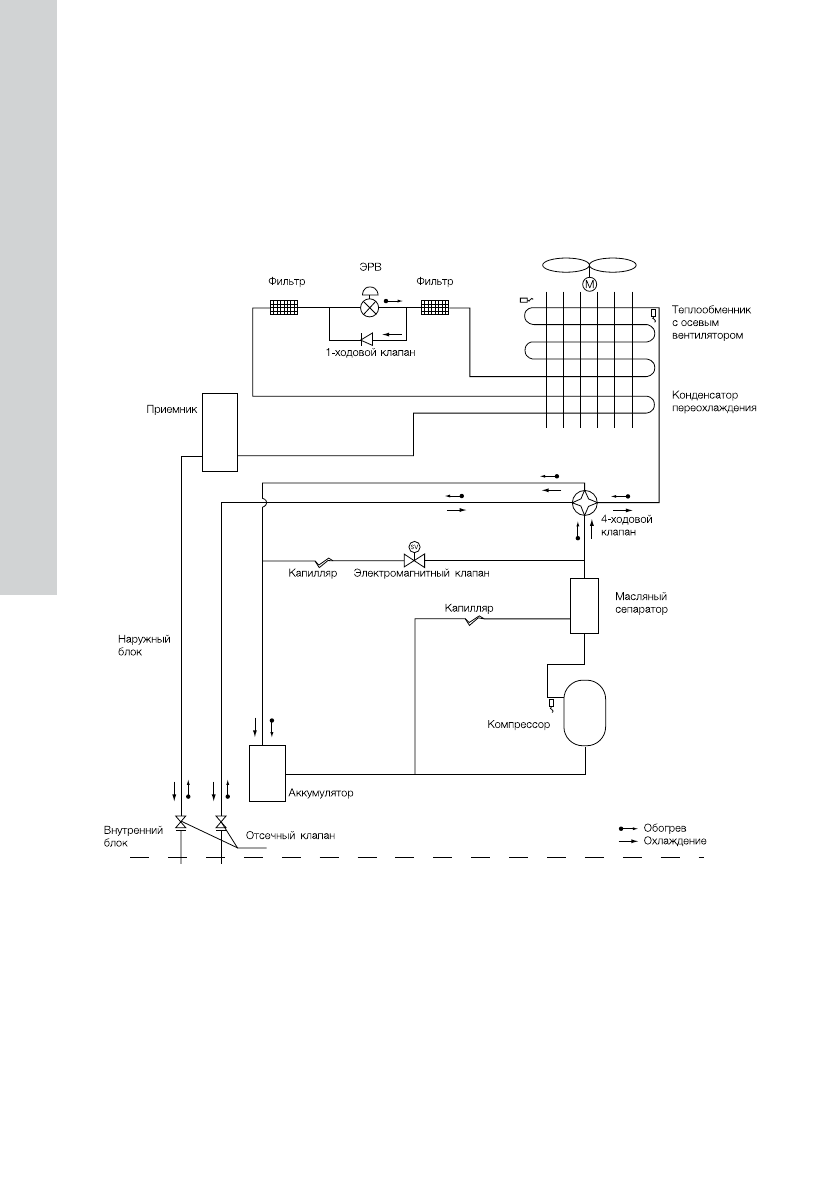
пРинцип Работы
наРУжноГо блока
наружный блок с тепловым
насосом мультизональной системы
кондиционирования
Содержание
- 3 наружные блоки мультизональных систем; Указания для пользоВателя; ОСТОРОЖНО
- 5 прокладка кабеля; комбинации модульных блоков и выбор автомата.
- 6 Рекомендуемые комбинации модульных блоков и; питание внутренних блоков.; Примечания; оборудование заземления; Сопротивление заземления должно соответство-; контроль уровня шума
- 7 дополнительные принадлежности; избегайте прямого солнечного света.; Установка наружного блока
- 11 Сервисное пространство многомодульных блоков.
- 12 при монтаже «зад к заду»
- 13 ЭлектРиЧеСкие Соединения; Примечание
- 14 диаметр труб между наружным блоком и трой-
- 15 Соединительная труба модулей блока должна
- 16 примеры монтажа труб между модулями наруж-
- 18 агрегаты производительностью 60 кВт и выше
- 19 Размеры соединительных труб; Замечание; Соединение тройника
- 21 СлаботоЧная коММУтация; ) На линии связи последнего внутреннего
- 22 Соединение одиночного наружного блока
- 23 Соединение модульного наружного блока через
- 24 задание блоков
- 25 DIP-переключатели модульных наружных блоков
- 29 заполнение системы хладагентом; на заводе наружные блоки заполняются хлада-
- 30 ) Заправка хладагента через газовую трубу
- 31 жидкостная линия; проверка после монтажа
- 32 Следующие ситуации не являются неисправностями
- 33 послепродажное обслуживание; проверка перед пробным пуском
- 36 обСлУжиВание
- 37 Во избежание поражения электрическим током; техниЧеСкие данные; ность и шум измерялись на заводе.; диапазон рабочих температур
- 38 Эксплуатационные параметры наружных блоков
- 39 Утилизация; Сертификат соответствия:
- 40 ГаРантийные обязательСтВа
- 42 Сведения о монтажных и пусконаладочных работах*; Сведения о гарантийном ремонте
- 44 Electrolux is a registered trademark used under












