Кондиционеры Electrolux EACU — 48 H - инструкция пользователя по применению, эксплуатации и установке на русском языке. Мы надеемся, она поможет вам решить возникшие у вас вопросы при эксплуатации техники.
Если остались вопросы, задайте их в комментариях после инструкции.
"Загружаем инструкцию", означает, что нужно подождать пока файл загрузится и можно будет его читать онлайн. Некоторые инструкции очень большие и время их появления зависит от вашей скорости интернета.

14
electrolux
кондиционеры
15
E
EACU-24H
EACU-36H
EACU-48H
Модель кондиционера
тепло/холод
тепло/холод
тепло/холод
охлаждение 7000
10000
12000
Производительность
нагрев
Вт
8400 11000 13500
охлаждение 3470
4260
5937
Потребляемая
мощность
нагрев
Вт/ч
2955 4160 5051
охлаждение 18
7
8,3
Номинальный ток
нагрев
А
16 6,5 8,1
диаметр труб, мм
жидкость
3/8"(9,52)
1/2-(12,7)
газ
5/8"(15,88)
3/4"(19.05)
длина/max длина*
5 / 10
Характеристика
фреоновой трассы
перепад высот
(max)
м
5
Тип хладагента
R22
Масса хладагента*
кг
2,5
3,1
3,95
Расход воздуха
м
3
/час 1170
2100
2500
Напряжение питания
220V , 50Нz
3N 380V 50Hz
номинальный ток
А
20
10
Автоматический
выключатель
характеристика отключения
С
подвод питания
к внешнему
блоку 3 х
х 2.5 мм
к внешнему
блоку 5 х 2.5
мм
электрический
кабель 3 х
х 2,5 мм
электрический
кабель 3 х
х 0,75 мм
Электросоединение
межблочное
электросоединение
кабели управления 5 х 1,0 и 4x1,0 мм
внутренний
1300x188x600
1590x238x695
Габариты (высота х
ширина х глубина)
наружный
мм
950x412x840 1040x410x840 1040x410x840
внутренний 32
42
Вес
наружный
кг
75 90
внутренний 48
52
35
Уровень шума
наружный
dB(A)
58 62 54
* При увеличении длинны трассы более 5 м необходимо дозаправить кондиционер в расчете
30 г. фреона на 1 м длины для кондиционеров с производительностью 7 кВт и 50 г/м для кон-
диционеров производительностью 10 кВт и 12 кВт.
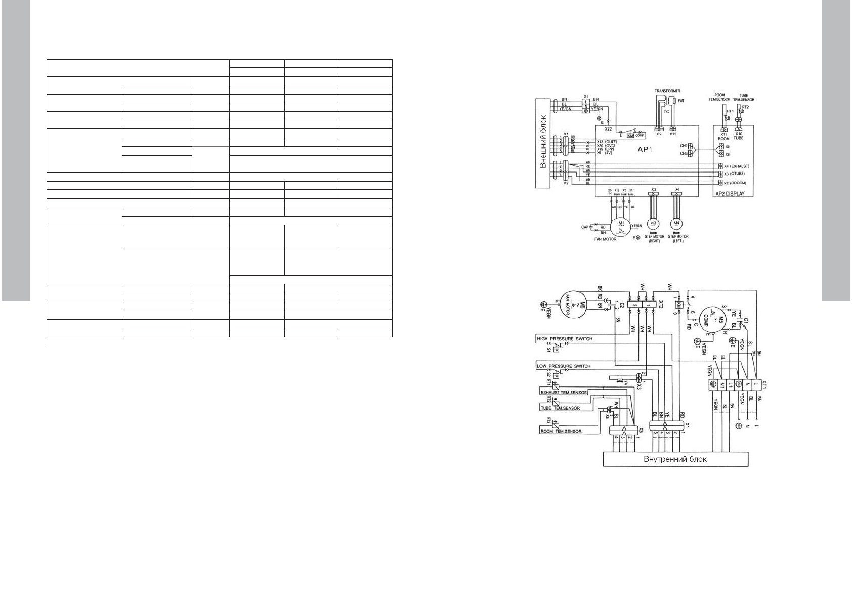
Схемы электрические
функциональные
Схема внешнего блока модели EACH-24H
Схема внутреннего блока модели EACH-24H
Технические характеристики
Утилизация
По окон ча нии сро ка служ бы кон ди ци о нер
сле ду ет ути ли зи ро вать.По дроб ную ин фор ма-
цию по ути ли за ции кондционера Вы мо же те
по лу чить у пред ста ви те ля ме ст но го ор га на
вла с ти.
Сертификация
Товар сертифицирован на территории
России, соответствует требованиям нор-
мативных документов:
ГОСТ Р МЭК 335-1-94,
ГОСТ Р МЭК 60335-2-40-2000,
ГОСТ Р 51318.14.1-2006 (р.4),
ГОСТ Р 51318.14.2-2006 (разд.5,7),
ГОСТ Р 51317.3.2-2006 (разд.6,7),
ГОСТ Р 51317.3.3-99.
Сертификат соответствия:
РОСС SE.АИ46.В08361
Срок действия:
с 25.12.2008 по 23.12.2009
Орган по сертификации:
РОСС RU.0001.11АИ46
ОС ПРОДУКЦИИ АНО “СТАНДАРТ-ТЕСТ“
Адрес: 115088, РФ, г. Москва,
ул. Шарикоподшипниковская, д.11.
Тел.: (495) 646-35-16; факс: (495) 646-35-17;
e-mail: info@sertcenter.ru
Информация о сертификации продукции
обновляется ежегодно
Сертификат выдан:
фирма “AB Electrolux”
S:T Goransgatan 143, SE-105 45 Stockholm,
Швеция, тел.: +46 8 738 60 00.
Изготовитель:
фирма “AB Electrolux” S:T
Goransgatan 143, SE-105 45 Stockholm, Швеция.