Кондиционеры Daikin EWWQ-B-SS - инструкция пользователя по применению, эксплуатации и установке на русском языке. Мы надеемся, она поможет вам решить возникшие у вас вопросы при эксплуатации техники.
Если остались вопросы, задайте их в комментариях после инструкции.
"Загружаем инструкцию", означает, что нужно подождать пока файл загрузится и можно будет его читать онлайн. Некоторые инструкции очень большие и время их появления зависит от вашей скорости интернета.

D
–EIMWC00504-14RU - 57/68
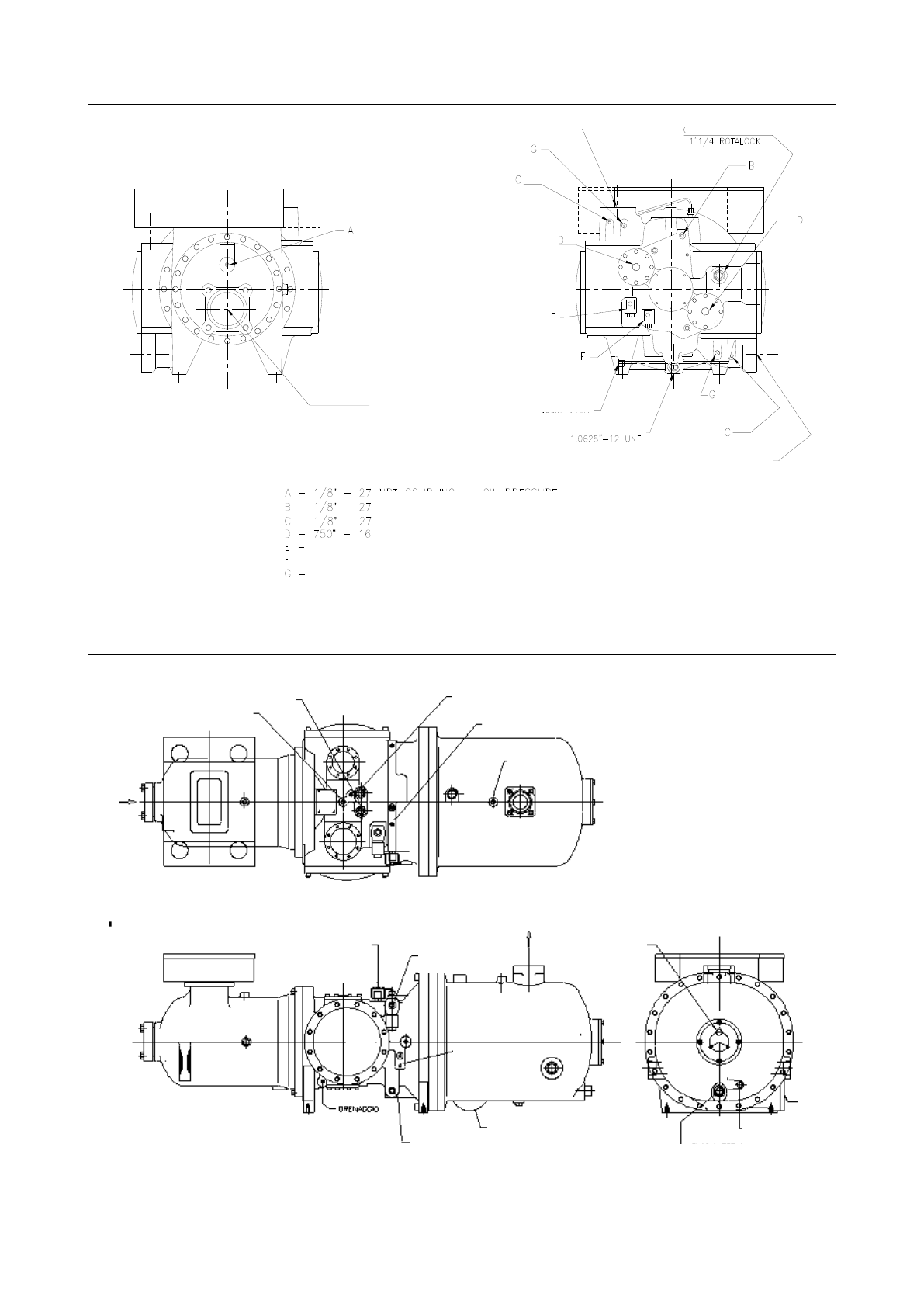
Рис. 28
– Расположение устройств управления компрессора Fr4
Рис. 29
– Расположение устройств управления компрессора Fr3200
В
СА
СЫ
В
А
Н
ИЕ
ОТВЕРСТИЕ ЭКОНОМАЙЗЕРА
ПОДЪЕМ
ОТВЕРСТИЕ ЭКОНОМАЙЗЕРА
РЕЛЕ ВЫС. ДАВЛЕНИЯ
ПОДЪЕМ
СОЛЕНОИДНЫЙ КЛАПАН НАГРУЗКИ
СОЛЕНОИДНЫЙ
КЛАПАН РАЗГРУЗКИ
ВЫПУСК
ДАТЧИК
ВЫСОКОГО
ДАВЛЕНИЯ
МАСЛЯНЫЙ ФИЛЬТР
ДАТЧИК ДАВЛЕНИЯ МАСЛА
КРАН
ЗАЛИВКИ
МАСЛА
МАСЛЯНЫЙ
ФИЛЬТР
ПОЛОЖЕНИЕ ДАТЧИКА
ТЕМПЕРАТУРЫ
ОБОЛОЧКА НАГРЕВАТЕЛЯ МАСЛООТСТОЙНИКА ДЛЯ
ДАТЧИКА ДАВЛЕНИЯ МАСЛА
В
СА
СЫ
В
А
Н
ИЕ
ОТВЕРСТИЕ ЭКОНОМАЙЗЕРА
ПОДЪЕМ
ОТВЕРСТИЕ ЭКОНОМАЙЗЕРА
РЕЛЕ ВЫС. ДАВЛЕНИЯ
ПОДЪЕМ
СОЛЕНОИДНЫЙ КЛАПАН НАГРУЗКИ
СОЛЕНОИДНЫЙ
КЛАПАН РАЗГРУЗКИ
ВЫПУСК
ДАТЧИК
ВЫСОКОГО
ДАВЛЕНИЯ
МАСЛЯНЫЙ ФИЛЬТР
ДАТЧИК ДАВЛЕНИЯ МАСЛА
КРАН
ЗАЛИВКИ
МАСЛА
МАСЛЯНЫЙ
ФИЛЬТР
ПОЛОЖЕНИЕ ДАТЧИКА
ТЕМПЕРАТУРЫ
ОБОЛОЧКА НАГРЕВАТЕЛЯ МАСЛООТСТОЙНИКА ДЛЯ
ДАТЧИКА ДАВЛЕНИЯ МАСЛА
ВПУСК ГАЗА
ВЫПУСК ГАЗА
КРАН ЗАЛИВКИ МАСЛА
НАГРЕВАТЕЛЬНЫЙ
ЭЛЕМЕНТ 400 Вт – 115 В
СЛИВ МАСЛА
ВЫПУСК ГАЗА
УСЛОВНЫЕ ОБОЗНАЧЕНИЯ:
СОЕДИНЕНИЕ NPT (НОРМ. ТРУБНАЯ РЕЗЬБА) – НИЗКОЕ ДАВЛЕНИЕ
СОЕДИНЕНИЕ NPT (НОРМ. ТРУБНАЯ РЕЗЬБА) – ДАВЛЕНИЕ МАСЛА
ВЫСОКОЕ ДАВЛЕНИЕ – 2 ПОЛОЖЕНИЯ
СОЕДИНЕНИЕ UN (АМЕРИКАНСКАЯ УНИФИЦИРОВАННАЯ ТОНКАЯ РЕЗЬБА) – ЛИНЕЙНЫЙ ДАТЧИК
СОЛЕНОИДНЫЙ КЛАПАН НАГРУЗКИ КОМПРЕССОРА
СОЛЕНОИДНЫЙ КЛАПАН РАЗГРУЗКИ КОМПРЕССОРА
ДАТЧИК ТЕМПЕРАТУРЫ ПРИ МАКС. ПРОИЗВОДИТЕЛЬНОСТИ (2 шт.)
Содержание
- 2 Содержание
- 4 Общая информация; ПРЕДОСТЕРЕЖЕНИЕ; Предупреждения для оператора; Техническая поддержка
- 7 НОМЕНКЛАТУРА; EWW Q 380 B - S S 0 01
- 10 Таблица 3 – EWWQC11B-SS~EWWQC15B – Технические данные
- 16 Уровни шума EWWQ B-SS
- 17 Эксплуатационные ограничения; Хранение; ПРЕДУПРЕЖДЕНИЕ
- 18 Рис. 1 – Эксплуатационные ограничения
- 19 Механическая установка; Транспортировка; Перемещение и подъем
- 20 Установка на месте и сборка
- 23 Установка реле расхода
- 24 Рис. 5 - Регулировка защитного реле расхода
- 25 Рис. 6 – Падение давления в испарителе – EWWQ B-SS; re; E F; Пад
- 26 Рис. 7 – Падение давления в испарителе – EWWQ B-SS; res; D E
- 27 Рис. 8 – Падение давления в испарителе – EWWQ B-XS; Water evaporator pressure drop - Proximus 3200 SE XE
- 28 Рис. 9 – Падение давления в испарителе – EWWQ B-XS; B C
- 29 Рис. 10 – Падение давления в конденсаторе – EWWQ B-SS; Water condenser pressure drop - Proximus 3200 SE ST
- 30 Рис. 11 – Падение давления в конденсаторе – EWWQ B-SS
- 31 Рис. 12 – Падение давления в конденсаторе – EWWQ B-XS; Water condenser pressure drop - Proximus 3200 SE XE
- 32 Рис. 13 – Падение давления в конденсаторе – EWWQ B-XS
- 33 – Падение давления при частичной рекуперации тепла – EWWQ B-SS; A B
- 34 A B C; Па
- 35 – Падение давления при частичной рекуперации тепла – EWWQ B-XS; A B C D
- 36 Water partial heat recovery pressure drop - Proximus 4200 SE XE
- 37 Электрическая установка; Общие технические условия
- 38 Таблица 12 – Электрические данные агрегата EWWQ B-SS
- 39 Таблица 13 – Электрические данные агрегата EWWQ B-XS
- 40 Двойное заданное значение – Электропроводка
- 42 Эксплуатация; Обязанности оператора; Описание холодильного цикла
- 43 WOE
- 47 Описание холодильного цикла с частичной рекуперацией тепла
- 50 Рис. 26 – Механизм регулирования холодопроизводительности
- 51 Рис. 27 – Механизм регулирования производительности
- 52 Предпусковые проверки; Общие положения
- 53 Агрегаты с внешним водяным насосом; Электропитание; Дисбаланс напряжения питания; max; Электропитание электронагревателей
- 54 Порядок запуска; Включение агрегата
- 56 Техническое обслуживание системы; Техническое обслуживание компрессора
- 58 Замена фильтра-осушителя
- 59 Порядок замены фильтра-осушителя
- 60 Замена масляного фильтра
- 62 Зарядка хладагента
- 63 Процедура дозаправки хладагента
- 64 Стандартные проверки
- 65 Контрольная карта; Измерения параметров воды; Электрические измерения
- 66 Обслуживание и ограниченная гарантия












