Кондиционеры Daikin EWWQ-B-SS - инструкция пользователя по применению, эксплуатации и установке на русском языке. Мы надеемся, она поможет вам решить возникшие у вас вопросы при эксплуатации техники.
Если остались вопросы, задайте их в комментариях после инструкции.
"Загружаем инструкцию", означает, что нужно подождать пока файл загрузится и можно будет его читать онлайн. Некоторые инструкции очень большие и время их появления зависит от вашей скорости интернета.

D
–EIMWC00504-14RU - 22/68
7.
Другой фильтр следует установить на входном водяном трубопроводе агрегата, рядом с испарителем и
устройством рекуперации тепла (если оно установлено). Фильтр предотвращает попадание посторонних
твердых частиц в теплообменник, так как это может его повредить или снизить теплообменную
способность.
8.
На зимний период необходимо сливать воду из устройства рекуперации тепла, если в водяной контур не
добавлена смесь этиленгликоля соответствующей плотности.
9.
Если агрегат устанавливается вместо другого агрегата, всю воду из системы необходимо слить и
промыть, прежде чем устанавливать новый агрегат. Перед запуском нового агрегата рекомендуется
выполнить соответствующие анализы и химическую обработку воды.
10.
Если в водяную систему для предотвращения замерзания добавляется гликоль, обратите внимание на
то, что давление всасывания уменьшится, производительность агрегата снизится, а перепады давления
воды увеличатся. Все защитные системы оборудования, такие как защита от замерзания и защита по
низкому давлению, необходимо будет перенастроить.
Перед изоляцией водяных трубопроводов следует провести проверку на предмет утечек.
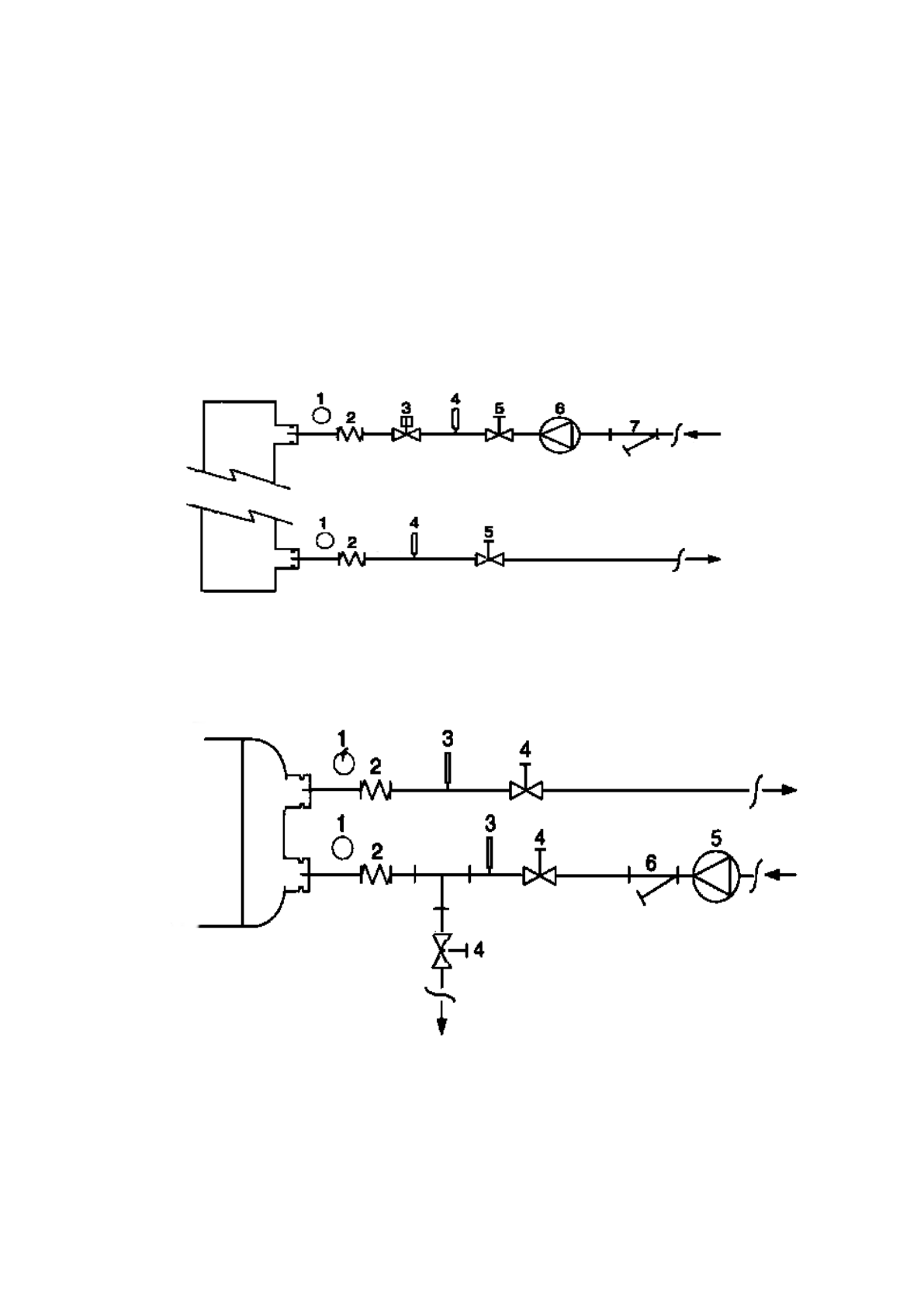
Рис. 4 –
Подключение водяного трубопровода к теплообменникам рекуперации тепла
1.
Манометр
2.
Гибкий соединитель
3.
Реле расхода
4.
Термометр
4.
Запорный клапан
5.
Насос
6.
Фильтр
ИСПАРИТЕЛЬ
1.
Манометр
2.
Гибкий соединитель
3.
Термометр
7.
Запорный клапан
8.
Насос
9.
Фильтр
Содержание
- 2 Содержание
- 4 Общая информация; ПРЕДОСТЕРЕЖЕНИЕ; Предупреждения для оператора; Техническая поддержка
- 7 НОМЕНКЛАТУРА; EWW Q 380 B - S S 0 01
- 10 Таблица 3 – EWWQC11B-SS~EWWQC15B – Технические данные
- 16 Уровни шума EWWQ B-SS
- 17 Эксплуатационные ограничения; Хранение; ПРЕДУПРЕЖДЕНИЕ
- 18 Рис. 1 – Эксплуатационные ограничения
- 19 Механическая установка; Транспортировка; Перемещение и подъем
- 20 Установка на месте и сборка
- 23 Установка реле расхода
- 24 Рис. 5 - Регулировка защитного реле расхода
- 25 Рис. 6 – Падение давления в испарителе – EWWQ B-SS; re; E F; Пад
- 26 Рис. 7 – Падение давления в испарителе – EWWQ B-SS; res; D E
- 27 Рис. 8 – Падение давления в испарителе – EWWQ B-XS; Water evaporator pressure drop - Proximus 3200 SE XE
- 28 Рис. 9 – Падение давления в испарителе – EWWQ B-XS; B C
- 29 Рис. 10 – Падение давления в конденсаторе – EWWQ B-SS; Water condenser pressure drop - Proximus 3200 SE ST
- 30 Рис. 11 – Падение давления в конденсаторе – EWWQ B-SS
- 31 Рис. 12 – Падение давления в конденсаторе – EWWQ B-XS; Water condenser pressure drop - Proximus 3200 SE XE
- 32 Рис. 13 – Падение давления в конденсаторе – EWWQ B-XS
- 33 – Падение давления при частичной рекуперации тепла – EWWQ B-SS; A B
- 34 A B C; Па
- 35 – Падение давления при частичной рекуперации тепла – EWWQ B-XS; A B C D
- 36 Water partial heat recovery pressure drop - Proximus 4200 SE XE
- 37 Электрическая установка; Общие технические условия
- 38 Таблица 12 – Электрические данные агрегата EWWQ B-SS
- 39 Таблица 13 – Электрические данные агрегата EWWQ B-XS
- 40 Двойное заданное значение – Электропроводка
- 42 Эксплуатация; Обязанности оператора; Описание холодильного цикла
- 43 WOE
- 47 Описание холодильного цикла с частичной рекуперацией тепла
- 50 Рис. 26 – Механизм регулирования холодопроизводительности
- 51 Рис. 27 – Механизм регулирования производительности
- 52 Предпусковые проверки; Общие положения
- 53 Агрегаты с внешним водяным насосом; Электропитание; Дисбаланс напряжения питания; max; Электропитание электронагревателей
- 54 Порядок запуска; Включение агрегата
- 56 Техническое обслуживание системы; Техническое обслуживание компрессора
- 58 Замена фильтра-осушителя
- 59 Порядок замены фильтра-осушителя
- 60 Замена масляного фильтра
- 62 Зарядка хладагента
- 63 Процедура дозаправки хладагента
- 64 Стандартные проверки
- 65 Контрольная карта; Измерения параметров воды; Электрические измерения
- 66 Обслуживание и ограниченная гарантия












