Компрессоры Remeza СБ 4/С-100.J2047 B - инструкция пользователя по применению, эксплуатации и установке на русском языке. Мы надеемся, она поможет вам решить возникшие у вас вопросы при эксплуатации техники.
Если остались вопросы, задайте их в комментариях после инструкции.
"Загружаем инструкцию", означает, что нужно подождать пока файл загрузится и можно будет его читать онлайн. Некоторые инструкции очень большие и время их появления зависит от вашей скорости интернета.

8
Рисунок 4
А
,
N
,
-
п
р
о
в
о
д
а
п
о
д
к
л
ю
ч
е
н
и
я
п
и
т
а
ю
щ
е
й
с
е
т
и
P
E
-
п
р
о
в
о
д
з
а
щ
и
т
ы
B
P
-
п
р
е
с
с
о
с
т
а
т
M
-
э
л
е
к
т
р
о
д
в
и
г
а
т
е
л
ь
C
-
к
о
н
д
е
н
с
а
т
о
р
(
5
0
µ
F
,
4
5
0
V
)
X
S
-
в
и
л
к
а
м
о
д
е
л
и
8
2
K
K
-
т
е
п
л
о
в
о
е
р
е
л
е
1
6
А
,
2
5
0
V
A
C
А N
~
5
0
H
z
,
2
3
0
V
X
S
<
Р В
Р
M
К
К
С
Р
Е
А N
~
5
0
H
z
,
2
3
0
V
X
S
<
Р В
Р
M
С
Р
Е
А
,
N
,
-
п
р
о
в
о
д
а
п
о
д
к
л
ю
ч
е
н
и
я
п
и
т
а
ю
щ
е
й
с
е
т
и
P
E
-
п
р
о
в
о
д
з
а
щ
и
т
ы
B
P
-
п
р
е
с
с
о
с
т
а
т
M
-
э
л
е
к
т
р
о
д
в
и
г
а
т
е
л
ь
C
-
к
о
н
д
е
н
с
а
т
о
р
(
2
5
µ
F
,
4
5
0
V
)
X
S
-
в
и
л
к
а
м
о
д
е
л
и
8
2
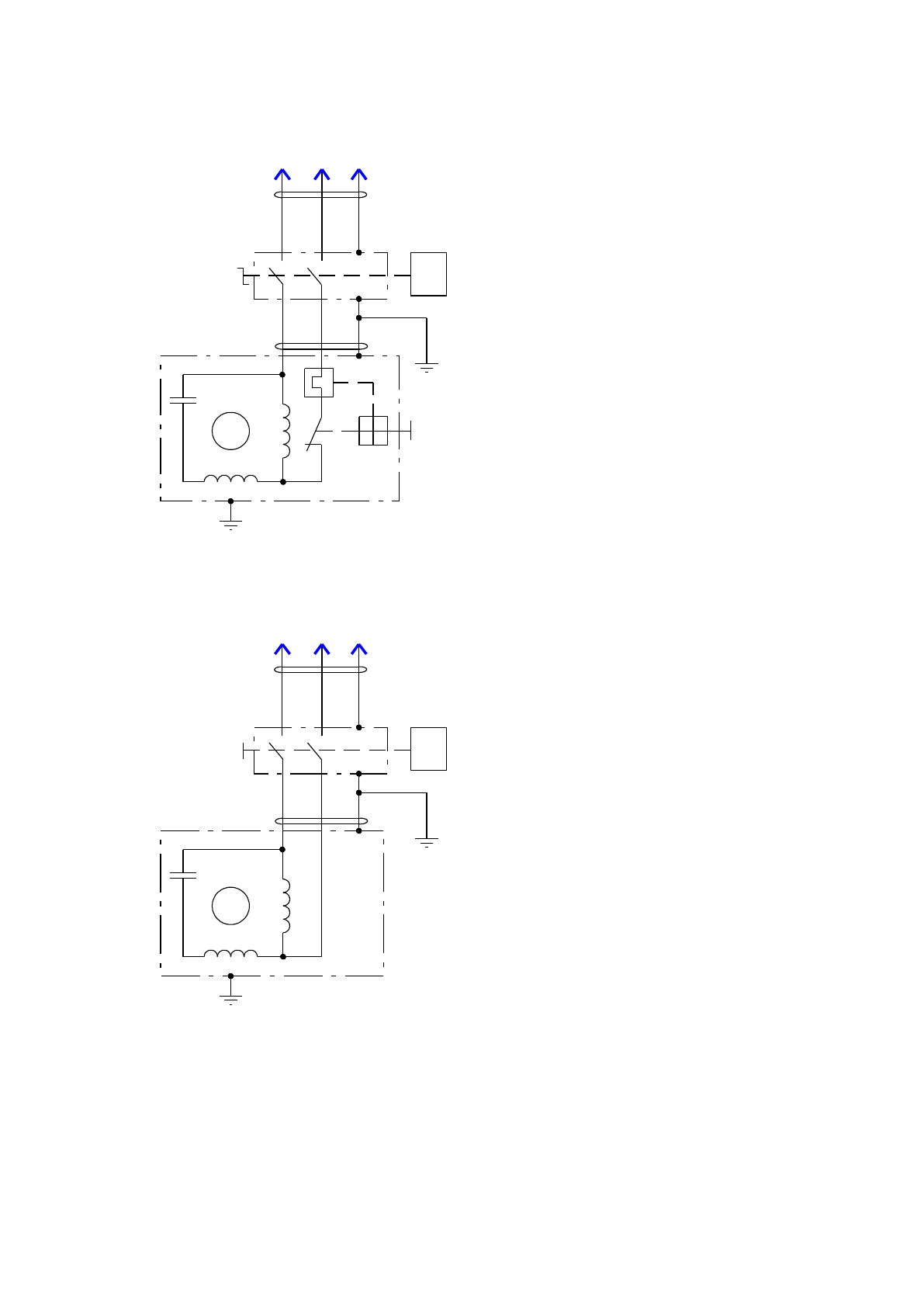
Схема электрическая принципиальная
СБ4/С-50.J2047В, СБ4/С-100.J2047В
Схема электрическая принципиальная
СБ4/С-24.J1047В, СБ4/С-50.J1047В,
СБ4/С-24.J1048В, СБ4/С-50.J1048В
С – конденсатор (40
F, 450 V)
- для J1048В
~50 Гц 220 В (230 В)
~50 Гц 220 В (230 В)
С – конденсатор (35
F, 450 V)
- для J1047В
С
–
конденсатор (40
F,
450
V)
Содержание
- 2 Назначение; МОСФЕРНЫХ ОСАДКОВ, А ТАКЖЕ В БЫТОВЫХ ЦЕЛЯХ.
- 3 Число ступеней сжатия
- 4 П р и м е ч а н и е; Устройство и принцип работы
- 11 Подготовка изделия к работе и порядок работы
- 12 ВНИМАНИЕ: ВО ИЗБЕЖАНИЕ ВЫХОДА ИЗ СТРОЯ ДВИГАТЕЛЯ, ВМЕШАТЕЛЬСТВО В
- 13 Техническое обслуживание; следующие операции по его техническому обслуживанию:
- 14 Возможные неисправности и способы их устранения; Таблица 3; Наименование неисправно-; Нарушения в цепи питания Проверить цепь питания
- 15 0 Гарантии изготовителя; С и относительной влажности не более 80 %; ВНИМАНИЕ: СОДЕРЖАНИЕ ПАРОВ КИСЛОТ И ЩЕЛОЧЕЙ, АГРЕССИВНЫХ ГАЗОВ И
- 16 Наименование
- 17 Для гарантийного ремонта предъявите:; Гарантийное свидетельство.; Гарантия не распространяется:
- 18 Гарантийное свидетельство; сорного оборудования; Уважаемый Покупатель!; При осуществлении акта купли – продажи руководствоваться общими













