Компрессоры Remeza СБ 4/С-100.J2047 B - инструкция пользователя по применению, эксплуатации и установке на русском языке. Мы надеемся, она поможет вам решить возникшие у вас вопросы при эксплуатации техники.
Если остались вопросы, задайте их в комментариях после инструкции.
"Загружаем инструкцию", означает, что нужно подождать пока файл загрузится и можно будет его читать онлайн. Некоторые инструкции очень большие и время их появления зависит от вашей скорости интернета.
Загружаем инструкцию

7
Общий вид компрессора СБ4/С – 50.J2047В
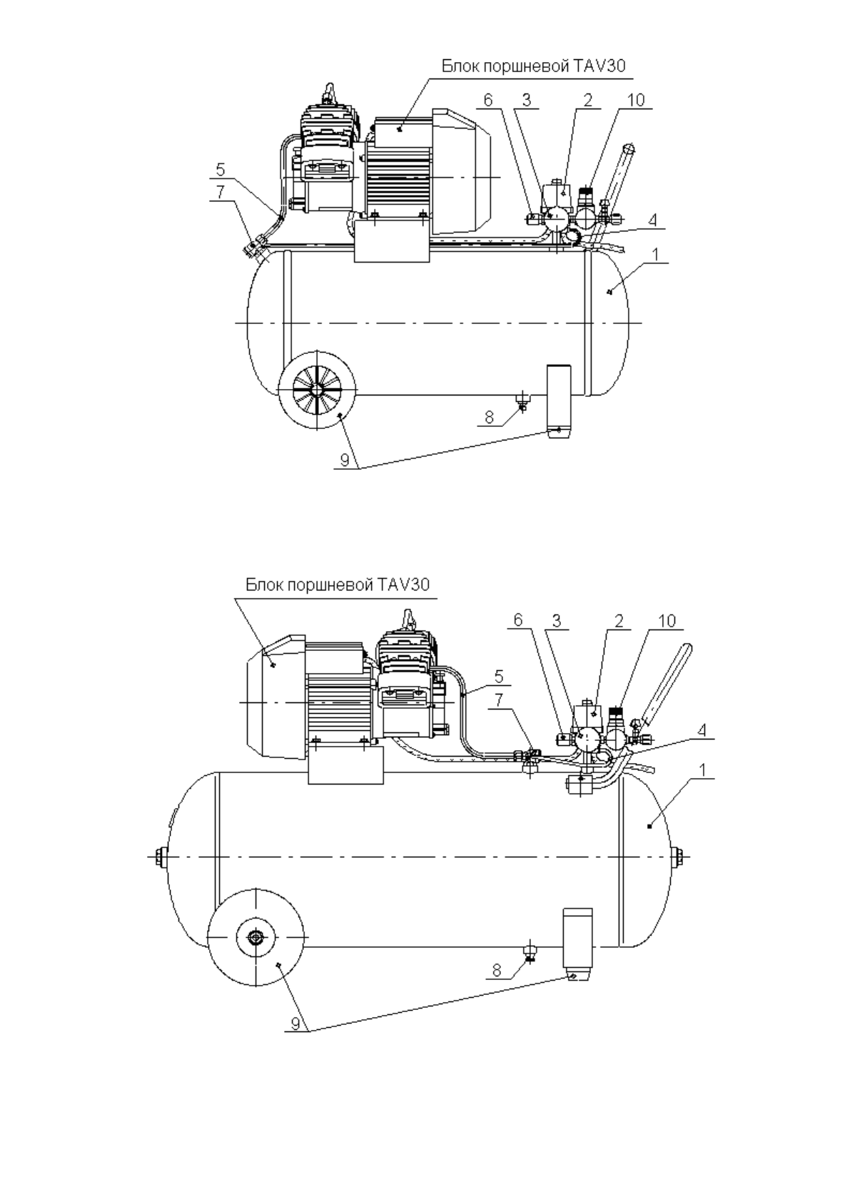
Общий вид компрессора СБ4/С – 100.J2047В
Рисунок 3
Содержание
- 2 Назначение; МОСФЕРНЫХ ОСАДКОВ, А ТАКЖЕ В БЫТОВЫХ ЦЕЛЯХ.
- 3 Число ступеней сжатия
- 4 П р и м е ч а н и е; Устройство и принцип работы
- 11 Подготовка изделия к работе и порядок работы
- 12 ВНИМАНИЕ: ВО ИЗБЕЖАНИЕ ВЫХОДА ИЗ СТРОЯ ДВИГАТЕЛЯ, ВМЕШАТЕЛЬСТВО В
- 13 Техническое обслуживание; следующие операции по его техническому обслуживанию:
- 14 Возможные неисправности и способы их устранения; Таблица 3; Наименование неисправно-; Нарушения в цепи питания Проверить цепь питания
- 15 0 Гарантии изготовителя; С и относительной влажности не более 80 %; ВНИМАНИЕ: СОДЕРЖАНИЕ ПАРОВ КИСЛОТ И ЩЕЛОЧЕЙ, АГРЕССИВНЫХ ГАЗОВ И
- 16 Наименование
- 17 Для гарантийного ремонта предъявите:; Гарантийное свидетельство.; Гарантия не распространяется:
- 18 Гарантийное свидетельство; сорного оборудования; Уважаемый Покупатель!; При осуществлении акта купли – продажи руководствоваться общими













