Компрессоры Медицинский FINI MED 102-24V-0.75M 100045306 - инструкция пользователя по применению, эксплуатации и установке на русском языке. Мы надеемся, она поможет вам решить возникшие у вас вопросы при эксплуатации техники.
Если остались вопросы, задайте их в комментариях после инструкции.
"Загружаем инструкцию", означает, что нужно подождать пока файл загрузится и можно будет его читать онлайн. Некоторые инструкции очень большие и время их появления зависит от вашей скорости интернета.

L / 13
РУССКИЙ
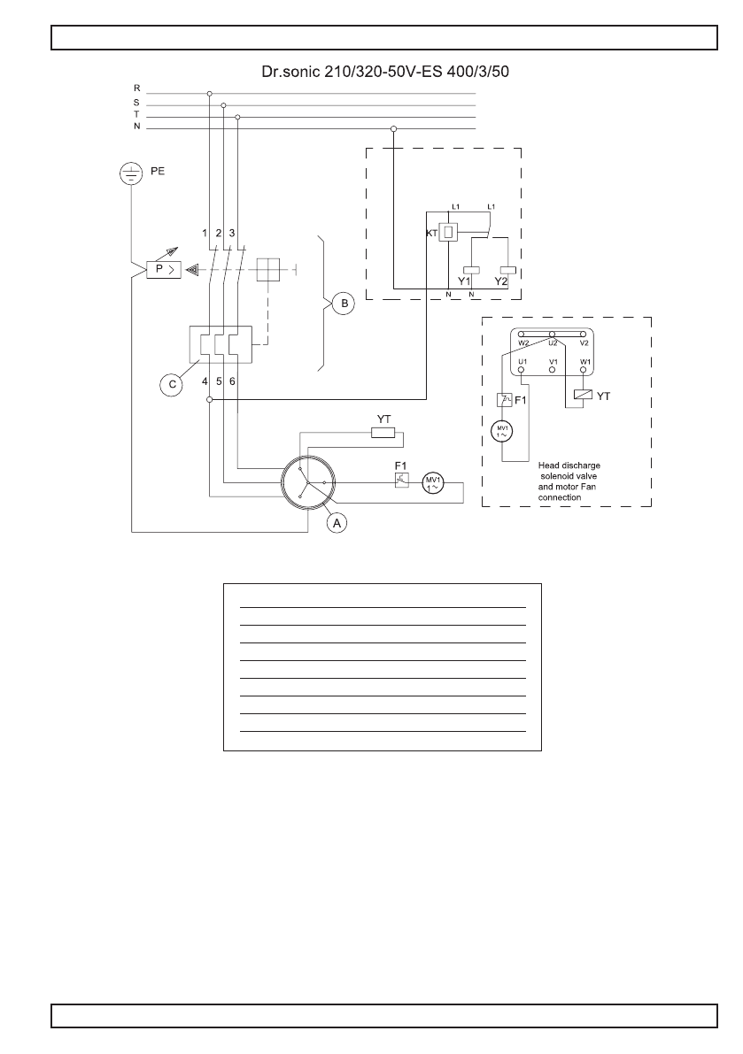
8. ЭЛЕКТРОСХЕМЫ
СУШИЛКА – DRYER
Подключение
Электроклапана Вывода
воздуха с торцевой части
и Пред. импел. двигателя
A
Трёхфазный электродвигатель
B
Телепрессостат
C
Термореле
YT
Электроклапан разгрузки торцевой части
MW1
Электроклапан кабины
F1
Защита от перегрузок электроимпелера MW1
Y1-Y2 Электроклапан слива Суш.
KT
Электронный таймер
Содержание
- 2 ПРЕДИСЛОВИЕ; Применение руководства; ВНИМАНИЕ; Информация о технической поддержке
- 3 РУССКИЙ; Предусмотренное пользование; Очень внимательно прочесть Руководство; ИНФОРМАЦИЯ ОБЩЕГО ХАРАКТЕРА
- 4 с баком свыше 24 литров:; ТРАНСОПРТИРОВКА И ПОГРУЗОЧНО-РАЗГРУЗОЧНЫЕ РАБОТЫ
- 5 вентиляционная решётка находилась не менее 20 см; Подключение к сети электропитания; Мощность компрессора ЛС; мм; Подача выключателя; ВЫКЛ
- 7 SW; ФУНКЦИОНИРОВАНИЕ И ЭКСПЛУАТАЦИЯ
- 9 Защита от перегрузок; аварийный выключатель двигателя; Выключить компрессор и вывести
- 10 Операции последующего техобслуживания; года или каждые 2000 часов; Неполадка
- 11 СУШИЛКА – DRYER; YT