Компрессоры FINI MICRO 3.0-10 IE3 100511827 - инструкция пользователя по применению, эксплуатации и установке на русском языке. Мы надеемся, она поможет вам решить возникшие у вас вопросы при эксплуатации техники.
Если остались вопросы, задайте их в комментариях после инструкции.
"Загружаем инструкцию", означает, что нужно подождать пока файл загрузится и можно будет его читать онлайн. Некоторые инструкции очень большие и время их появления зависит от вашей скорости интернета.

25
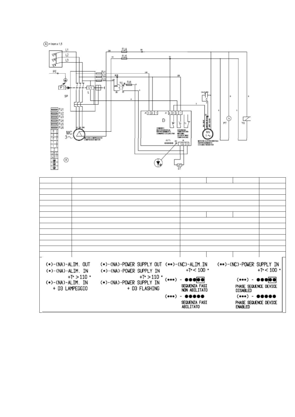
СХЕМА
ЭЛЕКТРИЧЕСКИХ
СОЕДИНЕНИЙ
Обозначения
Описание
2,2
кВт
3
кВт
4
кВт
230
В
– 3 50/60
Г
ц
FU1, FU2-FU3
Плавкие
предо
х
ранители
2
А
5
х
20
FU4, FU5
Плавкие
предо
х
ранители
2
А
5
х
20
FU6
Плавкие
предо
х
ранители
500
В
м
А
5
х
20
TC
Т
ранс
ф
орматор
Pr.230/Sec 6
SP
Р
еле
давления
с
выключением
6,6-10
10 - 16
10 - 16
L
М
инимальная
обмотка
э
лектромагнита
D
Э
лектронный
командоаппарат
ST
Т
емпературный
зонд
YV
Э
лектромагнитный
клапан
PT
Счетчик
часов
D3
Светоизлучаю
щ
ий
диод
(
С
И
Д
)
Сечение
кабеля
э
лектродвигателя
(
мм
q)
4G1.5
4G2.5
4G1.5