Компрессоры COMPRAG DACS-4 11130400 - инструкция пользователя по применению, эксплуатации и установке на русском языке. Мы надеемся, она поможет вам решить возникшие у вас вопросы при эксплуатации техники.
Если остались вопросы, задайте их в комментариях после инструкции.
"Загружаем инструкцию", означает, что нужно подождать пока файл загрузится и можно будет его читать онлайн. Некоторые инструкции очень большие и время их появления зависит от вашей скорости интернета.

12
2.6
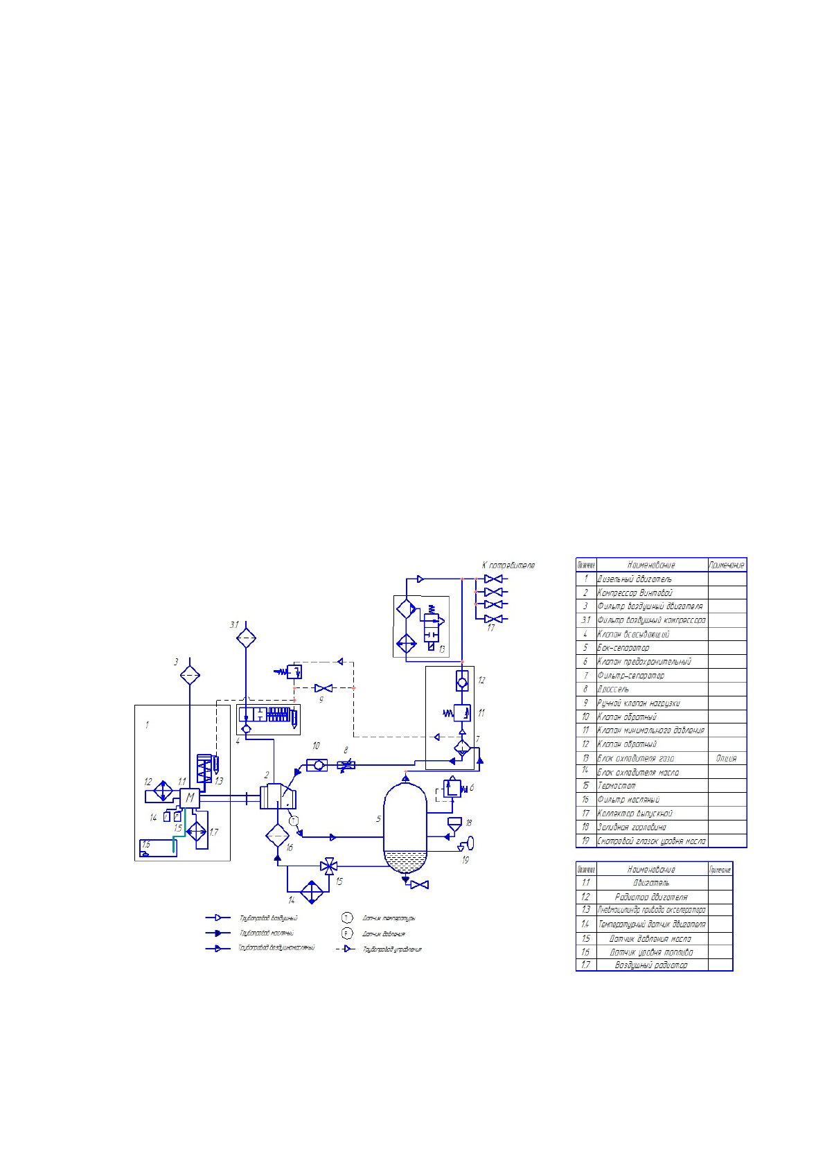
Описание принципа действия
2.6.1
Общее описание
Компрессоры DACS
являются одноступенчатыми, винтовыми компрессорами с дизельным при-
водом на шасси -
передвижные, и на раме
–
стационарные. Компрессоры рассчитаны на рабочее
давление 7
Бар.
Вращение от двигателя к винтовому блоку передается с помощью
ремня
.
Вин-
товой блок представляет собой два связанных между собой винтовых ротора,
которые забирают,
сжимают и перемещают воздух.
Смазка и охлаждение происходит путём впрыскивания в винто-
вую пару масла. Для сепарации
масла из воздушной смеси в компрессоре используется бак-
сепаратор с сепарационным элементом.
Снижение вибрации достигается установкой силового
блока (двигатель
+
винтовой блок) на раму через виброопоры.
На передвижных моделях используется торсионная резино-жгутовая подвеска.
Двигатель
с водяным охлаждением
на дизельном топливе. Для такелажных работ компрессора
предусмотрены съемные проушины по бокам компрессора. Корпус выполнен из металлических
листов с защитным покрытием, в нём предусмотрены проёмы для забора и выброса воздуха, а
также откидные двери для проведения сервиса
компрессора. Для подсоединения воздушных
рукавов в компрессор встроен
коллектор с 2-мя точками соединения. Контроль, пуск и останов
компрессора осуществляется панелью
управления с индикацией.
2.6.2
Схема установки
Рис
.
2.6.2













