Компрессоры COMPRAG AR-0710-500 11100019 - инструкция пользователя по применению, эксплуатации и установке на русском языке. Мы надеемся, она поможет вам решить возникшие у вас вопросы при эксплуатации техники.
Если остались вопросы, задайте их в комментариях после инструкции.
"Загружаем инструкцию", означает, что нужно подождать пока файл загрузится и можно будет его читать онлайн. Некоторые инструкции очень большие и время их появления зависит от вашей скорости интернета.

92
Версия 2.2
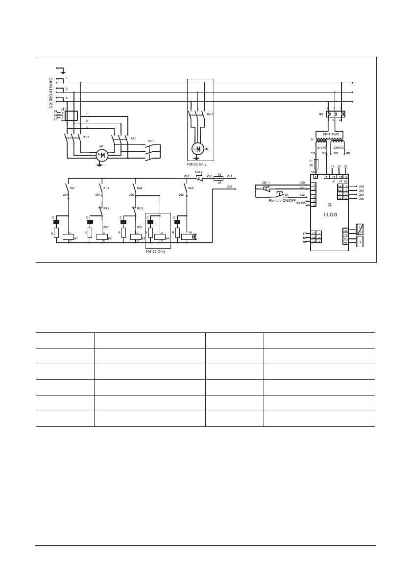
2.6 Схема электрическая принципиальная
Основные компоненты
К1, K2, К3
Контактор
YA
Клапан электромагнитный
М1
Электродвигатель
R
Блок управления
Т
Датчик температуры
I/P
Датчик давления
SB
Кнопка экстренной остановки
CT1
Трансформатор тока
F1, F2
Предохранитель
TR
Трансформатор
QS
Выключатель автоматический
Рис. 2.6 Схема электрическая A07.. – A22.., AR07.. – AR22.., ARD07.. – ARD22.*
*Для компрессоров серии RDX с рефрижераторным осушителем смотрите документацию на сам
осушитель.
Содержание
- 79 COMPRAG Компрессор воздушный винтовой A-Серия; Содержание
- 80 Правила техники безопасности; Общие правила безопасности
- 81 Меры безопасности при вводе в эксплуатацию
- 83 Меры безопасности при эксплуатации
- 84 Меры безопасности при обслуживании и ремонте
- 86 Технические данные
- 91 Система регулировки
- 92 Схема электрическая принципиальная
- 93 Ввод в эксплуатацию; Такелажные работы
- 94 Габаритные размеры
- 96 Подготовка помещения
- 97 Подсоединение к линии сжатого воздуха
- 98 Подключение к электропитанию
- 99 Панель управления
- 107 Выключение компрессора
- 108 Настройка и сервисное обслуживание; График технического обслуживания
- 109 Проверка уровня масла
- 110 Проверка приводных ремней
- 111 Замена масла и масляного фильтра
- 113 Замена сепарационного элемента
- 114 Устранение неисправностей; Возможные неисправности
- 115 Хранение и утилизация













