Компрессоры COMPRAG AR-0710-500 11100019 - инструкция пользователя по применению, эксплуатации и установке на русском языке. Мы надеемся, она поможет вам решить возникшие у вас вопросы при эксплуатации техники.
Если остались вопросы, задайте их в комментариях после инструкции.
"Загружаем инструкцию", означает, что нужно подождать пока файл загрузится и можно будет его читать онлайн. Некоторые инструкции очень большие и время их появления зависит от вашей скорости интернета.

52
Version 2.2
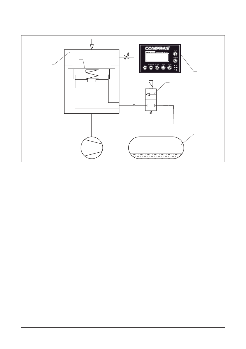
2.5 Pneumatikplan Last - Leerlauf
Bild 2.5 Pneumatikplan
Die Anlage wird von einer elektronischen Steuerung t-Log (4) gesteuert, die den Netzdruck-
durch die Leer- Lastlaufregelung innerhalb der eingestellten Parameter regelt.
Leerlauf:
Wenn der Druckluftverbrauch geringer ist als die Kompressorliefermenge, steigt Druck und
erreicht das eingestellte Maximum (Ausschaltdruck). Die Steuerung (2) unterbricht die gibt
Spannung zum Magnetventil (3), das Ventil öffnet, durch den Druck Im Ölabscheidebehälter
(4) schließt der Schieber (5) des Ansaugventils (1). Das pneumatische System des
Kompressors wird über eine Drossel entlastet.
Lastlauf:
Wenn der Druck im Netz auf ein eingestelltes Minimum (Einschaltdruck) schaltet
die Steuerung die Spannung zum Magnetventil (3).Die Steuerluftleitung zwischen
Ölabscheidebehälter und Ansaugventil wird unterbrochen. Der Schieber (5) des
Einlassventils (1) öffnet. Der Kompressor liefert wieder Druckluft.
1
2
3
4
5
Содержание
- 79 COMPRAG Компрессор воздушный винтовой A-Серия; Содержание
- 80 Правила техники безопасности; Общие правила безопасности
- 81 Меры безопасности при вводе в эксплуатацию
- 83 Меры безопасности при эксплуатации
- 84 Меры безопасности при обслуживании и ремонте
- 86 Технические данные
- 91 Система регулировки
- 92 Схема электрическая принципиальная
- 93 Ввод в эксплуатацию; Такелажные работы
- 94 Габаритные размеры
- 96 Подготовка помещения
- 97 Подсоединение к линии сжатого воздуха
- 98 Подключение к электропитанию
- 99 Панель управления
- 107 Выключение компрессора
- 108 Настройка и сервисное обслуживание; График технического обслуживания
- 109 Проверка уровня масла
- 110 Проверка приводных ремней
- 111 Замена масла и масляного фильтра
- 113 Замена сепарационного элемента
- 114 Устранение неисправностей; Возможные неисправности
- 115 Хранение и утилизация













