Компрессоры ABAC Pole Position L30P 1129100045 - инструкция пользователя по применению, эксплуатации и установке на русском языке. Мы надеемся, она поможет вам решить возникшие у вас вопросы при эксплуатации техники.
Если остались вопросы, задайте их в комментариях после инструкции.
"Загружаем инструкцию", означает, что нужно подождать пока файл загрузится и можно будет его читать онлайн. Некоторые инструкции очень большие и время их появления зависит от вашей скорости интернета.

34
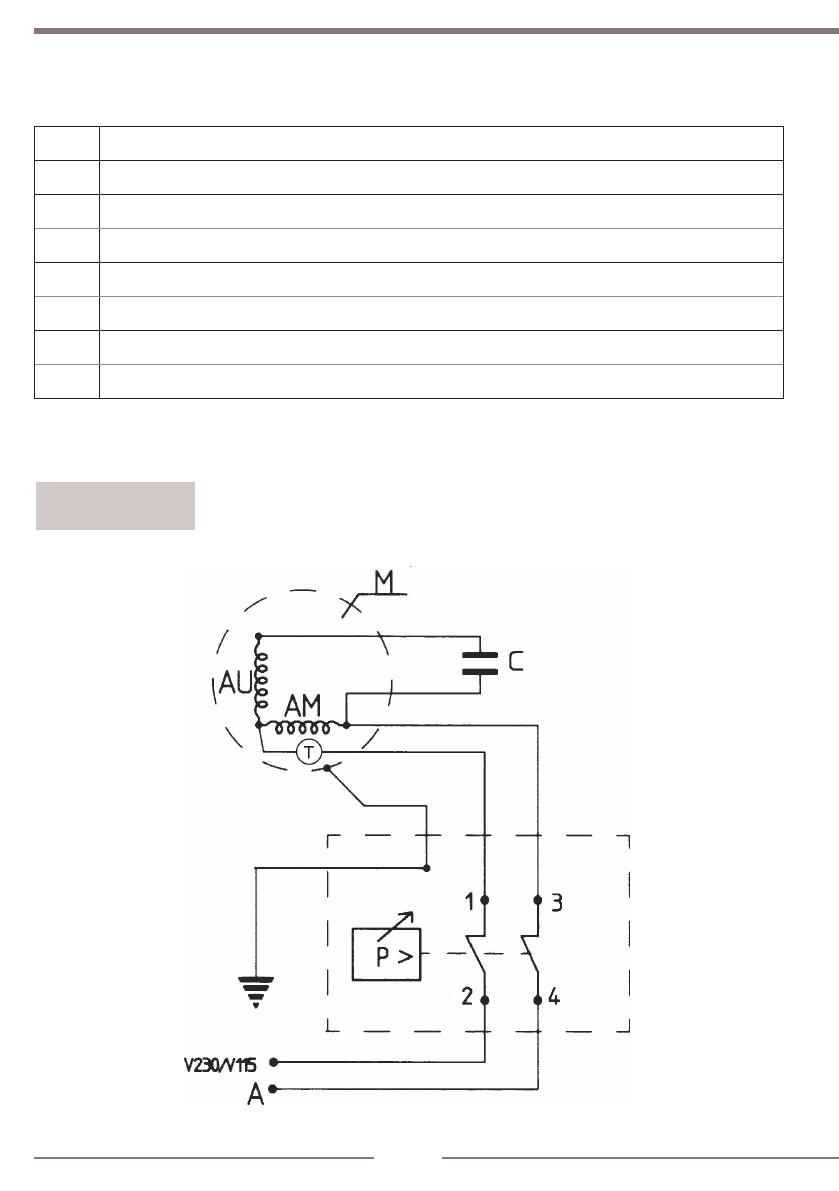
A
POWER SUPPLY
P
PRESSURE SWITCH
T
AUTOMATIC THERMAL PROTECTION
TM
MANUAL AMPEROMETRIC PROTECTION
C
CONDENSER
M
MOTOR
AU
AUXILIARY WINDING
AM
STARTING WINDING
ELEKTRISK SKJEMA - ΗΛΕΚΤΡΙΚΟ ΣΧΕΔΙΑΓΡΑΜΜΑ - ЭЛЕКТРИЧЕСКАЯ СХЕМА - SCHEMAT ELEKTRYCZNY
KAPCSOLÁSI RAJZ - SCHÉMA ELEKTRICKÉHO ZAPOJENÍ – SCHEMA DE MONTAJ - ELEKTIČNA SHEMA
ELEKTRİK ŞEMASI - ELEKTRICKÁ SCHÉMA - ЕЛЕКТРИЧЕСКА СХЕМА -VIRING DIAGRAM
V230/50-60/1
V115/60/1