Kipor KGE 12 Е3 - Инструкция по эксплуатации

Kipor KGE 12 Е3

Генератор Kipor KGE 12 Е3 - инструкция пользователя по применению, эксплуатации и установке на русском языке. Мы надеемся, она поможет вам решить возникшие у вас вопросы при эксплуатации техники.

Если остались дополнительные вопросы — свяжитесь с нами через контактную форму.

1 Страница 1
2 Страница 2
3 Страница 3
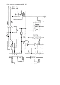
4 Страница 4
5 Страница 5
6 Страница 6
7 Страница 7
8 Страница 8
9 Страница 9
Страница: / 9

Содержание:

  • Страница 2 – ВВЕДЕНИЕ; Не подключайте генератор к сетям общего пользования.; СОДЕРЖАНИЕ; Меры предосторожности
  • Страница 4 – Технические характеристики; Модель; ПОДГОТОВКА К РАБОТЕ; ) Подключение нагрузки
  • Страница 5 – МЕРЫ ПРЕДОСТОРОЖНОСТИ; А) Поставьте рычаг регулировки скорости в левое положение.
  • Страница 6 – ПРОБЛЕМА
Загрузка инструкции

Электроагрегат бензиновый

KGE12E3 / KGE12EA3 / KGE12EAO3

KGE12E / KGE12EA / KGE12EAO

"Загрузка инструкции" означает, что нужно подождать пока файл загрузится и можно будет его читать онлайн. Некоторые инструкции очень большие и время их появления зависит от вашей скорости интернета.

Краткое содержание

Страница 2 - ВВЕДЕНИЕ; Не подключайте генератор к сетям общего пользования.; СОДЕРЖАНИЕ; Меры предосторожности

ВВЕДЕНИЕ Благодарим Вас за приобретение бензогенератора Kipor! Мы уверены, что Вы будете довольны Вашим выбором, так как нашей целью является поставка высококачественного, надѐжного и современного оборудования, удовлетворяющего запросам самых требовательных потребителей! В данном руководстве отражен...

Страница 4 - Технические характеристики; Модель; ПОДГОТОВКА К РАБОТЕ; ) Подключение нагрузки

Технические характеристики Модель KGE12E KGE12E3 Ген ер ато р Выход переменный ток 50Гц Осн. режим 8,5кВА 10,5кВА Ожидание 9,5кВА 11,5кВА Фазность однофазный трѐхфазный Коэфф. нагрузки 1,0 0,8 Напряжение 220- 240В 380- 400В Возбуждение самовозбуждающийся Тип передачи прямая Регулировка напряжения ±1...

Страница 5 - МЕРЫ ПРЕДОСТОРОЖНОСТИ; А) Поставьте рычаг регулировки скорости в левое положение.

3. МЕРЫ ПРЕДОСТОРОЖНОСТИ А) Только квалифицированный персонал должен осуществлять тестирование, обслуживание и ремонт генератора. B ) Необходимо надевать спецодежду (очки, резиновые перчатки и т.д.) при работе с генератором. C ) Не прикасаться к генератору руками без резиновых перчаток или мокрыми р...

Характеристики

Другие модели - Генераторы Kipor

Все генераторы Kipor