Kipor KDE 6500 E - Инструкция по эксплуатации

Kipor KDE 6500 E

Генератор Kipor KDE 6500 E - инструкция пользователя по применению, эксплуатации и установке на русском языке. Мы надеемся, она поможет вам решить возникшие у вас вопросы при эксплуатации техники.

Если остались дополнительные вопросы — свяжитесь с нами через контактную форму.

1 Страница 1
2 Страница 2
3 Страница 3
4 Страница 4
5 Страница 5
6 Страница 6
7 Страница 7
8 Страница 8
9 Страница 9
10 Страница 10
11 Страница 11
12 Страница 12
13 Страница 13
14 Страница 14
15 Страница 15
16 Страница 16
17 Страница 17
18 Страница 18
19 Страница 19
20 Страница 20
Страница: / 20

Содержание:

  • Страница 4 – Содержание
  • Страница 5 – ОСНОВНЫЕ ТЕХНИЧЕСКИЕ ХАРАКТЕРИСТИКИ
  • Страница 6 – Генераторы KDE серии E/X
  • Страница 7 – Генераторы KDE серии Т
  • Страница 8 – Панель управления; Панель типа С Панель типа Е
  • Страница 9 – Подготовка к запуску; ВНИМАНИЕ; Гайка
  • Страница 10 – Проверка генераторной установки; клемма заземления; ЗАПУСК ГЕНЕРАТОРНОЙ УСТАНОВКИ; ПРЕДУПРЕЖДЕНИЕ
  • Страница 11 – Топливный кран; Не отпускайте рукоятку стартера из крайнего положения ,это может
  • Страница 12 – Электрический стартер; Откройте краник топливного бака; аккумуляторной батареи.; РАБОТА ГЕНЕРАТОРНОЙ УСТАНОВКИ; Прогрейте двигатель без нагрузки в течении 3 минут.
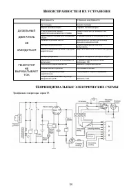
  • Страница 15 – ОСТАНОВКА ГЕНЕРАТОРА; Рычаг остановки двигателя; ПЕРИОДИЧЕСКАЯ ПРОВЕРКА И ОБСЛУЖИВАНИЕ; ПРЕДОСТЕРЕЖЕНИЕ
  • Страница 16 – Слейте топливо из бака , открутив сливную пробку.
  • Страница 17 – Проверка форсунки и ТНВД.; Отрегулируйте зазор клапанов; Проверка щеток генератора и коллектора.; ДЛИТЕЛЬНОЕ ХРАНЕНИЕ; Запустите двигатель и дайте поработать ему в течении 3 минут.
Загрузка инструкции


Генераторы дизельные:

-

однофазные

KDE2200X/E

KDE2500X/E/T
KDE3500X/E/T

KDE6500X/E/T/TA

KDA6700TA/TAO

-

тр

ё

х

фазные

KDE6000X3/E3/T3

KDE6500X3/E3/T3

KDA6700TA3/TAO3

"Загрузка инструкции" означает, что нужно подождать пока файл загрузится и можно будет его читать онлайн. Некоторые инструкции очень большие и время их появления зависит от вашей скорости интернета.

Краткое содержание

Страница 4 - Содержание

4 Содержание 1. Основные технические характеристики …………………………1 2. Устройство…………………………………………………………..2 3. Подготовка к запуску……………………………………………….5 4. Запуск генераторной установки…………………………………...6 5. Работа генераторной установки…………………………………..8 6. Нагрузка……………………………………………………………..9 7. Остановка ген...

Страница 5 - ОСНОВНЫЕ ТЕХНИЧЕСКИЕ ХАРАКТЕРИСТИКИ

5 1. ОСНОВНЫЕ ТЕХНИЧЕСКИЕ ХАРАКТЕРИСТИКИ . МОДЕЛЬ Наименование KDE2200X KDE2200E KDE3500X KDE3500E KDE3500T KDE5000X KDE5000E KDE5000T KDE6000X3 KDE6000E3 KDE6000T3 KDE6500X KDE6500E KDE6500T KDA6700TA O KDE6500X3 KDE6500E3 KDE6500T3 KDA6700TAO3 Ге не ра то рн ая у ст ан ов ка | Частота тока (Hz) 50...

Страница 6 - Генераторы KDE серии E/X

6 2.УСТРОЙСТВО 2.1 Генераторы KDE серии E/X Топливный бак Воздушный фильтр Ручка стартера Ручной стартер Рычаг декомпрессора Регулятор оборотов Пробка слива масла Маслозаливная горловина/щуп Глушитель Крышка топливного бака

Характеристики

Другие модели - Генераторы Kipor

Все генераторы Kipor