Страница 2 - Кондиционеры настенного типа. ICHI; Содержание; Правила при работе с хладагентами
Кондиционеры настенного типа. ICHI 2 Сплит-системы Содержание 1. Меры предосторожности ............................................................................... 3 2. Правила при работе с хладагентами (для легковоспламеняющихся материалов) .................................................... 5 ...
Страница 3 - Меры предосторожности; Эксплуатация и техническое обслуживание
Кондиционеры настенного типа. ICHI 3 Сплит-системы 1. Меры предосторожности Для предотвращения травмы, повреж дения блока или материального ущерба соблюдайте все меры предо-сторожности и указания, приведенные в настоящем руководстве. Перед техническим обслуживанием блока ознакомьтесь с соответствующ...
Страница 4 - ВНИМАНИЕ; статочной прочностью.
Кондиционеры настенного типа. ICHI 4 Сплит-системы • Не употребляйте воду из системы дренажа кондиционера.• Не допускайте попадания воды из системы дренажа блока на кожу.• При чистке и техническом обслуживании блока пользуйтесь прочным стулом или лестницей, согласно определенным изготовителем процед...
Страница 5 - Правила при работе с хладагентами (для легковоспламеняющихся; Отсутствие источников воспламенения
Кондиционеры настенного типа. ICHI 5 Сплит-системы 2. Правила при работе с хладагентами (для легковоспламеняющихся материалов) 2.1. Проверки зоны работ • До начала работы с системами, содержащими легковоспламеняющиеся хладагенты, необходимо прове- сти проверки безопасности, чтобы минимизировать риск...
Страница 6 - Проверки электрического оборудования; жать возможного искрения.; Ремонтные работы на герметичных компонентах
Кондиционеры настенного типа. ICHI 6 Сплит-системы • Средства вентиляции и выпуска должны работать надлежащим образом и не должны быть заблокиро- ваны. • Если используется контур промежуточного хладагента, то необходимо проверить вторичный контур на наличие хладагента. Маркировка на оборудовании дол...
Страница 7 - Обнаружение присутствия возгораемых хладагентов; • Должна соблюдаться следующая процедура:
Кондиционеры настенного типа. ICHI 7 Сплит-системы 2.12. Обнаружение присутствия возгораемых хладагентов • Ни при каких обстоятельствах потенциальные источники возгорания не должны использоваться в поис- ке присутствия или для обнаружения утечек хладагента. Запрещено использовать галоидную лампу (ил...
Страница 9 - Технические характеристики
Кондиционеры настенного типа. ICHI 9 Сплит-системы 3. Технические характеристики Внутренний блок KSGI21HFAN1 KSGI26HFAN1 KSGI35HFAN1 Наружный блок KSRI21HFAN1 KSRI26HFAN1 KSRI35HFAN1 Электропитание В - кол-во фаз - Гц 220–240 В, 1 фаза, 50 Гц 220–240 В, 1 фаза, 50 Гц 220–240 В, 1 фаза, 50 Гц Охлажде...
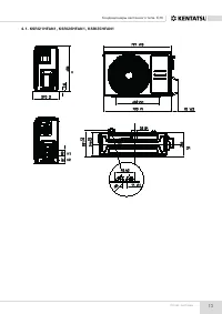
Страница 12 - Модель
Кондиционеры настенного типа. ICHI 12 Сплит-системы 4. Габариты W D H Модель W мм D мм H мм KSGI21HZRN1 729 200 292 KSGI26HZRN1 729 200 292 KSGi35HZRN1 729 200 292 KSGI53HZRN1 969 241 320 KSGI70HZRN1 1083 244 336
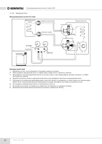
Страница 16 - Электрические схемы; Сокращения - внутренний блок; Сокращения - наружный блок; Сокращения
Кондиционеры настенного типа. ICHI 16 Сплит-системы 5. Электрические схемы Сокращения - внутренний блок Сокращения Значение Ж/З Желтый/зеленый провод ION Генератор положительных и отрицательных ионов КОНД. Емкость конденсатора ПЛАЗМЕННЫЙ ФИЛЬТР Электронный пылеуловитель L ФАЗА N НЕЙТРАЛЬ T1 Температ...
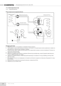
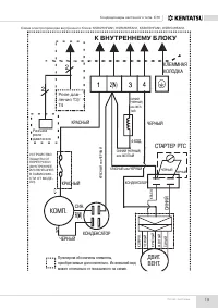
Страница 19 - К ВНУТРЕННЕМУ БЛОКУ; Разъем; КРАСНЫЙ; СТАРТЕР PTC; КОНДЕНСАТОР; ЧЕРНЫЙ; ЧЕРНЫЙ; КРАСНЫЙ или ЧЕРНЫЙ
Кондиционеры настенного типа. ICHI 19 Сплит-системы Схема электропроводки внутреннего блока: KSRI21HFAN1, KSRI26HFAN1, KSRI35HFAN1, KSRI53HFAN1. К ВНУТРЕННЕМУ БЛОКУ Реле дав-ления T3/T4 Разъем реле давления УСТРОЙСТВО ЗАЩИТЫ ОТ ПЕРЕГРУЗКИ (ВНУТРЕННЕЕ ИЛИ ВНЕШНЕЕ, В ЗАВИСИМО-СТИ ОТ МОДЕ-ЛИ) КРАСНЫЙ К...
Страница 21 - Длина и перепад высот трубопровода; Производительность; Внутренний блок установлен
Кондиционеры настенного типа. ICHI 21 Сплит-системы 6. Длина и перепад высот трубопровода Длина и высота соединительного трубопровода приведены в следующей таблице. Если длина трубопровода превышает максимальную длину, для обеспечения номинальной холодопроизводительности/теплопроизво-дительности нео...
Страница 22 - Панель управления; Элементы панели управления; Дисплей А; Дисплей
Кондиционеры настенного типа. ICHI 22 Сплит-системы 7. Панель управления Элементы панели управления fresh defrost run timer Дисплей А Дисплей В Дисплей Назначение fresh Очистка воздуха (имеется только у некоторых блоков) defrost Разморозка run Индикатор включения блока timer Индикатор установленного...
Страница 23 - Функции обеспечения безопасности; -минутная задержка компрессора при перезапуске; чается через 4 секунд.; Резервирование датчиков и автоматическое выключение
Кондиционеры настенного типа. ICHI 23 Сплит-системы 8. Функции обеспечения безопасности 3-минутная задержка компрессора при перезапуске Функции компрессора откладываются в течение одной минуты при первом запуске устройства и задержива-ются на три минуты после последующих перезапусков. Защита от ошиб...
Страница 25 - Для моделей 18К и меньшей производительности.
Кондиционеры настенного типа. ICHI 25 Сплит-системы 9.4.3. Управление вентилятором наружного блока Вентиляторы наружных блоков имеют только одну скорость вращения. Вентилятор наружного блока работа-ет одновременно с компрессором, за исключением следующих случаев.• Сработала защита от перегрева конде...
Страница 27 - Режим работы; Охлаждение
Кондиционеры настенного типа. ICHI 27 Сплит-системы 9.6. Автоматический режим работы • Режим задается с пульта дистанционного управления; диапазон задаваемых значений температуры 17 °C–30 °C. • В автоматическом режиме кондиционер выбирает режим работы («охлаж дение», «нагрев», «только венти- ляция»)...
Страница 28 - Функция автоматического перезапуска
Кондиционеры настенного типа. ICHI 28 Сплит-системы • В режиме нагрева заданная температура каж дый час понижается на 1°C (но не опускается ниже 17°C). Через 2 часа снижение температуры прекращается, и вентилятор внутреннего блока начинает работать с малой скоростью. Функция защиты от холодных поток...
Страница 29 - Дополнительные функции; происходит следующее.
Кондиционеры настенного типа. ICHI 29 Сплит-системы 10. Дополнительные функции 10.1. Функция нагрева до 8 °C В режиме нагрева можно задать температуру 8 °С. Это предотвращает промерзание помещения в холодный зимний период, если они пустуют. 10.2. Функция самоочистки • При нажатии кнопки «Self Clean»...
Страница 30 - Проверка после монтажа; Проверка герметичности (с помощью мыльного раствора); Удаление воздуха с помощью вакуумного насоса; Порядок действий
Кондиционеры настенного типа. ICHI 30 Сплит-системы 11. Проверка после монтажа Воздух и влага, находящиеся в системе хладагента, снижают эффективность работы кондиционера.• Давление в системе повышается.• Возрастает рабочий ток.• Уменьшается эффективность охлаж дения или нагрева.• Вследствие накопле...
Страница 31 - ОТКРЫТ
Кондиционеры настенного типа. ICHI 31 Сплит-системы • Если прибор не показывает разрежение -0,1 МПа после вакуумирования в течение 30 минут, про- должайте вакуумирование в течение 20 минут дополнительно. • Если через 50 минут давление не снизилось до -0,1 МПа (14,5 фунт/кв. дюйм), проверьте на на- л...
Страница 32 - Сбор хладагента в наружном блоке; му отверстию стороны газа 3-ходового клапана.
Кондиционеры настенного типа. ICHI 32 Сплит-системы 11.3. Повторный монтаж 11.3.1. Внутренний блок Сбор хладагента в наружном блоке Порядок действий 1. Убедитесь в том, что 2-ходовой и 3-ходовой клапаны открыты.2. Подсоедините наконечник напорного шланга с ниппелем от штуцера крана низкого давления ...
Страница 33 - Удаление воздуха с помощью вакуумного насоса; должайте откачку еще в течение 20 минут.
Кондиционеры настенного типа. ICHI 33 Сплит-системы Удаление воздуха с помощью вакуумного насоса Порядок действий 1. Затяните накидные гайки на наружном и внутреннем блоках и убедитесь, что 2-ходовой и 3-ходовой кла- паны закрыты. 2. Присоедините заправочный шланг с ниппелем от штуцера крана низкого...
Страница 34 - Вакуумирование всей системы
Кондиционеры настенного типа. ICHI 34 Сплит-системы 11.3.2. Наружный блок Вакуумирование всей системы Порядок действий 1. Убедитесь в том, что 2-ходовой и 3-ходовой клапаны открыты.2. Подсоедините вакуумный насос к сервисному отверстию 3-ходового клапана.3. Откачивайте систему приблизительно в течен...
Страница 35 - Заправка хладагента
Кондиционеры настенного типа. ICHI 35 Сплит-системы Заправка хладагента OFF A V V mV A mA A m A A COM V Порядок действий 1. Закройте 2-ходовой и 3-ходовой клапаны.2. Присоедините напорный шланг от крана низкого давления (Lo) к сервисному отверстию 3-ходового кла- пана. 3. Подсоедините заправочный шл...
Страница 36 - Техника безопасности; ОПАСНО
Кондиционеры настенного типа. ICHI 36 Сплит-системы 12. Техника безопасности ОПАСНО Для предотвращения поражения электрическим током необходимо отключить все источники питания или отсоединить все провода. Для предотвращения повреж дения платы проверку печатных плат внутренних и наружных блоков следу...
Страница 37 - Поиск и устранение часто встречающихся неисправностей; Для других ошибок
Кондиционеры настенного типа. ICHI 37 Сплит-системы 13. Поиск и устранение часто встречающихся неисправностей 13.1. Отображение ошибок (внутренний блок) Если во внутреннем блоке возникает распознанная ошибка, индикатор работы мигает в соответствующей последовательности, может включиться или начать м...
Страница 38 - Бланк претензии
Кондиционеры настенного типа. ICHI 38 Сплит-системы 14. Бланк претензии Бланк претензии Номер запроса: Дата монтажа: Дата: Дата обслуживания: Информация о клиенте Имя Номер телефона Домашний адрес Адрес электронной почты Информация об изделии Модель внутреннего блока Модель наружного блока Серийный ...
Страница 39 - Информация о проверке параметров с помощью пульта ДУ
Кондиционеры настенного типа. ICHI 39 Сплит-системы Информация о проверке параметров с помощью пульта ДУ Отображаемый код Значение отображаемого кода Отображаемое значение Значение отображаемой величины T1 Температура в помещении T2 Температура теплообменника внутреннего блока T3 Температура теплооб...
Страница 40 - Отображаемый код; FT
Кондиционеры настенного типа. ICHI 40 Сплит-системы 15. Коды ошибок • Чтобы войти в режим запроса информации о состоянии, в течение десяти секунд выполните следующую последовательность действий:• Нажмите кнопку LED 3 раза.• Нажмите кнопку SWING 3 раза. • Выполните действия 1 и 2 в течение 10 секунд....
Страница 41 - nA
Кондиционеры настенного типа. ICHI 41 Сплит-системы Код ошибки Дисплей Описание ошибки EH 00/EH 0A Ошибка параметра ЭСППЗУ внутреннего блока EL 01 Ошибка связи между внутренним и наружным блоками EH 02 Ошибка обнаружения сигнала перехода через ноль EH 30 Сработала защита от низкого напряжения внешне...
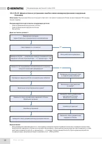
Страница 42 - Диагностика ошибок, поиск и устранение неисправностей; Дистанционное техническое обслуживание; ние на месте, проверьте с заказчиком следующие пункты.
Кондиционеры настенного типа. ICHI 42 Сплит-системы 16. Диагностика ошибок, поиск и устранение неисправностей ОПАСНО Для предотвращения травм или повреж дения блока перед выполнением работ по техническому обслужива-нию выключите блок. 16.1. Дистанционное техническое обслуживание РЕКОМЕНДАЦИИ. В случ...
Страница 46 - Быстрое техническое обслуживание с помощью кодов ошибок; Подлежащая замене деталь
Кондиционеры настенного типа. ICHI 46 Сплит-системы 17. Быстрое техническое обслуживание с помощью кодов ошибок В случае недостатка времени для проверки отдельных деталей, на основании кода ошибки можно сразу же заменить соответствующие детали.Детали, подлежащие замене, можно определить на основании...
Страница 47 - Техническое обслуживание с помощью кодов ошибок; Рекомендуется подготовить следующие детали
Кондиционеры настенного типа. ICHI 47 Сплит-системы 18. Техническое обслуживание с помощью кодов ошибок 18.1. EH 00 (Диагностика и устранение ошибки параметра ЭСППЗУ внутреннего блока) Описание: Микросхема главной платы управления внутреннего блока не получает ответного сигнала от микросхемы ЭСППЗУ....
Страница 49 - S и N
Кондиционеры настенного типа. ICHI 49 Сплит-системы • Если неисправен наружный блок, напряжение будет изменяться, сохраняя положительное значение.• Если неисправен внутренний блок, напряжение будет иметь определенное значение. Примечание: Рисунок и значение приведены только в качестве справочных, фа...
Страница 51 - вращения вентилятора, находящейся вне нормального диапазона)
Кондиционеры настенного типа. ICHI 51 Сплит-системы 18.4. EH 03 / EC 07 (диагностика и устранение неисправности, обусловленной скоростью вращения вентилятора, находящейся вне нормального диапазона) Описание. Когда скорость вращения вентилятора внутреннего блока в течение определенного времени остает...
Страница 52 - Красный Черный Белый Желтый Синий
Кондиционеры настенного типа. ICHI 52 Сплит-системы Содержание: 1. Электродвигатель постоянного тока внутреннего или наружного блока (микросхема управления распо- ложена в электродвигателе вентилятора)Включите электропитание. Когда блок находится в режиме ожидания, измерьте напряжение меж ду вы-водо...
Страница 53 - обрывом или коротким замыканием в цепи датчика температуры)
Кондиционеры настенного типа. ICHI 53 Сплит-системы 18.5. EH 60/EH 61/EC 52 (Диагностика и устранение неисправностей, обусловленных обрывом или коротким замыканием в цепи датчика температуры) Описание: Если контрольное напряжение ниже 0,06 В или выше 4,94 В, световой индикатор покажет нали- чие неис...
Страница 54 - блока и платой дисплея)
Кондиционеры настенного типа. ICHI 54 Сплит-системы 18.6. EH 0b (диагностика и устранение ошибки связи между печатной платой внутреннего блока и платой дисплея) Описание: Не устанавливается связь меж ду платой дисплея и платой управления внутреннего блока. Рекомендуется подготовить следующие детали ...
Страница 57 - Порядок проведения проверки; и фактическое значение могут отличаться.
Кондиционеры настенного типа. ICHI 57 Сплит-системы 19. Порядок проведения проверки 19.1. Проверка датчика температуры ОПАСНО Для предотвращения поражения электрическим током необходимо отключить все источники питания или отсоединить все провода. Во избежание травмы выполняйте работы после того, как...
Страница 59 - КОм
Кондиционеры настенного типа. ICHI 59 Сплит-системы i) Сопротивление датчиков температуры (для T1, T2, T3 и T4 (°C--кОм)) °C КОм °C КОм °C КОм °C КОм -20 115,266 20 12,6431 60 2,35774 100 0,62973 -19 108,146 21 12,0561 61 2,27249 101 0,61148 -18 101,517 22 11,5 62 2,19073 102 0,59386 -17 96,3423 23 ...
Страница 61 - iii) Давление у сервисного порта; БАР
Кондиционеры настенного типа. ICHI 61 Сплит-системы iii) Давление у сервисного порта Таблица охлаж дения (R410A) °C Вн. бл. (сух. терм./ вл. терм.) Нар. бл. (сух. терм.) -17 -15 -9,44 7,22 23,89 29,44 35 40,56 46,11 48,89 БАР 21,1/15 6,4 6,5 7,3 8,0 8,2 7,8 8,1 8,6 10,1 10,6 23,89/17,22 6,7 6,8 7,9 ...