Камины Piazzetta MA 266 SL с подъемом P04132010 - инструкция пользователя по применению, эксплуатации и установке на русском языке. Мы надеемся, она поможет вам решить возникшие у вас вопросы при эксплуатации техники.
Если остались вопросы, задайте их в комментариях после инструкции.
"Загружаем инструкцию", означает, что нужно подождать пока файл загрузится и можно будет его читать онлайн. Некоторые инструкции очень большие и время их появления зависит от вашей скорости интернета.

DT2010328-00
4.2
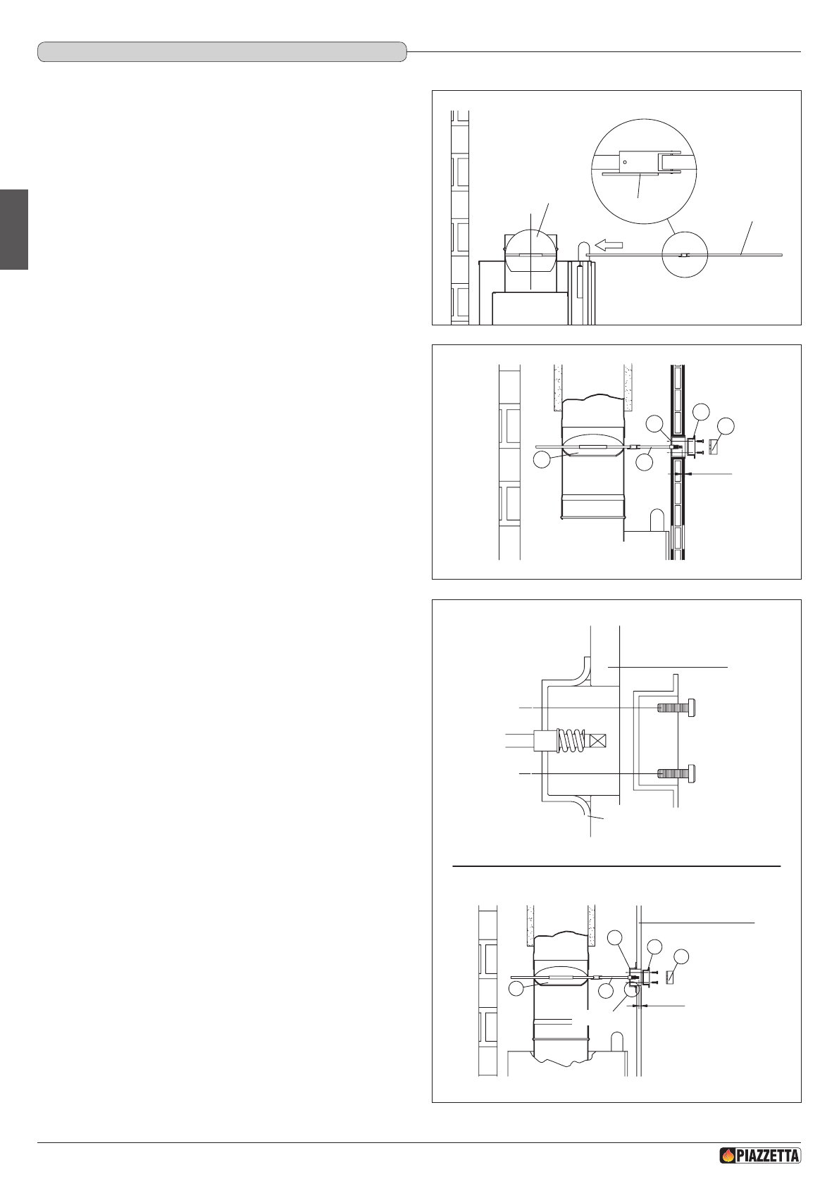
УСТАНОВКА ДАТЧИКА ДЫМА
Топка
оборудован
а
датчиком дыма с
шарнирной тягой,
выполняющей функцию следования углу наклона, под
которым установлена вытяжка. Установка выполняется
следующим образом:
-
Установите датчик (2) в гнезде и держите его в
вертикальном положении.
-
Вставьте тягу (1)
в датчик (2) полностью. При этом
язычок
(3)
остается
направленным
вниз
.
-
Переходите к установке
выпускной трубы дымохода и ее
соединения с дымоходом, как указано в разделе с
соответствующим названием.
-
Выполните
или подготовьте футеровку
фасадной стены.
-
Вставьте входящий в комплект деревянный дюбель
в
коробку (4)
и навинтите его на тягу (1).
-
Затем
определите
точное
расположение
коробки, которое
должно соответствовать углу наклона фасадной стены.
При
движении коробки вместе с дюбелем тяговый стержень (1)
действует как направляющий элемент, и это позволяет
определять идеальное расположение коробки, тяги и стены.
-
Обрежьте
стержень
(1)
на
1см
внутри
внешней поверхности
стены.
-
Далее следует нанизать пластину
(5) и
прикрутить ее к
коробке (4).
-
Закрепите
ручку
(6), убедившись, что расположение датчика
соответствует расположению пластины.
a
Если фасадная стена
выполнена из гипсокартона
(рис. 44),
коробка (4) прикрепляется к стене с помощью
завинчивания винтов, на пластине
(5), перед
этим
необходимо загнуть вверх ее боковые края.
2
3
1
Рис
.
43
2
1
6
5
4
1 CM
2
1
6
5
4
1 CM
СТЕНА ИЗ
ГИПСОКАРТОНА
ДЕТАЛЬ
"A"
ДЕТАЛЬ
"A"
СТЕНА
ИЗ
ГИПСОКАРТОНА
ПОДЪЕМЫ
Рис
.
44
Рис
.
45
H072144UK0 / DT2002732 – 01
28
Русский
DT2030520-00
DT2030521-00
DT2030522-00
Содержание
- 2 Определение; Русский
- 3 ОГЛАВЛЕНИЕ; ОБЩИЕ ПРАВИЛА; , гарантийные обязательства
- 5 У каждого прибора; приспособлен; установить; НЕТ; ОДИНОЧНАЯ
- 6 ДЫМОВАЯ ТРУБА НАД КРЫШЕЙ; ПЛОСКАЯ; обратного потока
- 7 приспособления; Прибор должен быть установлен в таком месте, где; ЗАБОРНИК
- 8 тива; Проверить несущую способность пола можно, суммируя:; БАЗОВЫЕ СТАНДАРТЫ; Материалы, имеющие коды; НЕСУЩАЯ СПОСОБНОСТЬ
- 9 Положение
- 10 СОЕДИНЕНИЕ; ДЫМОХОД; Облицовка
- 11 ВЕНТИЛЯЦИОННЫЕ ОТВЕРСТИЯ; см
- 12 ТЕХНИЧЕСКИЕ; ПРИБОРА; Эмалированная; БЫТОВЫХ ВОЗГОРАНИЙ
- 16 ТЕХНИЧЕСКИЕ ДАННЫЕ; Возможно использование с отводящим дымоходом (если разрешено; ТОПЛИВО; окрашенная сталь
- 17 “ТОПЛИВО”; Нерегулярная эксплуатация прибора.
- 18 Клапан; АКСЕССУАРЫ И ОБОРУДОВАНИЕ; Данные о каждом изделии содержатся на паспортной
- 19 Размеры в см
- 24 ПОДГОТОВКА
- 26 УСТАНОВКА; должны быть; ПОМЕЩЕНИЕ УСТАНОВКИ
- 28 УСТАНОВКА ДАТЧИКА ДЫМА; Топка; Если фасадная стена
- 29 Приблизительное значение указано для ОДНОГО кубического; ИСПОЛЬЗОВАНИЕ; первостепенную важность.
- 30 ШИБЕРНОЙ; Разжигая топку, оставьте заслонку в положении
- 31 ПРИТОКА; Перед розжигом извлеките; Эксплуатационное испытание; ОБЩИЕ; не открывайте дверцу печи; Не тушите огонь водой, так как это может повредить колосник.; Запуск; На данном этапе происходит; Избыток топлива и чрезмерное открытие шиберной заслонки; Номинальный термический КПД определяется с помощью; РЕГУЛИРОВКА; Сжигаемый материал; Положение возд
- 32 ДВЕРЦЫ; При розжиге; Всегда используйте шестигранную дверную ручку; Положите дрова на колосник так, как показано ниже:; ОТКРЫТО; положите растопочный материал; “РЕГУЛИРОВКА ПРИТОКА ВОЗДУХА ДЛЯ ГОРЕНИЯ”; МИНИМАЛЬНАЯ; Необходимое количество дров и; Чтобы не допустить этого,; колосника и дымохода.
- 33 небольшим количеством; В случае возгорания
- 34 КОНТРОЛЬ; го сезона; Креозот; Используйте только рекомендованные виды топлива (см. раздел; Следующие детали должны быть свободными и проходить проверку; не реже, чем каждые два месяца; Стальные части облицовки; УХОД ЗА; мягкую; другие; Если обслуживание не проводится с рекомендуемой
- 35 Поэтому; температуры до 750°C.; Контроль; ОТКРЫТИЕ; Модели; Только для того, чтобы почистить стекло; Модель; ЗА КОЛОСНИКОМ; накоплению золы или остаточных продуктов горения.
- 36 состоит, в основном из оксидов; пока тлеющие; Советы по оптимальному использованию кирпичей из; ДЕФЛЕКТОРОВ; Прибор оснащен дефлектором, предназначенным для; ПРЕКРАЩЕНИЕ РАБОТЫ; Перед длительным перерывом в работе топки рекомендуется; ПЕРИОДИЧЕСКИЙ; Также не следует; Данную операцию могут проводить только специалисты; при этом
- 37 ВЫЯВЛЕНИЕ И УСТРАНЕНИЕ НЕИСПРАВНОСТЕЙ; Проверьте дымовую/газовую
- 38 Слишком большой; Недостаточная герметизация для
- 39 изменения без уведомления.; Country of application: The European Union; Глиняные/керамические блоки; Установка