Страница 2 - ВАЖНЫЕ ИНСТРУКЦИИ; ОПАСНО; Во избежание риска удара электрическим током:; ВНИМАНИЕ
Только для стран Европы: Данный прибор могут использовать дети от 8 лет и старше, а также люди с ограниченными физическими или психическими возможностями, или люди с недостаточным опытом и знаниями – только в случае, если за ними осуществляется надлежащий надзор или им даны указания по безопасному и...
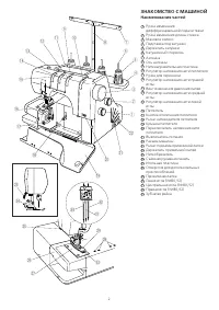
Страница 4 - ЗНАКОМСТВО С МАШИНОЙ; Наименования частей
ЗНАКОМСТВО С МАШИНОЙ Наименования частей Ручка изменения дифференциальной подачи ткани Ручка изменения длины стежка Маховое колесо Подставка под катушки Держатель катушки Катушечный стержень Антенна Ось антенны Нитенаправительная пластина Регулятор натяжения нити петлителя Ручка для переноски Регуля...
Страница 5 - Стандартные аксессуары
Стандартные аксессуары Набор игл: 2 х №80/12, 3 х №90/14 Отвертка (большая) Отвертка (малая) Пинцет Сетка Колпачки держателей катушек Щеточка Нитевдеватель Установочные винты (для фиксации дополнительных приспособлений) Коробка для хранения аксессуаров w q r e t y o u i !0 3 2 3 4 5 7 6 8 9 10 1
Страница 6 - ПОДГОТОВКА К ШИТЬЮ; Подключение питания
ПОДГОТОВКА К ШИТЬЮ Подключение питания Отключите питание и вставьте вилку машины в разъем машины. Вставьте электрическую вилку в розетку на стене. Включите питание. Выключатель питания Вилка машины Разъем машины Электрическая вилка Электрическая розетка Педаль контроля скорости Контроль скорости шит...
Страница 12 - Заправка нитей в машину
Thread the machine in the following order: 1 Left needle thread 2 Center needle thread 3 Right needle thread 4 Looper thread T g Tm 1 2 3 4 1 2 3 ВНИМАНИЕ: Перед заправкой нитей отключите питание машины и вытащите вилку из розетки. w q 10 Заправка нитей в машину Заправляйте нити в машину в следующей...
Страница 13 - Threading the needles; Заправка игл
Заправьте нить в каждую иглу в следующей последовательности: Пропустите нить через нитенаправитель антенны с левой стороны сзади наперед как показано на рисунке (А). ПРИМЕЧАНИЕ: Если нить соскальзывает из прорези нитенаправителя антенны, пропустите ее сквозь отверстие в антенне как показано на рисун...
Страница 14 - Нитевдеватель
Удерживая нить с двух сторон, вставьте ее между дисками натяжения, немного натяните. (Поднимите рычаг прижимной лапки, тогда нить легко пройдет между дисками натяжения). Регулятор натяжения Диски натяжения Пропустите нить сквозь нитенаправитель (А) с правой стороны. Нитенаправитель (А) Выведите нить...
Страница 15 - Заправка петлителя
Заправьте петлитель в следующем порядке: Пропустите нить через нитенаправитель антенны с правой стороны сзади наперед как показано на рисунке (А). ПРИМЕЧАНИЕ: Если нить соскальзывает из прорези нитенаправителя антенны, пропустите ее сквозь отверстие в антенне как показано на рисунке (В). Нитенаправи...
Страница 17 - РАЗНОВИДНОСТИ ШВОВ; Тройной распошивальный шов
РАЗНОВИДНОСТИ ШВОВ Тройной распошивальный шов 4 4 4 3 q w e r q w t r e (A) (B) L 15 e q w Тройной распошивальный шов шьется всеми тремя иглами. Этот шов формирует три параллельных ряда прямых стежков справа. Он идеален для подрубки, пришивания резинки, декоративной отделки и т.д. Левая игла Централ...
Страница 18 - Распошивальный шов
Распошивальный шов Этот шов прошивается двумя иглами и формирует два параллельных ряда прямых стежков с правой стороны. Он часто используется на рукавах и нижнем крае футболок. Бывает три типа распошивального шва: • Узкий левый (3мм в ширину) • Узкий правый (3мм в ширину) • Широкий (6мм в ширину) Уз...
Страница 19 - Баланс натяжения верхней нити
Баланс натяжения верхней нити Установите регуляторы натяжения как описано ниже: Для узкого левого шва (3мм шириной): Регулятор натяжения нити левой иглы: 4 Регулятор натяжения нити центральной иглы: 4 Регулятор натяжения нити петлителя: 3 Для узкого правого шва (3мм шириной): Регулятор натяжения нит...
Страница 20 - Цепной стежок
Цепной стежок Этот шов прошивается одной иглой и формирует цепочку из нити петлителя на обратной стороне ткани. Этот прочный и подвижный стежок используется для обработки трикотажа, пришивания резинки, косой бейки и т.д. Заправьте одну из трех игл и петлитель. Снимите две неиспользуемые иглы (см. ст...
Страница 21 - Рекомендуемые установки натяжения
Переключатель натяжения нити петлителя Этот переключатель контролирует натяжение нити петлителя. Если передвинуть его влево, то будет увеличено натяжение нити петлителя для работы с тяжелыми тканями. Если переключатель передвинут влево, то необходимо увеличить натяжение игольных нитей, повернув регу...
Страница 22 - Завершение шва; Начало шва
Завершение шва Для достижения наилучших результатов в начале и конце шва используйте полоску ткани. Начало шва Поднимите прижимную лапку и подложите полоску ткани под лапку. Опустите лапку и несколько раз поверните на себя маховое колесо. Нажмите на педаль и начните медленно шить. Маховое колесо Ост...
Страница 23 - Снятие ткани в середине строчки
Снятие ткани в середине строчки Поверните на себя маховое колесо и поднимите иглы в верхнее положение. Маховое колесо Поднимите рычаг прижимной лапки и саму лапку. Рычаг прижимной лапки Перед иглами вытяните игольные нити вперед. Без этого невозможно будет отвести ткань назад. Потяните ткань назад. ...
Страница 26 - УХОД ЗА МАШИНОЙ; Чистка тканенаправителей и области; Замена лампочки
УХОД ЗА МАШИНОЙ Чистка тканенаправителей и области петлителей ВНИМАНИЕ: Перед чисткой отключите питание и выньте вилкуиз розетки. ПРИМЕЧАНИЕ:Не разбирайте машину иначе, чем описано в этойинструкции. Снимите прижимную лапку и иглы.Снимите установочный винт и игольную пластину.Очистите тканенаправител...
Страница 27 - Устранение неисправностей
Неисправность Причина Примечание Рвется верхняя нить 1. Неправильно заправлены нити в машину. 2. Слишком сильное натяжение нити. 3. Игла затупилась или погнулась. 4. Игла неправильно установлена. 5. Используется несоответствующая игла. См. стр. 10-14 См. стр. 15, 17, 18 См. стр. 8 См. стр. 8 См. стр...