Страница 2 - Эксплуатация и обслуживания – правила эксплуатации
Эксплуатация и обслуживания – правила эксплуатации 1 В случае затруднений обратитесь за установкой к квалифицированным специалистам. Кроме того, нельзя подключать провода к газовой тру- бе, водопроводным трубам, трубам канализации и другим неподходя- щим местам. При работе кондиционера не оставляйте...
Страница 3 - Правила эксплуатации
Правила эксплуатации 2 Если шнур питания поврежден, он должен быть заменен производителем или сервисным центром либо квалифицированным персоналом. Направление потока воздуха можно регулировать. Во время работы, направление потока воздуха по вертикали регулируется с помощью изменения угла наклона жал...
Страница 4 - компрессора и защитит прибор.; Принцип работы и специальные функции при нагреве; другими отопительными приборами.
Особенности применения 3 Принцип работы и специальные функции при охлаждении Принцип: Кондиционер поглощает тепло в комнате и отводит его в наружный блок, где тепло выпускается в окружающую среду, поэтому температура внутри помещения снижается, а охлаждающая способность прибора зависит от температур...
Страница 5 - После окончания автоматического размораживания.; Мягкий и слабый воздушный поток; а жалюзи - поворачиваться в определенное положение:; для модели IG; Рабочий диапазон температур; для модели
Особенности применения 4 Функция защиты от холодного воздуха: В режиме «Нагрев», при трех следующих состояниях, если температура внутреннего теплообменника не достигла необходимой величины, вентилятор внутреннего блока не будет работать, чтобы не выдувать холодный воздух (примерно 2 минуты): 1. Нача...
Страница 6 - Названия и функции каждой детали; дистанционного; Внутренний блок; Наружный блок; Пульт; Вход воздуха
Названия и функции каждой детали 5 ⑺ ⑹ 1. Провод 2. ПДУ 3. 4. Фильтр дистанционного управления (ПДУ) ⑵ ⑸ ⑻ ⑶ ⑼ ⑴ Внутренний блок Вход воздуха Выход воздуха Наружный блок Пульт Вход воздуха Выход воздуха ⑷ : Холод : Осушение : Вентилятор : Нагрев : Заданная температура : Включено Индикация на дисплее...
Страница 7 - Названия и функции на пульте дистанционного управления; MODE Кнопка выбора режима; Работа пульта дистанционного управления; LIGHT
Названия и функции на пульте дистанционного управления ON/OFF Кнопка включения/выключения Нажатием этой кнопки прибор включа- ется, повторным нажатием – прибор отключается. При включении или вы- ключении прибора, функции таймера и ожидания не работают, но предустанов- ленное время сохраняется. MODE ...
Страница 9 - SWING
Названия и функции на пульте дистанционного управления Кнопка + Служит для увеличения устанавлива- емой температуры. При включенном приборе, этой кнопкой устанавливают температуру. При удержании нажатой этой кнопки более двух секунд, проис- ходит быстрое изменение значений, а прекращение нажатия кно...
Страница 11 - О функции AUTO RUN (Автоматическая работа)
Руководство по эксплуатации – Обычная работа 1. После включения питания, нажмите кнопку ON/OFF (ВКЛ/ВЫКЛ), прибор начнет работу. (Примечание: при включении, направляющие жалюзи главного блока закрываются авто- матически) 2. Нажмите кнопку MODE (РЕЖИМ) выберите нужный режим работы. 3. Кнопками + и - ...
Страница 12 - есть подсветка индикатора.; Работа в чрезвычайных ситуациях; Открыв панель, ручной выключатель можно найти на коробке дисплея.; выключатель
Работа в чрезвычайных ситуациях 11 Функция выключения подсветки индикатора внутреннего блока Есть специальная кнопка для пользователей, которые не могут спать, когда в комнате есть подсветка индикатора. • Включение подсветки индикатора: При включении кнопки, знак появится на дисплее пульта дистанцио...
Страница 13 - Чистка и уход за прибором; Снимите воздушный фильтр
Чистка и уход за прибором 12 ˜°˛˝˙°˛ˆ • Перед чисткой кондиционера отключите питание и выдерните шнур питания из розетки, иначе можно получить удар током. • Во время чистки, не разбрызгивайте воду на внутренний и наружный блоки, так как это может вызвать удар током. • Летучие жидкости (например, рас...
Страница 14 - Проверьте надежность соединения провода заземления.; Обслуживание после окончания работы; Очистите наружный блок от пыли и мусора.
Чистка и уход за прибором 13 ˜°˛˝˙°˛ˆ Проверка перед началом работы 1. Проверьте, чтобы ничто не заграждало воздухозаборник и воздуховыпускное отверстие 2. Проверьте надежность соединения провода заземления. 3. Проверьте, установлены ли батарейки пульта дистанционного управления кондиционера. 4. Про...
Страница 15 - Технические
GRI-07 IG 2 / GRO-07IG 2 GRI-12 IG 2 / GRO-12IG 2 GRI-18 IG 2 / GRO-18IG 2 Холодопроизводительность Ватт 2200 2500 3500 4600 Теплопроизводительность Ватт 2300 2800 3600 5000 Потребляемая мощность охлаждение/нагрев Ватт 685/ 637 780/ 7 7 5 997 / 942 1430 / 1380 Номинальный ток охлаждение/нагрев А 3,6...
Страница 18 - Устранение неисправностей; Проблема; пункты, это поможет сэкономить время и деньги.
Устранение неисправностей 17 Когда кондиционер остановлен, он не будет работать примерно 3 минуты в целях самозашиты. Проблема Устранение Не работает сразу после рестарта кондиционера После начала работы, из отверстия исходит неприятный запах. Прибор не имеет специфических запахов. Если есть запах, ...
Страница 20 - В следующих ситуациях немедленно остановите работу; ˇ ˆ
Устранение неисправностей 19 Из внутреннего блока не выходит воздух Влага на воздуховыпускном отверстии Если прибор долго работает при высокой влажности, на решетке воздуховыпускного отверстия может образовываться и капать влага. В следующих ситуациях немедленно остановите работу прибора, отключите ...
Страница 21 - Правила установки; Важные замечания
Правила установки 20 Из внутреннего блока не выходит воздух Влага на воздуховыпускном отверстии Если прибор долго работает при высокой влажности, на решетке воздуховыпускного отверстия может образовываться и капать влага. В следующих ситуациях немедленно остановите работу прибора, отключите шнур пит...
Страница 22 - Схема установке с размерами
Правила установки 2 1 Требования по безопасности для электронных приборов 1. Необходимо использовать питание от сети переменного тока с напряжением, соответ- ствующим номинальному значению для прибора. Толщина кабеля питания должна быть соответствующей. 2. Не тяните за кабель слишком сильно. 3. Приб...
Страница 23 - Схема установки с размерами
Схема установки с размерами 22 Расстояние до стены Не менее 2 м Не менее 30 см Схема установке с размерами Расстояние до потолка Расстояние до стены Расстояние до стены Сторона воздуховыпускного отверстия Расстояние до пола Более 2.5 ˝ Более 3 ˝ Более15 см Более15 см Более 15 ˘˝ Расстояние до препят...
Страница 24 - Внутренняя
Установка внутреннего блока 23 Установка задней панели 1. Всегда крепите заднюю панель горизонтально. Благодаря поддону во внутреннем блоке, имеется возможность слива воды в двух направлениях. При установке сливное отверстие необходимо разместить чуть ниже, если взять сливное отверстие за центр, то ...
Страница 26 - Подключение
Установка наружного блока 25 Электропроводка: 1. Разберите переднюю панель наружного блока, сняв 4 винта 2. Снимите зажим для проводов. Подключите к выводам соединительный кабель питания, кабель управления (только для кондиционеров с нагревом), кабель питания. Проводка должна соответствовать внутрен...
Страница 28 - Правильно
Установка и обслуживание антибактериального фильтра 27 Инструкции по установке 1. С силой потяните панель с обоих концов на нужный угол в направле- нии стрелок. Потяните фильтр вниз и вытащите его. (См. Рис.a) 2. Установите антибактериальный фильтр фильтр в воздушный фильтр (см. Рис.b). Если воздушн...
Страница 29 - Установка снегозащитного ограждения; установки наружных блоков.
Установка снегозащитного ограждения 28 Высота фундамента с учетом снега (более 50 см) Высота фундамента с учетом снега (более 50 см) более 50 с м Сезонный ветер Сезонный ветер Правильно Неправильно Снегозащитное ограждение (устанавливается на наветренной стороне) Снегозащитное ограждение (обеспечить...
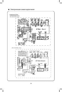
Страница 30 - Электрическая схема подключения; ● Наружный блок
Электрическая схема подключения 29 T-SENSOR TEMP. SENSOR TEMP. SENSOR RT1 ROOM TUBE STEPPING DISPLAY PRINTED CIRCUIT BOARD RECEIVER AND DISPLAY BOARD CABLE CONNECTING SWING-UD MOTOR BLOCK TERMINAL AP2 JUMP CAP BU BK YEGN EVAPORATOR PE XT 2 N(1) M2 OUTDOOR UNIT AP1 PG FAN MOTOR M1 PGF DISP1 DISP2 3 B...
Страница 33 - СПИСОК СЕРВИСНЫХ ЦЕНТРОВ; Леваневского
Более подробную информацию по сервисным центрам Green вы можете получить на сайте www.greenclimat.ru СПИСОК СЕРВИСНЫХ ЦЕНТРОВ 3 2 ООО "Луазо" г. Казань, ул.Декабристов, д.106 , к.Б Тел.: 8 (843) 564-47-07, (843) 260-04-12 ООО "Краснодар-Техсервис" г. Краснодар, ул. Леваневского , д. ...
Страница 35 - не должны выбрасываться вместе с обычными бытовыми отходами.; Для промышленных потребителей в Европейском Союзе; или к дилеру и узнайте правильный метод утилизации.; Примечание относительно символа батарейки (два нижних; годам; Срок службы
Информация для потребителей по сбору и утилизации старого оборудования и использованных батареек Данные символы на изделиях, упаковке и/или сопроводительной документации означают, что использованные электрические и электронные изделия и батарейки не должны выбрасываться вместе с обычными бытовыми от...
Страница 38 - Импортер: ООО «ВИЗОР»; Сертификат соответствия:
www.greenclimat.ru Импортер: ООО «ВИЗОР» Юридический адрес: 141400, Московская область, г. Химки, ул. Репина, д.6, стр.6, офис 205 Фактический адрес: 125599, Москва, ул. Маршала Федоренко, д. 15 Тел.: +7(495) 967-6576 Е-mail: vizor753@gmail.com Сертификат соответствия: № ТС RU C-CN.АЛ16.В.18010 Сери...