Страница 2 - Эксплуатация и обслуживания – правила эксплуатации
Эксплуатация и обслуживания – правила эксплуатации 1 В случае затруднений обратитесь за установкой к квалифицированным специалистам. Кроме того, нельзя подключать провода к газовой тру- бе, водопроводным трубам, трубам канализации и другим неподходя- щим местам. При работе кондиционера не оставляйте...
Страница 3 - Правила эксплуатации
Правила эксплуатации 2 Если шнур питания поврежден, он должен быть заменен производителем или сервисным центром либо квалифицированным персоналом. Направление потока воздуха можно регулировать. Во время работы, направление потока воздуха по вертикали регулируется с помощью изменения угла наклона жал...
Страница 4 - компрессора и защитит прибор.; Принцип работы и специальные функции при нагреве; другими отопительными приборами.
Особенности применения 3 Принцип работы и специальные функции при охлаждении Принцип: Кондиционер поглощает тепло в комнате и отводит его в наружный блок, где тепло выпускается в окружающую среду, поэтому температура внутри помещения снижается, а охлаждающая способность прибора зависит от температур...
Страница 5 - После окончания автоматического размораживания.; Мягкий и слабый воздушный поток; а жалюзи - поворачиваться в определенное положение:; для модели IG1
Особенности применения 4 Функция защиты от холодного воздуха: В режиме «Нагрев», при трех следующих состояниях, если температура внутреннего теплообменника не достигла необходимой величины, вентилятор внутреннего блока не будет работать, чтобы не выдувать холодный воздух (примерно 2 минуты): 1. Нача...
Страница 6 - Названия и функции каждой детали; Внутренний блок; Наружный блок; Пульт; Вход воздуха
Названия и функции каждой детали 5 ⑸ ⑻ ⑶ ⑼ ⑴ ⑵ Внутренний блок Вход воздуха Выход воздуха Наружный блок Пульт дистанционного управления (ПДУ) Вход воздуха Выход воздуха ⑷ ⑹ ⑺ : Холод : Осушение : Вентилятор : Нагрев : Заданная температура : Включено Индикация на дисплее 1. Провод электропитания 2. П...
Страница 7 - Названия и функции на пульте дистанционного управления; Кнопка включения/выключения; РАБОТА ПУЛЬТА ДИСТАНЦИОННОГО УПРАВЛЕНИЯ
Названия и функции на пульте дистанционного управления ON/OFF Кнопка включения/выключения Нажатием этой кнопки прибор включа - ется, повторным нажатием – прибор отключается. При включении или вы - ключении прибора, функции таймера и ожидания не работают, но предустанов - ленное время сохраняется. MO...
Страница 9 - ON
Названия и функции на пульте дистанционного управления Кнопка + Служит для увеличения устанавлива - емой температуры. При включенном приборе, этой кнопкой устанавливают температуру. При удержании нажатой этой кнопки более двух секунд, проис - ходит быстрое изменение значений, а прекращение нажатия к...
Страница 10 - AUT; CK”
Руководство по эксплуатации – Обычная работа 1. После включения питания, нажмите кнопку ON/OFF (ВКЛ/ВЫКЛ), прибор начнет работу. (Примечание: при включении, направляющие жалюзи главного блока закрываются авто - матически) 2. Нажмите кнопку MODE (РЕЖИМ) выберите нужный режим работы. 3. Кнопками + и -...
Страница 11 - есть подсветка индикатора.; Работа в чрезвычайных ситуациях; Открыв панель, ручной выключатель можно найти на коробке дисплея.; Ручной
Работа в чрезвычайных ситуациях Функция выключения подсветки индикатора внутреннего блока Есть специальная кнопка для пользователей, которые не могут спать, когда в комнате есть подсветка индикатора. • Включение подсветки индикатора: При включении кнопки, знак появится на дисплее пульта дистанционно...
Страница 12 - Чистка и уход за прибором; Внимание; Снимите воздушный фильтр
Чистка и уход за прибором 1 Внимание • Перед чисткой кондиционера отключите питание и выдерните шнур питания из розетки, иначе можно получить удар током. • Во время чистки, не разбрызгивайте воду на внутренний и наружный блоки, так как это может вызвать удар током. • Летучие жидкости (например, раст...
Страница 13 - Проверка перед началом работы; Проверьте надежность соединения провода заземления.; Обслуживание после окончания работы; Очистите наружный блок от пыли и мусора.
Чистка и уход за прибором 1 Внимание Проверка перед началом работы 1. Проверьте, чтобы ничто не заграждало воздухозаборник и воздуховыпускное отверстие 2. Проверьте надежность соединения провода заземления. 3. Проверьте, установлены ли батарейки пульта дистанционного управления кондиционера. 4. Пров...
Страница 14 - ТЕХНИЧЕСКИЕ ХАРАКТЕРИСТИКИ
ТЕХНИЧЕСКИЕ ХАРАКТЕРИСТИКИ 13 GRI-07 IG1/ GRO-07 IG1 GRI-09 IG1/ GRO- 09 IG1 GRI-12 IG1/ GRO-12 IG1 GRI-18 IG1/ GRO-18 IG1 Холодопроизводительность Ватт 2200 2500 3200 4600 Теплопроизводительность Ватт 2 3 00 2800 3 6 00 5000 Потребляемая мощность охлаждение/нагрев Ватт 780/ 775 780/ 755 997 / 942 1...
Страница 16 - Устранение неисправностей; Проблема; пункты, это поможет сэкономить время и деньги.
Устранение неисправностей 1 Когда кондиционер остановлен, он не будет работать примерно 3 минуты в целях самозашиты. Проблема Устранение Не работает сразу после рестарта кондиционера После начала работы, из отверстия исходит неприятный запах. Прибор не имеет специфических запахов. Если есть запах, т...
Страница 18 - Из внутреннего блока не выходит воздух; В следующих ситуациях немедленно остановите работу
Устранение неисправностей 1 Из внутреннего блока не выходит воздух Влага на воздуховыпускном отверстии Если прибор долго работает при высокой влажности, на решетке воздуховыпускного отверстия может образовываться и капать влага. В следующих ситуациях немедленно остановите работу прибора, отключите ш...
Страница 19 - Правила установки; Важные замечания
Правила установки 1 Из внутреннего блока не выходит воздух Влага на воздуховыпускном отверстии Если прибор долго работает при высокой влажности, на решетке воздуховыпускного отверстия может образовываться и капать влага. В следующих ситуациях немедленно остановите работу прибора, отключите шнур пита...
Страница 20 - Схема установке с размерами
Правила установки Требования по безопасности для электронных приборов 1. Необходимо использовать питание от сети переменного тока с напряжением, соответ- ствующим номинальному значению для прибора. Толщина кабеля питания должна быть соответствующей. 2. Не тяните за кабель слишком сильно. 3. Прибор д...
Страница 21 - Схема установки с размерами
Схема установки с размерами 2 Расстояние до стены Не менее 2 м Не менее 30 см Схема установке с размерами Расстояние до потолка Расстояние до стены Расстояние до стены Сторона воздуховыпускного отверстия Расстояние до пола Более 2.5 м Более 3 м Более15 см Более15 см Более 15 см Расстояние до препятс...
Страница 22 - Внутренняя
Установка внутреннего блока 2 Установка задней панели 1. Всегда крепите заднюю панель горизонтально. Благодаря поддону во внутреннем блоке, имеется возможность слива воды в двух направлениях. При установке сливное отверстие необходимо разместить чуть ниже, если взять сливное отверстие за центр, то в...
Страница 24 - Рама
Установка наружного блока 2 Электропроводка: 1. Разберите переднюю панель наружного блока, сняв 4 винта 2. Снимите зажим для проводов. Подключите к выводам соединительный кабель питания, кабель управления (только для кондиционеров с нагревом), кабель питания. Проводка должна соответствовать внутренн...
Страница 26 - Правильно
Установка и обслуживание антибактериального фильтра 2 Инструкции по установке 1. С силой потяните панель с обоих концов на нужный угол в направле- нии стрелок. Потяните фильтр вниз и вытащите его. (См. Рис.a) 2. Установите антибактериальный фильтр фильтр в воздушный фильтр (см. Рис.b). Если воздушны...
Страница 27 - Установка снегозащитного ограждения; установки наружных блоков.
Установка снегозащитного ограждения 2 Высота фундамента с учетом снега (более 50 см) Высота фундамента с учетом снега (более 50 см) более 50 с м Сезонный ветер Сезонный ветер Правильно Неправильно Снегозащитное ограждение (устанавливается на наветренной стороне) Снегозащитное ограждение (обеспечить ...
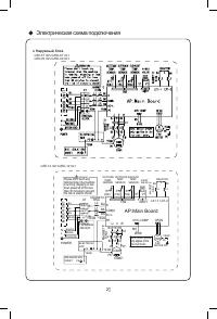
Страница 28 - Электрическая схема подключения
Электрическая схема подключения 2 T-SENSOR TEMP. SENSOR TEMP. SENSOR RT1 ROOM TUBE STEPPING DISPLAY PRINTED CIRCUIT BOARD RECEIVER AND DISPLAY BOARD CABLE CONNECTING SWING-UD MOTOR BLOCK TERMINAL AP2 JUMP CAP BU BK YEGN EVAPORATOR PE XT 2 N(1) M2 OUTDOOR UNIT AP1 PG FAN MOTOR M1 PGF DISP1 DISP2 3 BN...