Green GRI/GRO-18IG1 - Инструкция по эксплуатации

Green GRI/GRO-18IG1

Кондиционер Green GRI/GRO-18IG1 - инструкция пользователя по применению, эксплуатации и установке на русском языке. Мы надеемся, она поможет вам решить возникшие у вас вопросы при эксплуатации техники.

Если остались дополнительные вопросы — свяжитесь с нами через контактную форму.

1 Страница 1
2 Страница 2
3 Страница 3
4 Страница 4
5 Страница 5
6 Страница 6
7 Страница 7
8 Страница 8
9 Страница 9
10 Страница 10
11 Страница 11
12 Страница 12
13 Страница 13
14 Страница 14
15 Страница 15
16 Страница 16
17 Страница 17
18 Страница 18
19 Страница 19
20 Страница 20
21 Страница 21
22 Страница 22
23 Страница 23
24 Страница 24
25 Страница 25
26 Страница 26
27 Страница 27
28 Страница 28
29 Страница 29
30 Страница 30
31 Страница 31
32 Страница 32
Страница: / 32

Содержание:

  • Страница 2 – Эксплуатация и обслуживания – правила эксплуатации
  • Страница 3 – Правила эксплуатации
  • Страница 4 – компрессора и защитит прибор.; Принцип работы и специальные функции при нагреве; другими отопительными приборами.
  • Страница 5 – После окончания автоматического размораживания.; Мягкий и слабый воздушный поток; а жалюзи - поворачиваться в определенное положение:; для модели IG1
  • Страница 6 – Названия и функции каждой детали; Внутренний блок; Наружный блок; Пульт; Вход воздуха
  • Страница 7 – Названия и функции на пульте дистанционного управления; Кнопка включения/выключения; РАБОТА ПУЛЬТА ДИСТАНЦИОННОГО УПРАВЛЕНИЯ
  • Страница 9 – ON
  • Страница 10 – AUT; CK”
  • Страница 11 – есть подсветка индикатора.; Работа в чрезвычайных ситуациях; Открыв панель, ручной выключатель можно найти на коробке дисплея.; Ручной
  • Страница 12 – Чистка и уход за прибором; Внимание; Снимите воздушный фильтр
  • Страница 13 – Проверка перед началом работы; Проверьте надежность соединения провода заземления.; Обслуживание после окончания работы; Очистите наружный блок от пыли и мусора.
  • Страница 14 – ТЕХНИЧЕСКИЕ ХАРАКТЕРИСТИКИ
  • Страница 16 – Устранение неисправностей; Проблема; пункты, это поможет сэкономить время и деньги.
  • Страница 18 – Из внутреннего блока не выходит воздух; В следующих ситуациях немедленно остановите работу
  • Страница 19 – Правила установки; Важные замечания
  • Страница 20 – Схема установке с размерами
  • Страница 21 – Схема установки с размерами
  • Страница 22 – Внутренняя
  • Страница 24 – Рама
  • Страница 26 – Правильно
  • Страница 27 – Установка снегозащитного ограждения; установки наружных блоков.
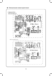
  • Страница 28 – Электрическая схема подключения
Загрузка инструкции

GRI-07

IG1

/GRO-07 IG1

GRI-09

IG1

/GRO-09 IG1

GRI-12

IG1

/GRO-12 IG1

GRI-18

IG1

/GRO-18 IG1

РУКОВОДСТВО ПОЛЬЗОВАТЕЛЯ

РУКОВОДСТВО ПО УСТАНОВКЕ

"Загрузка инструкции" означает, что нужно подождать пока файл загрузится и можно будет его читать онлайн. Некоторые инструкции очень большие и время их появления зависит от вашей скорости интернета.

Краткое содержание

Страница 2 - Эксплуатация и обслуживания – правила эксплуатации

Эксплуатация и обслуживания – правила эксплуатации 1 В случае затруднений обратитесь за установкой к квалифицированным специалистам. Кроме того, нельзя подключать провода к газовой тру- бе, водопроводным трубам, трубам канализации и другим неподходя- щим местам. При работе кондиционера не оставляйте...

Страница 3 - Правила эксплуатации

Правила эксплуатации 2 Если шнур питания поврежден, он должен быть заменен производителем или сервисным центром либо квалифицированным персоналом. Направление потока воздуха можно регулировать. Во время работы, направление потока воздуха по вертикали регулируется с помощью изменения угла наклона жал...

Страница 4 - компрессора и защитит прибор.; Принцип работы и специальные функции при нагреве; другими отопительными приборами.

Особенности применения 3 Принцип работы и специальные функции при охлаждении Принцип: Кондиционер поглощает тепло в комнате и отводит его в наружный блок, где тепло выпускается в окружающую среду, поэтому температура внутри помещения снижается, а охлаждающая способность прибора зависит от температур...

Характеристики

Другие модели - Кондиционеры Green

Все кондиционеры Green