Генераторы Yamaha EDL11000E 2012 - инструкция пользователя по применению, эксплуатации и установке на русском языке. Мы надеемся, она поможет вам решить возникшие у вас вопросы при эксплуатации техники.
Если остались вопросы, задайте их в комментариях после инструкции.
"Загружаем инструкцию", означает, что нужно подождать пока файл загрузится и можно будет его читать онлайн. Некоторые инструкции очень большие и время их появления зависит от вашей скорости интернета.

- 66 -
)z
H0
6/
V0
42/
02
1(
E
D0
00
11
L
D
E
P
Wt
AC
19
N
50
CH
Op
GuGo
G
B
L
B
G
G/RL
B Y
W/G
G/L
R
R
W/RLL
Y
Y
Y
Y
+
R3
B
ST
EX.
VR
W/B
W/B
Y
R3
23
22
21
87
86
30
85
2 1
5
7
46
3
15A
2A
1A
W/B
Y
G/W
B
B
1
4
3
6
2
5
W/B
L2
W/B B/R
B
W/G
L
G/R
B
5
6
2
3
4
1
R
B/R
G
W
B
F+
F
W
43
20
0E
3
67
GL
Y
OR
R
BR
PP
W
W/G
G/R
W/G
W
B
B
B
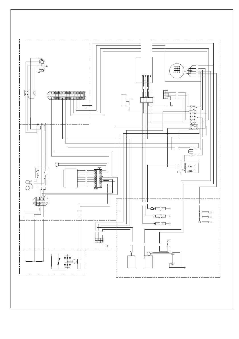
Glow lamp
OFF
50
19
30
AC
ON
START
GLOW
30
AC
19
50
Oil pressure lamp Battery charge lamp
Water temperature lamp
B
B
B
B
N
U
V
B
L
U
V
N
B
1
2
3
4
5
6
GENERATOR
R
ET
N
E
C
D
A
OL
X
O
B
L
O
RT
N
O
C
V
98
0
q
7
BED/FRAME
l
z
CPR
k
x
;
p
f
i
t
h
j
o
g
r
ENGINE
e
y
w
u
c
ГЕНЕР
А
ТОР
БЛОК УПР
АВЛЕНИЯ
ЭНЕРГ
ОУЗЕЛ
ПОСТЕЛЬ/Р
АМА
ДВИГ
А
ТЕЛЬ
Сигнализатор высокой температуры охлаждающей жидкости
Сигнализатор низкого давления моторного масла
Сигнализатор высокой температуры охлаждающей жидкости
Сигнализатор неисправности системы зарядки
Индикатор свечей накаливания
EDL21000E (220 В/50 Г
ц
)