Генераторы Yamaha EDL11000E 2012 - инструкция пользователя по применению, эксплуатации и установке на русском языке. Мы надеемся, она поможет вам решить возникшие у вас вопросы при эксплуатации техники.
Если остались вопросы, задайте их в комментариях после инструкции.
"Загружаем инструкцию", означает, что нужно подождать пока файл загрузится и можно будет его читать онлайн. Некоторые инструкции очень большие и время их появления зависит от вашей скорости интернета.

- 63 -
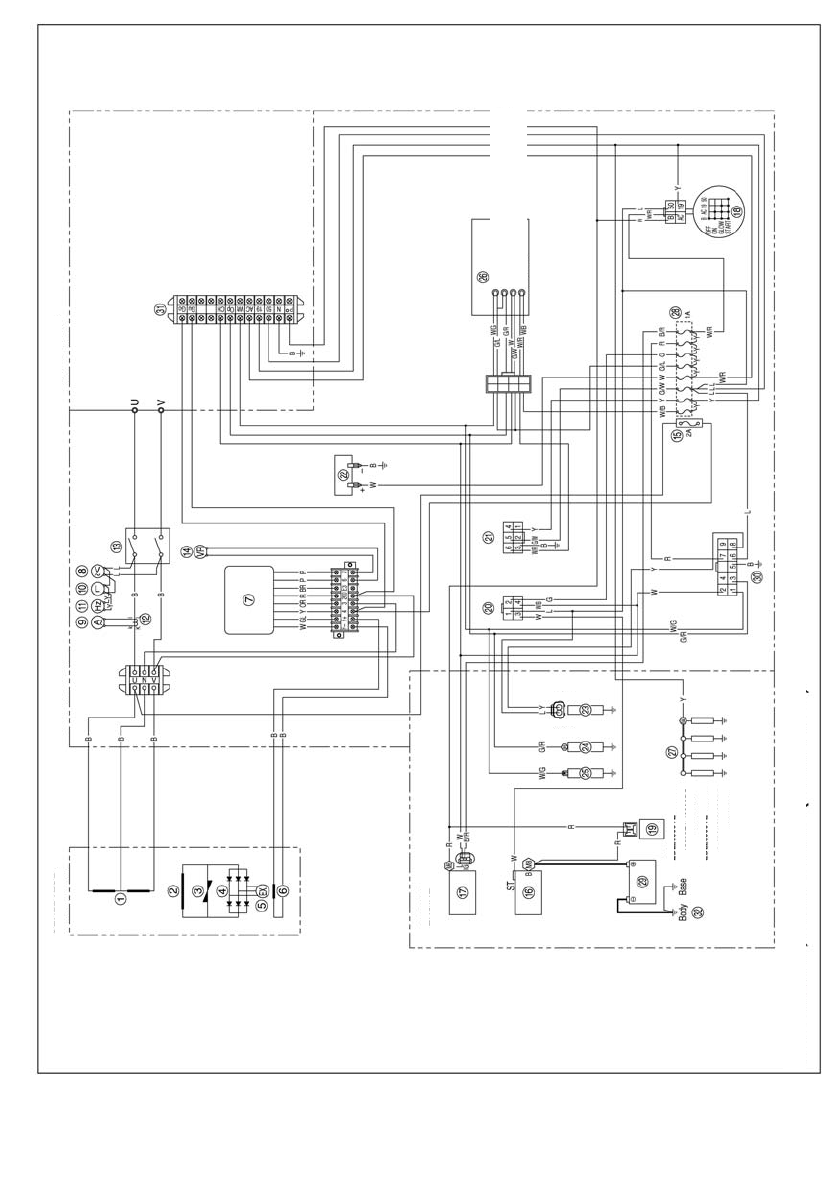
ГЕНЕР
А
ТОР
БЛОК УПР
АВЛЕНИЯ
ЭНЕРГ
ОУЗЕЛ
ДВИГ
А
ТЕЛЬ
Индикатор свечей накаливания
Сигнализатор неисправности системы зарядки
Сигнализатор низкого давления моторного масла
Сигнализатор высокой температуры охлаждающей жидкости
Корпус
Основание
EDL20000TE
21000E/21000DE
EDL26000TE
Предохранитель: 50 А
Предохранитель: 65 А
16000E/16000DE
EDL16000E, EDL21000E (220 В/50 Г
ц
)