Генераторы Hitachi E 57 S3Р - инструкция пользователя по применению, эксплуатации и установке на русском языке. Мы надеемся, она поможет вам решить возникшие у вас вопросы при эксплуатации техники.
Если остались вопросы, задайте их в комментариях после инструкции.
"Загружаем инструкцию", означает, что нужно подождать пока файл загрузится и можно будет его читать онлайн. Некоторые инструкции очень большие и время их появления зависит от вашей скорости интернета.

20
Русский
E57(S3P)
㉙
⑭
③
⑥
④
②
⑦
⑤
①
⑮
⑫
⑳
㉕
㉖
㉔
㉒
㉓
⑩
⑪
⑨
⑨
⑧
㉚
R
R
R
b
W
W
W
V
b
b
Y
G
br
Lg
G
G
G
Y/G
R
b
b
R
R
G/R
Y/G
G/Y
b
G/R
r
O
W
/
b
G
Y/G
R
R
b
W
G
b
b
Y
G
b
W
G
G/Y
G/Y
R
G
b
W
R
㉑
㉗
㉘
⑰
⑱
⑯
⑲
㉛
W G b
M
PL
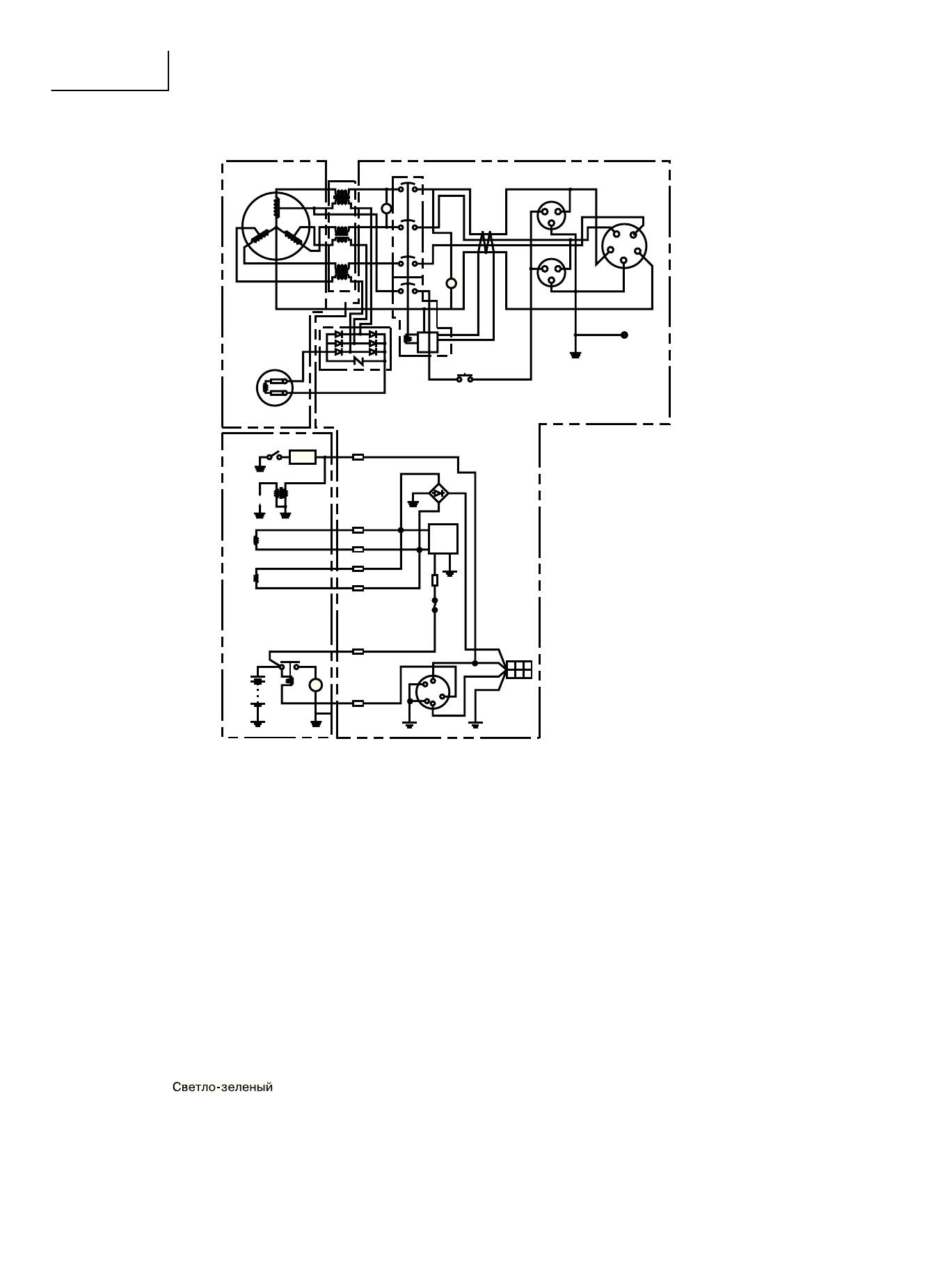
Рис. 12
①
Блок ротора
②
Основная обмотка
③
Блок статора
④
Вольтметр
⑤
Индикатор работы
⑥
Автоматическое реле-
прерыватель
⑦
Автоматическое реле-
прерыватель при утечке (E.L.B.)
⑧
Электророзетка (3 фазная)
⑨
Электророзетка (1 фазная)
⑩
Заземление
⑪
Заземляющий контакт
⑫
Тестовая кнопка
⑬
Выключатель зажигания
⑭
Преобразователь
⑮
Диодный мост
⑯
Выпрямитель
⑰
Контакт дистанционного
управления
⑱
Предохранитель
⑲
Выпрямитель/регулятор
⑳
Блок масляного датчика
㉑
Аккумулятор
㉒
Обогреватель карбюратора
㉓
Реле низкого уровня масла
㉔
Первичная обмотка
㉕
Крыльчатка магнето
㉖
Свеча зажигания
㉗
Реле стартера
㉘
Мотор стартера
㉙
Альтернатор
㉚
Блок управления
㉛
Двигатель
Условное обозначение цветов проводки
B
Черный
Br
Коричневый
G
Зеленый
Gy
Серый
Lg
Or
Оранжевый
R
Красный
W
Белый
Y
Желтый
B/W Черно-белый
G/Y Зелено-желтый
G/R Зелено-красный
Y/G
Желто-зеленый
Содержание
- 2 SAFETY INSTRUCTIONS AND INSTRUCTION MANUAL; WARNING; Model; Мoдeль; Generator; ИНСТРУКЦИЯ ПО БЕЗОПАСНОСТИ И ЭКСПЛУАТАЦИИ; ВНИМАНИЕ; привecти к ceрьeзным трaвмaм или cмeрти!
- 14 ВВЕДЕНИЕ; ИНФОРМАЦИОННЫЕ ЯРЛЫКИ
- 15 ТРЕБОВАНИЯ ПО БЕЗОПАСНОСТИ; РАСПОЛОЖЕНИЕ ВАЖНЫХ ИНФОРМАЦИОННЫХ ЯРЛЫКОВ; ЗНАЧЕНИЕ ВАЖНЫХ ИНФОРМАЦИОННЫХ ЯРЛЫКОВ
- 16 ПРАВИЛА ЭКСПЛУАТАЦИИ И ОБСЛУЖИВАНИЯ; НАЗНАЧЕНИЕ ЭЛЕМЕНТОВ УПРАВЛЕНИЯ; ОПИСАНИЕ
- 17 ВЫКЛЮЧАТЕЛЬ ЗАЖИГАНИЯ; АВТОМАТИЧЕСКОЕ РЕЛЕ-ПРЕРЫВАТЕЛЬ ПЕРЕМЕННОГО ТОКА
- 18 ОБЛАСТЬ ПРИМЕНЕНИЯ; Убедитесь, что общая нагрузка подключенных электроприборов
- 19 ТЕХНИЧЕСКИЕ ХАРАКТЕРИСТИКИ; ГЕНЕРАТОР ПEРЕМЕННОГО ТОКА
- 20 СХЕМА ЭЛЕКТРИЧЕСКОЙ ПРОВОДКИ
- 22 УСТАНОВКА ПОДДОНА ДЛЯ АККУМУЛЯТОРА; МОНТАЖ КОМПЛЕКТА ПЕРЕНОСНОЙ РУКОЯТКИ; в месте расположения центра тяжести
- 23 ДЕКЛАРАЦИЯ СООТВЕТСТВИЯ ДИРЕКТИВЕ ЕЭС О ПОСТАВКАХ; СООТВЕТСТВИЕ ЕДИНОЙ ДИРЕКТИВЕ ЕЭС: