Генераторы Forte FG12E3 - инструкция пользователя по применению, эксплуатации и установке на русском языке. Мы надеемся, она поможет вам решить возникшие у вас вопросы при эксплуатации техники.
Если остались вопросы, задайте их в комментариях после инструкции.
"Загружаем инструкцию", означает, что нужно подождать пока файл загрузится и можно будет его читать онлайн. Некоторые инструкции очень большие и время их появления зависит от вашей скорости интернета.

12. ВІДМІТКИ ПРО ПРОВЕДЕННЯ ТЕХНІЧНОГО ОБСЛУГОВУВАННЯ
Данні відмітки служать для підтвердження виконання робіт, указаних у графіку технічного
обслуговування. Технічне обслуговування має проводитись по досягненню терміну або пробігу (в
залежності від того, що настане раніше). При зміні власника агрегату ці дані повинні бути передані
новому власнику
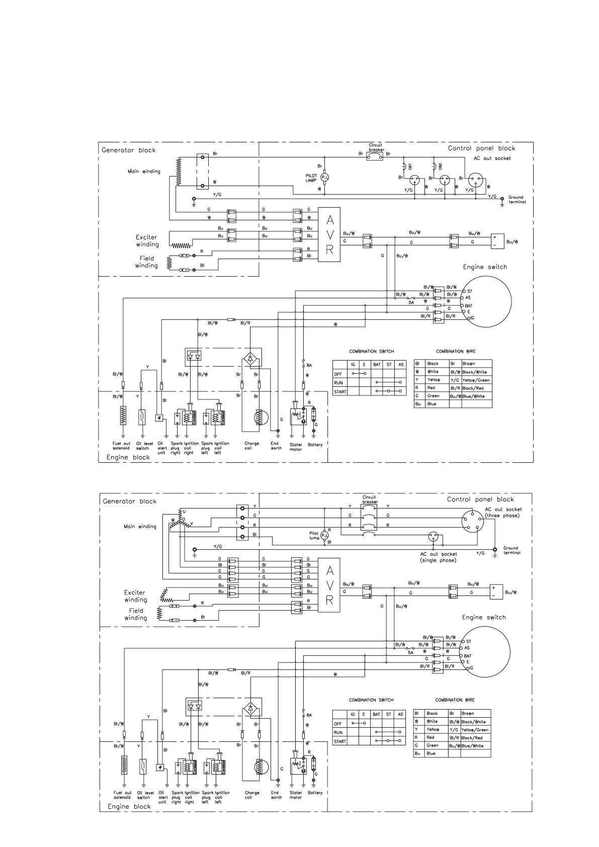
13. ЕЛЕКТРОСХЕМИ
1
)
12000 1-фазна
2
)
12000
3-х фазна
Характеристики
Остались вопросы?Не нашли свой ответ в руководстве или возникли другие проблемы? Задайте свой вопрос в форме ниже с подробным описанием вашей ситуации, чтобы другие люди и специалисты смогли дать на него ответ. Если вы знаете как решить проблему другого человека, пожалуйста, подскажите ему :)