Генераторы 2E (BS7500E-V) - инструкция пользователя по применению, эксплуатации и установке на русском языке. Мы надеемся, она поможет вам решить возникшие у вас вопросы при эксплуатации техники.
Если остались вопросы, задайте их в комментариях после инструкции.
"Загружаем инструкцию", означает, что нужно подождать пока файл загрузится и можно будет его читать онлайн. Некоторые инструкции очень большие и время их появления зависит от вашей скорости интернета.

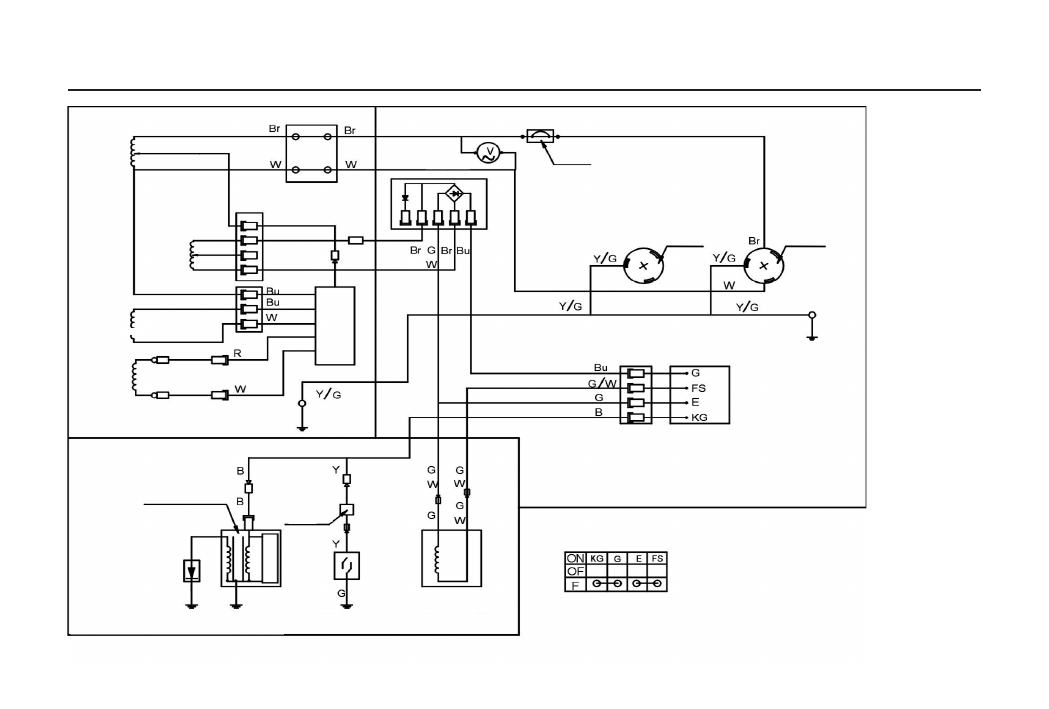
МОНТАЖНА СХЕМА (6500/7500/9500/10000)
Основна
котушка
Котушка
постійного
струму
Котушка
збудження
Генераторний блок
Блок двигуна
Блок панелі керування
Підключення замка запалювання
Ав
тома
ти
чний
рег
ул
ят
ор
напр
уг
и
Заземлення
генератора
Вольтметр
Вимикач
Розетка
змінного
струму
Розетка
змінного
струму
Свічка
запалювання
Котушка
запалювання
Датчик рівня
палива
Паливний
електромагнітний
клапан
Транзисторне
магнето
Транзисторне
магнето
Котушка
підзбудження
17
Характеристики
Остались вопросы?Не нашли свой ответ в руководстве или возникли другие проблемы? Задайте свой вопрос в форме ниже с подробным описанием вашей ситуации, чтобы другие люди и специалисты смогли дать на него ответ. Если вы знаете как решить проблему другого человека, пожалуйста, подскажите ему :)