Fondital WHPF BM 120 - Инструкция по эксплуатации

Fondital WHPF BM 120

Водонагреватель Fondital WHPF BM 120 - инструкция пользователя по применению, эксплуатации и установке на русском языке. Мы надеемся, она поможет вам решить возникшие у вас вопросы при эксплуатации техники.

Если остались дополнительные вопросы — свяжитесь с нами через контактную форму.

1 Страница 1
2 Страница 2
3 Страница 3
4 Страница 4
5 Страница 5
6 Страница 6
7 Страница 7
8 Страница 8
9 Страница 9
10 Страница 10
11 Страница 11
12 Страница 12
Страница: / 12
Загрузка инструкции

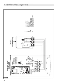
WHPF BM

ê

êì

ìä

äé

éÇ

Çé

éÑ

Ñë

ëí

íÇ

Çé

é è

èé

é ì

ìë

ëí

íÄ

Äç

çé

éÇ

Çä

äÖ

Ö,,

ù

ùä

äë

ëè

èã

ãì

ìA

íA

ñà

àà

à à

à

í

íÖ

Öï

ïç

çà

àó

óÖ

Öë

ëä

äé

éå

åì

ì é

éÅ

Åë

ëã

ãì

ìÜ

Üà

àÇ

ÇÄ

Äç

çà

àû

û

IST 03 C 111 - 02

RU

"Загрузка инструкции" означает, что нужно подождать пока файл загрузится и можно будет его читать онлайн. Некоторые инструкции очень большие и время их появления зависит от вашей скорости интернета.

Характеристики

Другие модели - Водонагреватели Fondital