Fini Медицинский MED 102-24V-0.75M 100045306 - Инструкция по эксплуатации

Fini Медицинский MED 102-24V-0.75M 100045306

Компрессор Fini Медицинский MED 102-24V-0.75M 100045306 - инструкция пользователя по применению, эксплуатации и установке на русском языке. Мы надеемся, она поможет вам решить возникшие у вас вопросы при эксплуатации техники.

Если остались дополнительные вопросы — свяжитесь с нами через контактную форму.

1 Страница 1
2 Страница 2
3 Страница 3
4 Страница 4
5 Страница 5
6 Страница 6
7 Страница 7
8 Страница 8
9 Страница 9
10 Страница 10
11 Страница 11
12 Страница 12
13 Страница 13
14 Страница 14
Страница: / 14

Содержание:

  • Страница 2 – ПРЕДИСЛОВИЕ; Применение руководства; ВНИМАНИЕ; Информация о технической поддержке
  • Страница 3 – РУССКИЙ; Предусмотренное пользование; Очень внимательно прочесть Руководство; ИНФОРМАЦИЯ ОБЩЕГО ХАРАКТЕРА
  • Страница 4 – с баком свыше 24 литров:; ТРАНСОПРТИРОВКА И ПОГРУЗОЧНО-РАЗГРУЗОЧНЫЕ РАБОТЫ
  • Страница 5 – вентиляционная решётка находилась не менее 20 см; Подключение к сети электропитания; Мощность компрессора ЛС; мм; Подача выключателя; ВЫКЛ
  • Страница 7 – SW; ФУНКЦИОНИРОВАНИЕ И ЭКСПЛУАТАЦИЯ
  • Страница 9 – Защита от перегрузок; аварийный выключатель двигателя; Выключить компрессор и вывести
  • Страница 10 – Операции последующего техобслуживания; года или каждые 2000 часов; Неполадка
  • Страница 11 – СУШИЛКА – DRYER; YT
Загрузка инструкции

L / 1

РУССКИЙ

СОДЕРЖАНИЕ

ПРЕДИСЛОВИЕ

........................................................................2

1. ИНФОРМАЦИЯ ОБЩЕГО ХАРАКТЕРА

...............................3

2. ТРАНСОПРТИРОВКА И ПОГРУЗОЧНО-РАЗГРУЗОЧНЫЕ

РАБОТЫ

....................................................................................4

3. УСТАНОВКА

..........................................................................5

4. НАСТРОЙКИ

..........................................................................6

5. ФУНКЦИОНИРОВАНИЕ И ЭКСПЛУАТАЦИЯ

......................7

6. ТЕХОБСЛУЖИВАНИЕ

..........................................................9

7. ПОИСК ПОВРЕЖДЕНИЙ

...................................................10

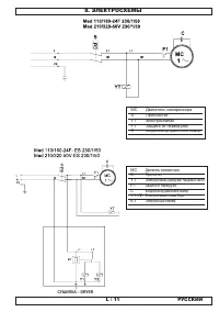
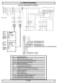
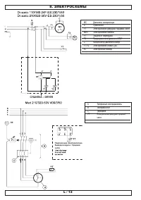
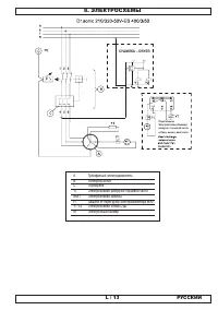
8. ЭЛЕКТРОСХЕМЫ

................................................................ 11

"Загрузка инструкции" означает, что нужно подождать пока файл загрузится и можно будет его читать онлайн. Некоторые инструкции очень большие и время их появления зависит от вашей скорости интернета.

Краткое содержание

Страница 2 - ПРЕДИСЛОВИЕ; Применение руководства; ВНИМАНИЕ; Информация о технической поддержке

L / 2 ПРЕДИСЛОВИЕ Применение руководства Настоящее руководство считается неотьемлемой частью компрессора и должно храниться вместе с ним. Хранить руководство в подходящем месте и использовать его таким образом, чтобы не повредить ему. В случае перепрадажи, важно, чтобы руководство было передано ново...

Страница 3 - РУССКИЙ; Предусмотренное пользование; Очень внимательно прочесть Руководство; ИНФОРМАЦИЯ ОБЩЕГО ХАРАКТЕРА

L / 3 РУССКИЙ 1.1 Описание Компрессоры MEDICAIR входят в серию OILLESS, то есть такого оборудования, которое не нуждается в каких либо смазывающих средствах. Это значительно сокращает и упрощает операции планового и экстренного техобслуживания; а также позволяет установить компрессор на наклонную по...

Страница 4 - с баком свыше 24 литров:; ТРАНСОПРТИРОВКА И ПОГРУЗОЧНО-РАЗГРУЗОЧНЫЕ РАБОТЫ

L / 4 2.1 Снятие упаковки (рис.2) Обратить внимание на к омплек т ующие детали, в ход я щ и е в н а с то я щ у ю у п а к о в к у и н а п ол н у ю целостность компрессора. При доставке оборудования к клиенту, оно должно быть закреплено на деревянный поддон и защищено картонной упаковкой. В защитных п...

Характеристики

Другие модели - Компрессоры Fini