Эван Warmos Start - 12 - Инструкция по эксплуатации

Эван Warmos Start - 12

Котел Эван Warmos Start - 12 - инструкция пользователя по применению, эксплуатации и установке на русском языке. Мы надеемся, она поможет вам решить возникшие у вас вопросы при эксплуатации техники.

Если остались дополнительные вопросы — свяжитесь с нами через контактную форму.

1 Страница 1
2 Страница 2
3 Страница 3
4 Страница 4
5 Страница 5
6 Страница 6
7 Страница 7
8 Страница 8
9 Страница 9
10 Страница 10
11 Страница 11
12 Страница 12
13 Страница 13
14 Страница 14
15 Страница 15
16 Страница 16
Страница: / 16
Загрузка инструкции

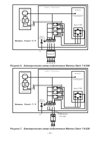
- 1 -

ЛИТЯ.681935.068 РЭ

1 Общие указания

1.1 Электроприборы отопительные Warmos Start- 3; - 5; - 7; - 9; -12;

-

14 У3 ТУ

27.51.26

-0

18

-97567311-

19

(да лее - прибор

ы

) являют ся

стационарными отопительными приборами и предназначены для отопления
жилых, бытовых, производственных, сельскохозяйственных и других
помещений. Прибор может применяться совместно с другими источниками
теплоснабжения в качестве основного или резервного.

Прибор предназначен для эксплуатации в помещениях (объёмах) с

естественной вентиляцией (отсутствие воздействия атмосферных осадков,
отсутствие конденсации влаги), при температуре окружающего воздуха от

0

0

+40 до минус 45 С и относительной влажности воздуха до 98 % при +25 С.

1.2 Конструкция прибора постоянно совершенствуется, поэтому воз-

можны некоторые изменения, не отраженные в настоящем Руководстве и
не ухудшающие эксплуатационные качества прибора.

1.3 Прибор до подачи в торговый зал или к месту выдачи покупки

должен пройти предпродажную подготовку, которая включает: распаковку
прибора, удаление с него заводской смазки, пыли; осмотр прибора;
проверку комплектности, каче ства прибора, на личия необходимой
информации о приборе и его изготовителе.

1.4 По требованию потребителя он должен быть ознакомлен с

устройством и действием прибора, который должен демонстрироваться в
собранном, технически исправном состоянии.

1.5 Лицо, осуществляющее продажу, по требованию потребителя

проверяет в его присутствии внешний вид прибора, его комплектность,
наличие относящегося к нему Руководства по эксплуатации, правильность
цены.

1.6 При передаче прибора потребителю одновременно передается

Руководство по эксплуатации (с указанием в нем даты и места продажи).

Вместе с прибором потребителю передается также товарный чек, в

котором указываются наименование прибора и продавца, дата продажи и
цена прибора, а также подпись лица, непосредственно осуществляющего
продажу.

1.7 Продавец обязан предоставить потребителю информацию об

организациях, выполняющих монтаж и подключение прибора. Монтаж и
подключение прибора производится за отдельную оплату.

2 Технические данные

2.1 По степени защиты от поражения электрическим током прибор

соответствует I классу по ГОСТ IEC 60335-1.

2.2 Электропитание прибора осуществляется от электрической сети

переменного тока частотой 50 Гц, напряжением 380/220В с глухозазем-
ленной нейтралью.

"Загрузка инструкции" означает, что нужно подождать пока файл загрузится и можно будет его читать онлайн. Некоторые инструкции очень большие и время их появления зависит от вашей скорости интернета.

Характеристики

Другие модели - Котлы Эван

Все котлы Эван