Эван UNIVERSAL -120 - Инструкция по эксплуатации

Эван UNIVERSAL -120

Котел Эван UNIVERSAL -120 - инструкция пользователя по применению, эксплуатации и установке на русском языке. Мы надеемся, она поможет вам решить возникшие у вас вопросы при эксплуатации техники.

Если остались дополнительные вопросы — свяжитесь с нами через контактную форму.

1 Страница 1
2 Страница 2
3 Страница 3
4 Страница 4
5 Страница 5
6 Страница 6
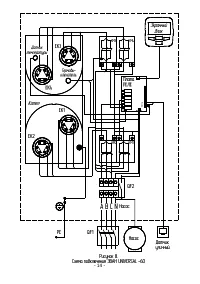
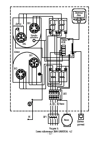
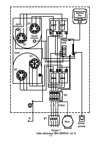
7 Страница 7
8 Страница 8
9 Страница 9
10 Страница 10
11 Страница 11
12 Страница 12
13 Страница 13
14 Страница 14
15 Страница 15
16 Страница 16
17 Страница 17
18 Страница 18
19 Страница 19
20 Страница 20
21 Страница 21
22 Страница 22
23 Страница 23
24 Страница 24
25 Страница 25
26 Страница 26
27 Страница 27
28 Страница 28
29 Страница 29
30 Страница 30
31 Страница 31
32 Страница 32
33 Страница 33
34 Страница 34
35 Страница 35
36 Страница 36
Страница: / 36

Содержание:

  • Страница 6 – экранный блок
  • Страница 7 – A B C N; Рисунок 2
  • Страница 8 – Начальный вид дисплея экранного блока; Escape; Требования безопасности
  • Страница 11 – Рисунок 4; Установка запорной арматуры на трубопроводе, соединяющем расши-
  • Страница 12 – согласно ПУЭ и ППБ
  • Страница 20 – Верхняя
  • Страница 26 – Выбор языка
  • Страница 27 – Техническое обслуживание
  • Страница 28 – Правила хранения и транспортирования
  • Страница 29 – 0 Возможные неисправности и методы их устранения; Возможная; 1 Гарантии изготовителя
  • Страница 34 – UNIVERSAL
Загрузка инструкции

ЭВАН

- 36-120

UNIVERSAL

Класс «КОМФОРТ»

ЭЛЕКТРОПРИБОРЫ ОТОПИТЕЛЬНЫЕ

"Загрузка инструкции" означает, что нужно подождать пока файл загрузится и можно будет его читать онлайн. Некоторые инструкции очень большие и время их появления зависит от вашей скорости интернета.

Краткое содержание

Страница 6 - экранный блок

4.2 Внешний вид прибора представлен на рис. 1. Рисунок 1. Внешний вид прибора. 1 — кожух, 2 — экранный блок , 3 — клипсы крепежные, 4 — саморезы. Для подключения прибора и ремонтно - профилактических работ необходи- мо снять кожух. Для этого следует утопить надавливанием до щелчка центральные части ...

Страница 7 - A B C N; Рисунок 2

4.3 Вид прибора со снятым кожухом показан на рисунке 2. Прибор состоит из: - задней панели (11) с установленными на ней котлом (1) и блоком управле- ния нагрузкой (5) ; - котла в теплоизоляции с входным (2) и выходным (3) патрубками G 11/4 с установленными блоками трубчатых электронагревателей (БТЭН...

Страница 8 - Начальный вид дисплея экранного блока; Escape; Требования безопасности

4.4 Внешний вид экранного блока показан на рис. 3 Рисунок 3. Начальный вид дисплея экранного блока . Экранный блок содержит графически - цифровой дисплей, сигнальный све- тодиод переменной цветности (нормальная работа — зеленый, несоответствующий режим — красный) и 4 клавиши. Левая клавиша соответст...

Характеристики

Другие модели - Котлы Эван

Все котлы Эван