Страница 38 - ПОДДЕРЖКА ПОТРЕБИТЕЛЕЙ И СЕРВИСНОЕ
СОДЕРЖАНИЕ 1. СВЕДЕНИЯ ПО ТЕХНИКЕ БЕЗОПАСНОСТИ...............................................40 2. УКАЗАНИЯ ПО БЕЗОПАСНОСТИ................................................................. 43 3. ОПИСАНИЕ ИЗДЕЛИЯ................................................................................... 45 4....
Страница 41 - Общие правила техники безопасности
• Очистка и доступное пользователю техническое обслуживание не должно производиться детьми без присмотра. 1.2 Общие правила техники безопасности • Не изменяйте параметры данного прибора. • Прибор может быть установлен как отдельно, так и под столешницу, если под ней достаточно места. • Не устанавлив...
Страница 43 - УКАЗАНИЯ ПО БЕЗОПАСНОСТИ; Установка
температура белья позволила обеспечить его сохранность. • Не используйте для очистки прибора подаваемую под давлением воду или пар. • Протирайте прибор мягкой влажной тряпкой. Используйте только нейтральные моющие средства. Не используйте абразивные средства, царапающие губки, растворители или метал...
Страница 45 - ОПИСАНИЕ ИЗДЕЛИЯ; Обзор прибора
3. ОПИСАНИЕ ИЗДЕЛИЯ 3.1 Обзор прибора 1 2 3 5 6 7 4 1 Верхняя панель 2 Дозатор моющего средства 3 Панель управления 4 Рукоятка дверцы 5 Табличка с техническими данными 6 Фильтр сливного насоса 7 Ножки для выравнивания прибора 3.2 Набор крепежных накладок (4055171146) Имеется в продаже в ближайшем ав...
Страница 46 - ПАНЕЛЬ УПРАВЛЕНИЯ; Описание панели управления
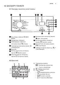
4. ПАНЕЛЬ УПРАВЛЕНИЯ 4.1 Описание панели управления 5 3 4 10 11 8 7 9 6 1 2 1 Кнопка «Вкл/Выкл» (ВКЛ/ВЫКЛ) 2 Селектор программ 3 Сенсорное поле сниженияскорости отжима (Отжим) 4 Сенсорное поле температуры (Температура) 5 Дисплей 6 Сенсорное поле времени сушки (Время сушки) 7 Сенсорное поле отсрочки ...
Страница 47 - ПРОГРАММЫ; Таблица программ
• работа программы завершена. D. : этап сушки. E. : этап обработки паром. F. : постоянная функция дополнительного полоскания. G. , , : индикаторы степени сушки. H. Область отжима: • : индикатор скорости отжима • : индикатор стирки без отжима • : индикатор остановки полоскания I. : этап стирки. J. : ...
Страница 50 - Автоматическая сушка
Программа Cтира&Cушка 60 мин ■ Синтетика ■ ■ ■ ■ ■ Тонкие ткани ■ ■ ■ ■ ■ Шелк ■ ■ ■ Шерсть/Ручная стирка ■ ■ ■ ■ Одеяла ■ ■ Отжим/Слив 1) ■ ■ ■ Полоскание ■ ■ ■ ■ ■ 1) Задайте скорость отжима. Удостоверьтесь, что она соответствует типу белья. При выборе режима «Без отжима» доступен только этап ...
Страница 51 - Сушка с заданным временем
Степень сушки Тип ткани Загрузка Под утюг Для белья, подлежащего глаж‐ ке Хлопок и лен (простыни, скатерти, ру‐ башки и т.д.) до 6 кг 1) Советы для тестирующей организации Тестирование в соответствии с EN 50229 должно производиться с ПЕРВОЙ загрузкой, вес которой должен соответствовать за‐ явленному...
Страница 52 - ПОКАЗАТЕЛИ ПОТРЕБЛЕНИЯ
5.4 Woolmark Apparel Care - Синий • Компания Вулмарк (Woolmark) одобрила применение используемой в данной машине программы стирки шерстяных изделий с этикеткой «ручная стирка» при условии выполнения стирки в соответствии с указаниями производителя данной стиральной машины. Следуйте указаниям по сушк...
Страница 53 - РЕЖИМЫ
Программы За‐ грузка (кг) Потре‐ бление элек‐ троэнер‐ гии (кВт·ч) Потребле‐ ние воды (в литрах) Приблизительная продолжитель‐ ность программы (в минутах) Хлопок Экo «Энергосберегающая программа для хлопка»при 60°C 1) 9 1.05 57 220 Хлопок 40°С 9 1.05 71 175 Синтетика 40°С 4 0.65 52 110 Деликатные тк...
Страница 54 - Менеджер времени
отображается текущее значение настройки.При каждом нажатии на это сенсорное поле значение времени увеличивается на 5 минут. Не все значения времени подходят и доступны для выбора ко всем видам тканей. 7.4 Oтсрочка старта С помощью этой функции можно отложить запуск программы на период от 30 минут до...
Страница 55 - ПАРАМЕТРЫ; Защита от детей; Постоянное; Звуковая сигнализация; ПЕРЕД ПЕРВЫМ ИСПОЛЬЗОВАНИЕМ; Загрузка белья
8. ПАРАМЕТРЫ 8.1 Защита от детей С помощью этой функции можно заблокировать панель управления от детей.• Чтобы включить/выключить эту функцию, одновременно нажмите иудерживайте и до тех пор, пока не загорится/отключится индикатор . Можно включить эту функцию: • После нажатия : селектор программ и фу...
Страница 57 - Жидкое или порошковое; Включение прибора
10.4 Жидкое или порошковое средство для стирки. 1. A 2. 3. B 4. • Положение A для стирального порошка (заводская настройка). • Положение B для жидкого средства для стирки. При использовании жидкого средства для стирки: • Не используйте гелеобразные или густые жидкие средства для стирки. • Не превыша...
Страница 62 - Стирка и автоматическая
12. ЕЖЕДНЕВНОЕ ИСПОЛЬЗОВАНИЕ – СТИРКА И СУШКА ВНИМАНИЕ! См. Главы, содержащие Сведения по технике безопасности. 12.1 Программа «Нон-стоп» 1. Чтобы включить прибор, нажмите и удерживайте ВКЛ/ВЫКЛ в течение нескольких секунд. 2. Загрузите белье по одной вещи за раз. Для получения хороших результатов с...
Страница 63 - ПОЛЕЗНЫЕ СОВЕТЫ
. Через несколько секунд на дисплее отобразится окончательноезначение времени , состоящее из полной суммы продолжительности циклов стирки и сушки (стирка + сушка + антисминание + этапы охлаждения). Если задать время сушки после стирки равным только 10 минутам, вычисленная прибором продолжительность ...
Страница 66 - УХОД И ОЧИСТКА
Во избежание статической электризации по окончании цикла сушки: 1. Используйте кондиционер для ткани в ходе стирки. 2. Используйте специальный кондиционер для ткани для сушильных барабанов. По окончании программы сушки не оставляйте белье надолго в приборе. 14. УХОД И ОЧИСТКА ВНИМАНИЕ! См. Главы, со...
Страница 70 - ПОИСК И УСТРАНЕНИЕ НЕИСПРАВНОСТЕЙ; Введение
ВНИМАНИЕ! Перед тем, как вновь использовать прибор, убедитесь, что температура превышает 0°C. Производитель не несет ответственность за ущерб, вызванный воздействием низких температур. 15. ПОИСК И УСТРАНЕНИЕ НЕИСПРАВНОСТЕЙ ВНИМАНИЕ! См. Главы, содержащие Сведения по технике безопасности. 15.1 Введен...
Страница 71 - Возможные неисправности
15.2 Возможные неисправности Неисправность Возможное решение Программа не запу‐ скается. Убедитесь, что вилка сетевого шнура вставлена в ро‐ зетку электропитания. Убедитесь, что дверца прибора закрыта. Убедитесь, что предохранитель на электрощите не по‐ врежден. Убедитесь, что кнопка «Пуск/Пауза» бы...
Страница 73 - АВАРИЙНОЕ ОТКРЫВАНИЕ ДВЕРЦЫ
Неисправность Возможное решение Перед стиркой используйте специальные средства для удаления стойких пятен. Убедитесь в правильности выбранной температуры. Уменьшите объем загрузки. Не удается выбрать какой-либо режим. Убедитесь, что Вы нажимаете только на требуемую кнопку/кнопки. Прибор не выполняет...