Страница 36 - ПОДДЕРЖКА ПОТРЕБИТЕЛЕЙ И СЕРВИСНОЕ
СОДЕРЖАНИЕ 1. СВЕДЕНИЯ ПО ТЕХНИКЕ БЕЗОПАСНОСТИ...............................................38 2. УКАЗАНИЯ ПО БЕЗОПАСНОСТИ................................................................. 41 3. ОПИСАНИЕ ИЗДЕЛИЯ................................................................................... 43 4....
Страница 39 - Общие правила техники безопасности
• Если прибор оснащен устройством защиты от детей, рекомендуем Вам включить это устройство. • Очистка и доступное пользователю техническое обслуживание не должно производиться детьми без присмотра. 1.2 Общие правила техники безопасности • Не изменяйте параметры данного прибора. • Прибор может быть у...
Страница 41 - УКАЗАНИЯ ПО БЕЗОПАСНОСТИ; Установка
охлаждения) для того, чтобы конечная температура белья позволила обеспечить его сохранность. • Не используйте для очистки прибора подаваемую под давлением воду или пар. • Протирайте прибор мягкой влажной тряпкой. Используйте только нейтральные моющие средства. Не используйте абразивные средства, цар...
Страница 43 - ОПИСАНИЕ ИЗДЕЛИЯ; Обзор прибора
3. ОПИСАНИЕ ИЗДЕЛИЯ 3.1 Обзор прибора 1 2 3 5 6 7 4 1 Верхняя панель 2 Дозатор моющего средства 3 Панель управления 4 Рукоятка дверцы 5 Табличка с техническими данными 6 Фильтр сливного насоса 7 Ножки для выравнивания прибора 3.2 Включение функции «Защита от детей» Это фиксатор позволяет избежать оп...
Страница 44 - ПАНЕЛЬ УПРАВЛЕНИЯ; Описание панели управления
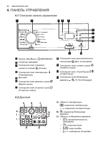
4. ПАНЕЛЬ УПРАВЛЕНИЯ 4.1 Описание панели управления 5 3 4 1 2 8 7 9 6 10 11 1 Кнопка «Вкл/Выкл» (ВКЛ/ВЫКЛ) 2 Селектор программ 3 Сенсорное поле сниженияскорости отжима (Отжим) 4 Сенсорное поле температуры (Температура) 5 Дисплей 6 Сенсорное поле времени сушки (Время сушки) 7 Сенсорное поле отсрочки ...
Страница 45 - ПРОГРАММЫ; Таблица программ
• работа программы завершена. D) : этап сушки. E) : этап обработки паром. F) : постоянная функция дополнительного полоскания. G) , , : индикаторы степени сушки. H) Область отжима: • : индикатор скорости отжима • : индикатор стирки без отжима • : индикатор остановки полоскания I) : этап стирки. J) : ...
Страница 48 - Программы для автоматической сушки; Программы для сушки с заданным временем
Программа ■ ■ ■ ■ ■ 1) ■ ■ ■ 1) Задайте скорость отжима. Удостоверьтесь, что она соответствует типу белья. При выборе параметра «Без отжима» доступен только этап слива. 5.2 Программы для автоматической сушки Степень сушки Тип ткани Загрузка Очень сухое Для изделий из махровых тканей Хлопок и лен (ку...
Страница 50 - ПОКАЗАТЕЛИ ПОТРЕБЛЕНИЯ; РЕЖИМЫ
6. ПОКАЗАТЕЛИ ПОТРЕБЛЕНИЯ Приведенные в таблице данные являются ориентировочными. Они могут меняться в зависимости от количества и типа белья, температуры воды и окружающей температуры. При запуске программы на дисплее отображается продолжительность программы с учетом максимальной загрузки. В ходе э...
Страница 51 - Время сушки; Менеджер времени
На дисплее отобразится индикатор заданной скорости. Дополнительные функции отжима: Без отжима • Используйте эту функцию для отключения этапа отжима. • Используйте для очень деликатных тканей. • Для некоторых программ стирки на этапе полоскания используется больший объем воды. • На дисплее отображает...
Страница 52 - ПАРАМЕТРЫ; Защита от детей
Индикатор Хлопок Eco 1) 1) 2) ■ ■ ■ ■ ■ ■ ■ ■ ■ ■ ■ ■ ■ ■ ■ ■ ■ ■ ■ ■ ■ 3) ■ 3) ■ ■ 3) ■ ■ ■ ■ Индикатор Хлопок Eco 1) 1) 4) ■ ■ ■ 3) ■ 3) ■ ■ 3) 1) Если имеется в наличии. 2) Самая быстрая: для освежения белья. 3) Продолжительность программы по умолчанию. 4) Наиболее длительная: постепенное увеличе...
Страница 53 - Загрузка белья
9. ПЕРЕД ПЕРВЫМ ИСПОЛЬЗОВАНИЕМ 1. Поместите небольшое количество моющего средства в отсек для этапа стирки. 2. Не загружая в прибор одежды, выберите и запустите программу для стирки изделий из хлопка на максимальной температуре. Эта процедура удалит из барабана и бака любые загрязнения. 10. ЕЖЕДНЕВН...
Страница 54 - Жидкое или порошковое; Включение прибора
Отделение для жидких добавок (кондиционера для тканей, средства для подкрахмаливания).Заслонка для порошкового или жидкого средства для стирки. 10.4 Жидкое или порошковое средство для стирки. 1. A 2. 3. B 4. • Положение A для стирального порошка (заводская настройка). • Положение B для жидкого средс...
Страница 57 - Установка степени сушки; Автоматическая сушка
Нажмите на кнопку , чтобы включить прибор вновь. На дисплее отображается конец последней заданной программы. Для выбора новой программы стирки поверните селектор программ. 11. ЕЖЕДНЕВНОЕ ИСПОЛЬЗОВАНИЕ – ТОЛЬКО СУШКА ВНИМАНИЕ! См. Главы, содержащие Сведения по технике безопасности. 11.1 Установка сте...
Страница 58 - ЕЖЕДНЕВНОЕ ИСПОЛЬЗОВАНИЕ – СТИРКА И
• На дисплее отобразится текущее значение настройки,например, . • Через несколько секунд на дисплее отобразится новоезначение времени: . Прибор также вычисляет продолжительность этапов антисминания и охлаждения. 2. Для начала выполненияпрограммы нажмите на . • На дисплее будет периодически отображат...
Страница 60 - ПОЛЕЗНЫЕ СОВЕТЫ
12.5 Ворс на белье В ходе этапа стирки и/или сушки сушка определенных видов тканей, например, пористой ткани, шерсти и толстовок из трикотажа может привести к образованию ворса.Образовавшийся ворс может пристать к ткани в ходе следующего цикла.Это неудобство еще более проявляется в ходе обработки т....
Страница 62 - УХОД И ОЧИСТКА
• Кроватные покрывала. • Одеяла. • Анораки. • Спальные мешки • Изделия из тканей, на которых имеются остатки лака для волос, растворителя для лака для ногтей и схожие с ними материалы. • Одежда, в которой используется вспененная резина или схожие с ней материалы. 13.8 Этикетки с информацией по уходу...
Страница 66 - ПОИСК И УСТРАНЕНИЕ НЕИСПРАВНОСТЕЙ; Введение
3. 4. 45° 20° 14.8 Экстренный слив В результате неисправности прибор может быть не в состоянии произвести слив воды.В этом случае выполните действия с (1) по (9), описанные в Главе «Очистка сливного фильтра». При необходимости очистите насос.После выполнения операций экстренного слива воды необходим...
Страница 67 - Возможные неисправности
• - Прибор не сливает воду. • - Дверца прибора открыта или не закрыта как следует. Пожалуйста, проверьте дверцу! • - Нестабильная работа электросети. Дождитесь стабилизации электросети. • - Отсутствует обмен данными между электронными компонентами прибора. Выключите и снова включите прибор. ВНИМАНИЕ...
Страница 71 - ОХРАНА ОКРУЖАЮЩЕЙ СРЕДЫ
Давление в водопроводной сети Минимум Максимум 0,5 бар (0,05 МПа) 8 бар (0,8 МПа) Максимальная загрузка для стирки Хлопок 7 кг Максимальная загрузка для сушки Хлопок Синтетика 5 кг 2 кг Скорость отжима Максимум 1400 об/мин 18. ОХРАНА ОКРУЖАЮЩЕЙ СРЕДЫ Материалы с символом следует сдавать на переработ...