Страница 27 - ПОДДЕРЖКА ПОТРЕБИТЕЛЕЙ И СЕРВИСНОЕ
СОДЕРЖАНИЕ 1. СВЕДЕНИЯ ПО ТЕХНИКЕ БЕЗОПАСНОСТИ...............................................28 2. УКАЗАНИЯ ПО БЕЗОПАСНОСТИ................................................................. 29 3. ОПИСАНИЕ ИЗДЕЛИЯ................................................................................... 31 4....
Страница 28 - возможностями
1. СВЕДЕНИЯ ПО ТЕХНИКЕ БЕЗОПАСНОСТИ Перед установкой и эксплуатацией прибора внимательно ознакомьтесь с приложенным руководством. Производитель не несет ответственность за травмы и повреждения, полученные/вызванные неправильной установкой и эксплуатацией. Позаботьтесь о том, чтобы данное руководство...
Страница 32 - Описание панели управления
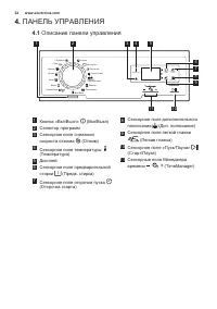
4. ПАНЕЛЬ УПРАВЛЕНИЯ 4.1 Описание панели управления Температура Отжим Легкая глажка Отсрочка старта Предв. стирка Доп. полоскание Старт/Пауза Хлопок Хлопок Eco Синтетика Тонкие ткани Шерсть/ Ручная стирка Джинсы Вкл/Выкл Полоскание Отжим/Слив Шторы Шелк Одеяла Спорт 5 Рубашек Белье 1 2 3 4 5 8 7 9 6...
Страница 36 - Синий; ПОКАЗАТЕЛИ ПОТРЕБЛЕНИЯ
Программа ■ ■ ■ ■ ■ ■ ■ ■ ■ ■ ■ ■ ■ 1) Задайте скорость отжима. Удостоверьтесь, что она соответствует типу белья. При выборе режима «Без отжима» доступен только этап слива. 5.1 Woolmark Apparel Care - Синий Компания Вулмарк (Woolmark) одобрила применение используемой в данной машине программы стирки...
Страница 38 - Менеджер времени
• Крышка остается заблокированной. Чтобы разблокировать крышку, необходимо слить воду. • На дисплее отображается индикатор . Для слива воды см. Главу «По окончании программы». Очень тихая• Используйте эту функцию, чтобы пропустить все фазы отжима и выполнить бесшумную стирку. • Для некоторых програм...
Страница 39 - Звуковая сигнализация; дополнительное полоскание
Инд ика тор 1) 1) ■ ■ ■ 4) ■ ■ ■ 3) ■ 3) ■ ■ 3) 1) Если имеется в наличии. 2) Самая быстрая: для освежения белья. 3) Продолжительность программы по умолчанию. 4) Наиболее длительная: постепенное увеличение продолжительности программы уменьшает энергопотребление. Оптимизирование этапа нагрева бережет...
Страница 40 - ПЕРЕД ПЕРВЫМ ИСПОЛЬЗОВАНИЕМ; ЕЖЕДНЕВНОЕ ИСПОЛЬЗОВАНИЕ; Добавление средства; для стирки и добавок; Отделения дозатора моющих средств
9. ПЕРЕД ПЕРВЫМ ИСПОЛЬЗОВАНИЕМ 1. Поместите небольшое количество моющего средства в отсек для этапа стирки. 2. Не загружая в прибор одежды, выберите и запустите программу для стирки изделий из хлопка на максимальной температуре. Эта процедура удалит из барабана и бака любые загрязнения. 10. ЕЖЕДНЕВН...
Страница 41 - Жидкое или порошковое
Отсек средства для стирки, используемого на этапе стирки. Отметки «МАКС» указывают на максимально допустимые уровни средства для стирки (порошкового или жидкого).Отделение для жидких добавок (кондиционера для тканей, средства для подкрахмаливания).Отметка M указывает на максимальный уровень жидких д...
Страница 42 - Включение прибора; Запуск программы без; отсрочки пуска; Запуск программы с; отсрочкой пуска
10.5 Включение прибора Нажмите кнопку для включения или отключения прибора. При включении прибора выдается звуковой сигнал. 10.6 Выбор программы 1. Выберите программу стирки, повернув селектор программ: • При этом загорится индикатор соответствующей программы. • Индикатор замигает. • На дисплее отоб...
Страница 43 - Прерывание программы; и изменение выбранных
10.9 Прерывание программы и изменение выбранных функций Ряд функций можно изменить до того, как они будут запущены. 1. Нажмите на . Замигает индикатор. 2. Внесите изменения в функции.3. Вновь нажмите . Выполнение программы будет продолжено. 10.10 Отмена выполняющейся программы 1. Нажмите кнопку на н...
Страница 45 - Средства для стирки и; добавки; Очистка наружных; поверхностей
Такие загрязнения рекомендуется удалять до загрузки одежды в прибор.В продаже имеются специализированные средства для выведения пятен. Используйте пятновыводители, подходящие к конкретному типу пятен и ткани. 11.3 Средства для стирки и добавки • Используйте только средства для стирки и добавки, пред...
Страница 46 - Профилактическая; стирка; Очистка дозатора моющего средства
ОСТОРОЖНО! Не используйте составы на основе спирта, растворителей или химических веществ. 12.2 Удаление накипи Если вода в Вашем регионе имеет высокую или среднюю жесткость, рекомендуется использовать предназначенные для стиральных машин средства для удаления накипи.Регулярно проверяйте состояние ба...
Страница 49 - ПОИСК И УСТРАНЕНИЕ НЕИСПРАВНОСТЕЙ; Возможные неисправности
13. ПОИСК И УСТРАНЕНИЕ НЕИСПРАВНОСТЕЙ ВНИМАНИЕ! См. Главы, содержащие Сведения по технике безопасности. 13.1 Введение Прибор не запускается или останавливается во время работы.Сначала попытайтесь найти решение проблемы (см. Таблицу). Если решение не найдено, обратитесь в авторизованный сервисный цен...
Страница 51 - ТЕХНИЧЕСКИЕ ДАННЫЕ
Неисправность Возможное решение Добавьте в барабан еще белья. Возможно, нагрузка недостаточна велика. Цикл заканчивается быстрее, чем указано на дисплее. Прибор может изменить время стирки сообразно конкретной загрузке белья. См. Главу «Показатели потребления». Цикл требует больше времени, чем указа...
Страница 52 - ОХРАНА ОКРУЖАЮЩЕЙ СРЕДЫ
Максимальная загрузка Хлопок 6 кг Класс энергопотребления A+ Скорость отжима Максимум 1200 об/мин 1) Присоедините наливной шланг к водопроводному крану с резьбой 3/4". 15. ОХРАНА ОКРУЖАЮЩЕЙ СРЕДЫ Материалы с символом следует сдавать на переработку. Положите упаковку в соответствующие контейнеры ...