Страница 27 - ПОДДЕРЖКА ПОТРЕБИТЕЛЕЙ И СЕРВИСНОЕ
СОДЕРЖАНИЕ 1. СВЕДЕНИЯ ПО ТЕХНИКЕ БЕЗОПАСНОСТИ...............................................29 2. УКАЗАНИЯ ПО БЕЗОПАСНОСТИ................................................................. 30 3. ОПИСАНИЕ ИЗДЕЛИЯ................................................................................... 32 4....
Страница 30 - Установка
1.2 Общие правила техники безопасности • Не изменяйте параметры данного прибора. • Соблюдайте максимально допустимую загрузку в 8 кг (см. Главу «Таблица программ»). • Рабочее давление воды (минимальное и максимальное) должно находиться в пределах 0,5 бар (0,05 МПа) и 8 бар (0,8 МПа). • Вентиляционны...
Страница 32 - Утилизация; ОПИСАНИЕ ИЗДЕЛИЯ; Обзор прибора
Чтобы узнать, какие дополнительные принадлежности могут использоваться с Вашим прибором, обратитесь в авторизованный сервисный центр. • Не прикасайтесь к стеклянной части дверцы во время работы программы. Дверца может быть горячей. 2.5 Утилизация ВНИМАНИЕ! Существует опасность травмы или удушья. • О...
Страница 33 - Набор крепежных; ПАНЕЛЬ УПРАВЛЕНИЯ; Описание панели управления
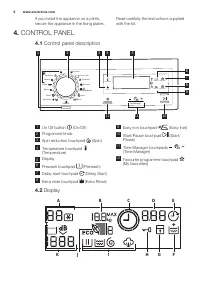
3.3 Набор крепежных накладок (4055171146) Имеется в продаже в ближайшем авторизованном магазине.При установке прибора на цоколе закрепите прибор крепежными накладками. Внимательно прочитайте инструкцию, прилагаемую к комплекту. 4. ПАНЕЛЬ УПРАВЛЕНИЯ 4.1 Описание панели управления Jeans Delicates Synt...
Страница 34 - Дисплей
4.2 Дисплей A B C D E F G H J I K A) Область температуры: : индикатор температуры : индикатор холодной воды B) : Максимальная загрузка белья 1 C) : Индикатор Time Manager D) Область отображения времени: • : продолжительность программы • : отсрочка пуска • : коды ошибок • : сообщение об ошибке • : пр...
Страница 35 - ПРОГРАММЫ; Таблица программ
5. ПРОГРАММЫ 5.1 Таблица программ Программа Диапазон температур Описание программы Максимальная скорость отжима Программы стирки Cottons 90°С – Холодная стирка Белый и цветной хлопок . Обычное и легкое загрязнение. 8 кг 1200 об/мин для модели EWF1287HDW; 1400 об/мин для модели EWF1487HDW: 1600 об/ми...
Страница 38 - ПОКАЗАТЕЛИ ПОТРЕБЛЕНИЯ
Программа ■ ■ ■ ■ ■ ■ ■ ■ ■ 1) Задайте скорость отжима. Удостоверьтесь, что она соответствует типу белья. При выборе параметра «Без отжима» доступен только этап слива. 6. ПОКАЗАТЕЛИ ПОТРЕБЛЕНИЯ Приведенные в таблице данные являются ориентировочными. Они могут меняться в зависимости от количества и т...
Страница 39 - РЕЖИМЫ
Програм мы Загруз ка (кг) Потреб ление электр оэнерг ии (кВт·ч) Потреб ление воды (в литрах) Приблиз ительна я продол жительн ость програм мы (в минутах ) Остаточная влажность(%) 1) Cottons 40°C 8 1.00 72 164 53 52 44 Synthetics 40°C 4 0.60 50 110 35 35 35 Delicates 30°C 4 0.70 60 91 35 35 35 Wool/ ...
Страница 42 - ПАРАМЕТРЫ; Защита от детей; Постоянное; Звуковая сигнализация; ПЕРЕД ПЕРВЫМ ИСПОЛЬЗОВАНИЕМ; Загрузка белья
8. ПАРАМЕТРЫ 8.1 Защита от детей С помощью этой функции можно заблокировать панель управления от детей.• Чтобы включить/выключить эту функцию, одновременно нажмите иудерживайте и до тех пор, пока не загорится/отключится индикатор . Можно включить эту функцию: • После нажатия : селектор программ и фу...
Страница 44 - Включение прибора
3. B 4. • Положение A для стирального порошка (заводская настройка). • Положение B для жидкого средства для стирки. При использовании жидкого средства для стирки: • Не используйте гелеобразные или густые жидкие средства для стирки. • Не превышайте максимальный уровень жидкого средства для стирки. • ...
Страница 46 - Функция; ПОЛЕЗНЫЕ СОВЕТЫ
10.12 По окончании программы • Прибор автоматически завершит работу. • Будет выдан звуковой сигнал (если он включен). • На дисплее высветится . • Индикатор Start/Pause гаснет.• Индикатор блокировки дверцы погаснет. • Дверцу можно открыть. • Выньте белье из прибора. Убедитесь, что барабан пуст. • Зак...
Страница 48 - УХОД И ОЧИСТКА
Используйте нужное количество смягчителя воды. Следуйте инструкциям, приведенным на упаковке данных средств. 12. УХОД И ОЧИСТКА ВНИМАНИЕ! См. Главы, содержащие Сведения по технике безопасности. 12.1 Очистка наружных поверхностей Для очистки прибора используйте только теплую воду с мылом. Насухо вытр...
Страница 52 - ПОИСК И УСТРАНЕНИЕ НЕИСПРАВНОСТЕЙ; Введение; Возможные неисправности
ВНИМАНИЕ! Перед тем, как вновь использовать прибор, убедитесь, что температура превышает 0°C. Производитель не несет ответственность за ущерб, вызванный воздействием низких температур. 13. ПОИСК И УСТРАНЕНИЕ НЕИСПРАВНОСТЕЙ ВНИМАНИЕ! См. Главы, содержащие Сведения по технике безопасности. 13.1 Введен...
Страница 55 - ТЕХНИЧЕСКИЕ ДАННЫЕ; АВАРИЙНОЕ ОТКРЫВАНИЕ ДВЕРЦЫ
14. ТЕХНИЧЕСКИЕ ДАННЫЕ Расстояние Ширина/Высота/ Глубина/Общая глубина 600 мм/ 850 мм/ 605 мм/ 639 мм Подключение к электросети Напряжение Общая мощность Предохранитель Частота 230 В 2200 Вт 10 А 50 Гц Защита от проникновения твердых частиц и влаги обеспечивается защитной крышкой. Исключения: низков...
Страница 56 - ОХРАНА ОКРУЖАЮЩЕЙ СРЕДЫ
Для открывания дверцы выполните следующие действия: 1. Нажмите на кнопку On/Off для выключения прибора. 2. Выньте вилку сетевого кабеля из розетки. 3. Откройте заслонку фильтра. 4. Нажав и удерживая рычаг аварийной разблокировки по направлению вниз, откройте дверцу прибора. 5. Извлеките белье и закр...