Страница 41 - ПОДДЕРЖКА ПОТРЕБИТЕЛЕЙ И СЕРВИСНОЕ
СОДЕРЖАНИЕ 1. СВЕДЕНИЯ ПО ТЕХНИКЕ БЕЗОПАСНОСТИ...............................................42 2. УКАЗАНИЯ ПО БЕЗОПАСНОСТИ................................................................. 44 3. УСТАНОВКА...................................................................................................
Страница 42 - СВЕДЕНИЯ ПО ТЕХНИКЕ БЕЗОПАСНОСТИ; возможностями
Информация по охране окружающей среды Право на изменения сохраняется. 1. СВЕДЕНИЯ ПО ТЕХНИКЕ БЕЗОПАСНОСТИ Перед установкой и эксплуатацией прибора внимательно ознакомьтесь с приложенным руководством. Производитель не несет ответственности за какие-либо травмы или ущерб, возникший вследствие неправил...
Страница 43 - Общие правила техники безопасности
• Храните все упаковочные материалы вне досягаемости детей и утилизируйте материалы надлежащим образом. • Храните моющие средства вне досягаемости детей. • Не подпускайте детей и домашних животных к прибору, когда его дверца открыта. • Если прибор оснащен устройством защиты детей, его следует включи...
Страница 44 - УКАЗАНИЯ ПО БЕЗОПАСНОСТИ
• При подключении прибора к водопроводу должны использоваться новые поставляемые с ним комплекты шлангов или другие новые комплекты шлангов, поставленные авторизованным сервисным центром. • Использовать старые комплекты шлангов нельзя. • В случае повреждения кабеля электропитания во избежание пораже...
Страница 47 - Сведения по установке
4. Положите один из передних полистирольных элементов упаковки на пол позади прибора. Осторожно положите прибор на его заднюю сторону. 5. Удалите защиту из полистирола с прибора. 1 2 6. Верните прибор в вертикальное положение. Отсоедините сетевой кабель и сливной шланг от держателя для шлангов. ВНИМ...
Страница 50 - авторизованных магазинах
4.2 Доступно по адресу www.electrolux.com/shop или в авторизованных магазинах Соответствие прибора стандартам безопасности гарантируется только при условии использования надлежащих принадлежностей, одобренных компанией ELECTROLUX. В случае использования ненадлежащих деталей любые претензии будут отк...
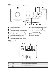
Страница 51 - Описание панели управления
6.2 Описание панели управления 2 3 4 5 11 10 7 1 6 8 9 1 Селектор программ 2 Дисплей 3 Сенсорная кнопка Отсрочка старта 4 Сенсорная кнопка Time Manager 5 Старт/Пауза Сенсорная кнопка 6 Сенсорная кнопка +Мягкость 7 Сенсорная кнопка +Полоскание 8 Сенсорная кнопка Предв. cтирка 9 Сенсор опций снижения ...
Страница 59 - Звуковая сигнализация
Программа Отжим Предв. cтирка +Полоскание +Мягкость Отсрочка старта Time Manager Шерсть ■ ■ ■ ■ Спорт ■ ■ ■ ■ ■ ■ Kypтки ■ ■ ■ ■ ■ Дeним ■ ■ ■ ■ ■ ■ ■ 8.2 Woolmark Apparel Care - Синий Компания Woolmark Company одобрила применение используемой в данной ма‐ шине программы стирки шерстяных из‐ делий с...
Страница 60 - Включение прибора
• Чтобы включить/выключить эту опцию, нажмите кнопку +Мягкость и удерживайте ее, пока на дисплее не включится и не выключится . После выключения прибора он будет использовать данную опцию в качестве настройки по умолчанию. В течение нескольких секунд после включения прибора функция «Защита от детей»...
Страница 61 - Добавление средства; для стирки и добавок; Изменение положения; перегородки для моющих
11.3 Добавление средства для стирки и добавок 1. Отмерьте количество средства для стирки и кондиционера для ткани. 2. Поместите в отделения моющее средство и кондиционер для белья. 3. Осторожно закройте отсек средства для стирки. 2 1 ПРЕДУПРЕЖДЕНИЕ Используйте только моющие средства для стиральных м...
Страница 62 - Запуск программы; отсрочкой пуска
Положение B перегородки для моющих средств предназначено для порошковых моющих средств в заднем отделении, а также для жидких моющих средств/добавок или отбеливателя в переднем отделении. 3. Использование только жидких моющих средств: Вставьте перегородку для моющих средств в положение С. C 2 1 MAX ...
Страница 63 - Система определения; Прерывание программы
По окончании обратного отсчета произойдет автоматический запуск программы. Отмена отсрочки пуска после запуска обратного отсчета Для отмены отсрочки пуска:1. Последовательным касанием кнопки Отсрочка старта добейтесь отображения на дисплее требуемого времени отсрочки. На дисплееотображается индикато...
Страница 64 - выполняющейся программы; добавление одежды; окончания цикла
11.10 Отмена выполняющейся программы 1. Для отмены программы и выключения прибора нажмите на кнопку Вкл/Выкл. 2. Нажмите на кнопку Вкл/Выкл, чтобы включить прибор вновь. Если этап SensiCare System уже был выполнен и началась заливка в прибор воды, при выполнении новой программы этап SensiCare System...
Страница 66 - Моющие средства и; другие добавки
• Помещайте небольшие вещи и деликатные вещи (например, бюстгальтеры с косточками, ремни, колготки и т.д.) в мешок для стирки. • При крайне малой загрузке на этапе отжима может иметь место дисбаланс, ведущий к избыточной вибрации. В этом случае: a. прервите выполнение программы и откройте дверцу (см...
Страница 67 - Очистка наружных; поверхностей; Профилактическая; стирка; Дверной уплотнитель со; уловителем
инструкциям, приведенным на упаковке данных средств. 13. УХОД И ОЧИСТКА ВНИМАНИЕ! См. Главы, содержащие Сведения по технике безопасности. 13.1 Очистка наружных поверхностей Для очистки прибора используйте только теплый слабый мыльный раствор. Насухо вытрите все поверхности. ПРЕДУПРЕЖДЕНИЕ Не использ...
Страница 68 - Очистка дозатора; моющего средства
с его внутренней стороны. Монеты, пуговицы и другие мелкие предметы, забытые в карманах одежды, выводятся в ходе стирки в специальный двойной уловитель в уплотнении дверцы, откуда их можно с удобством извлечь по окончании цикла. 13.5 Чистка барабана Регулярно проверяйте состояние барабана во избежан...
Страница 69 - Очистка фильтра сливного насоса
4. Установите дозатор моющих средств на направляющие и закройте его. Запустите программу полоскания без белья в баке. 13.7 Очистка фильтра сливного насоса Регулярно проверяйте состояние фильтра сливного насоса и не забывайте его очищать.Выполните очистку сливного насоса, если:• Прибор не сливает вод...
Страница 71 - Очистка наливного шланга и фильтра клапана; замерзания
ВНИМАНИЕ! Убедитесь, что крыльчатка насоса свободно вращается. Если она не вращается, обратитесь в авторизованный сервисный центр. Также убедитесь, что фильтр затянут надлежащим образом во избежание протечек. После выполнения операции экстренного слива воды необходимо повторно включить систему слива...
Страница 72 - ПОИСК И УСТРАНЕНИЕ НЕИСПРАВНОСТЕЙ
3. Поместите оба конца наливного шланга в контейнер и дайте воде вытечь из шланга. 4. Слейте воду из сливного насоса. См. операции, выполняемые для экстренного слива воды. 5. После слива воды из сливного насоса подключите наливной шланг. ВНИМАНИЕ! Перед тем, как вновь использовать прибор, убедитесь,...
Страница 73 - Возможные неисправности
14.2 Возможные неисправности Неисправность Возможное решение Программа не запу‐ скается. • Убедитесь, что вилка сетевого шнура вставлена в розетку электропитания. • Убедитесь, что дверца прибора закрыта. • Убедитесь, что предохранитель на электрощите не поврежден. • Убедитесь, что кнопка Старт/Пауза...
Страница 75 - ПОКАЗАТЕЛИ ПОТРЕБЛЕНИЯ
Неисправность Возможное решение Результаты стирки не‐ удовлетворительны. • Увеличьте количество моющего средства или ис‐ пользуйте другое моющее средство. • Перед стиркой используйте специальные средства для удаления стойких пятен. • Убедитесь в правильности выбранной температуры. • Уменьшите объем ...
Страница 76 - ТЕХНИЧЕСКИЕ ДАННЫЕ
Программы За‐ грузка (кг) Потребле‐ ние элек‐ троэнергии (кВт·ч) Потребле‐ ние воды (в литрах) Приблизи‐ тельная продолжи‐ тельность програм‐ мы (в ми‐ нутах) Хлопок 40°C 6 0.86 74 180 Синтетика 40°C 3 0.70 66 135 Тонкие ткани 40°C 1 0.52 42 55 Шерсть 30°C 1 0.20 39 70 1) Энергосберегающая программа...
Страница 77 - Ежедневное использование
Класс энергопотребления A+++ -10% Скорость отжима Максимум 1000 об/мин 1) Присоедините наливной шланг к водопроводному крану с резьбой 3/4'' . 17. НЕИСПРАВНОСТЬ ЭЛЕКТРОСЕТИ В случае кратковременного или долговременного перебоя подачи электроэнергии стиральная машина прекращает работу, особенно в слу...
Страница 78 - Чистка фильтра сливного насоса
18.2 Чистка фильтра сливного насоса 1 3 2 1 2 Регулярно производите чистку фильтра, особенно если на дисплеевысветился код ошибки . 18.3 Программы Программы Загрузка Описание изделия Хлопок 6 кг Белый и цветной хлопок. Хлопок Эко 6 кг Белый и цветной хлопок. Стандартные программы для оценки класса э...
Страница 79 - ОХРАНА ОКРУЖАЮЩЕЙ СРЕДЫ
Программы Загрузка Описание изделия Шерсть 1 кг Шерсть, пригодная для машинной стир‐ ки, а также шерстяные изделия, подле‐ жащие ручной стирке и деликатные тка‐ ни. Спорт 3 кг Спортивная одежда. Kypтки 1,5 кг 1) 1 кг 2) Современная спортивная уличная оде‐ жда Дeним 1,5 кг Одежда из джинсовой ткани. ...